Skip to content

Фотогалерея

  • Главная
  • Контакты

Схема генератор камаз 5320

Схема генератор камаз 5320. Генератор г-273 схема подключения. Схема подключения генератора г 273 КАМАЗ. Схема подключения генератора КАМАЗ 3771. Схема подключения генератора КАМАЗ евро 1.

Схема генератор камаз 5320. Техническое обслуживание генераторных установок.

Схема генератор камаз 5320. Подшипники генератора г273. Схема подключения генератора Урал 4320 ЯМЗ. Генератор г273в1 схема подключения ЯМЗ 236. Генератор КАМАЗА евро 2 г4001 схема.

Схема генератор камаз 5320. Схема подключения генератора МАЗ ЯМЗ 238. Генератор 273 в1 схема подключения. Генератор КАМАЗ 740 схема подключения. ЯМЗ 238 реле генератора схема подключения.

Схема генератор камаз 5320. Схема включения стартера КАМАЗ евро 2. Замок зажигания КАМАЗ 43118 схема. Схема подключения генератора КАМАЗ евро 2. Электрическая схема зарядки КАМАЗ 5320.

Схема генератор камаз 5320. Генератор г273в1 р схема подключения. Генератор г-273 схема подключения. Генератор автомобиля КАМАЗ 5320. Подключить Генератор КАМАЗ 5320.

Схема генератор камаз 5320. Схема зарядки аккумулятора КАМАЗ 5320. Контрольная лампа заряда аккумулятора Урал 4320. Схема зарядки аккумулятора Урал 4320. Контрольная лампа заряда аккумулятора КАМАЗ евро 1.

Схема генератор камаз 5320. Электрическая схема блока АЭС. САОЗ АЭС схема. Реактор на электрической схеме. Схема САОЗ.

Схема генератор камаз 5320. Генератор КАМАЗ 3122.3771 схема. Генератор 3122.3771 с проводом, 53205-3701900. Генератор 53205-3701900. Генератор 3122.3771 КАМАЗ схема подключения.

Схема генератор камаз 5320. Схема подключения генератора КАМАЗ. Схема генератора КАМАЗ 5320. Схема соединения генератора КАМАЗ. Схема подключения генератора КАМАЗ 5320.

Схема генератор камаз 5320. Генератор автомобиля КАМАЗ 5320. Генератор автомобиля КАМАЗ 5320 технические устройства. Реле возбуждения генератора КАМАЗ 5320. Генератор КАМАЗ 55102.

Схема генератор камаз 5320. Схема генератора МАЗ ЯМЗ 238. Схема подключения генератора на МАЗ-КАМАЗ. Схема подключения реле стартера КАМАЗ 5320. Схема подключения генератора МАЗ 4370.

Схема генератор камаз 5320. Генератор МАЗ 236 схема подключения. Схема подключения генератора Урал 4320. Схема подключения Генератор г288е.3701. Схема подключения генератора КАМАЗ 4310.

Схема генератор камаз 5320. Ремень генератора КАМАЗ 53504. Схема включения генератора КАМАЗ евро 2. Крепление генератора КАМАЗ 43118. Схема соединения генератора КАМАЗ евро 3.

Схема генератор камаз 5320. Чертёж генератора КАМАЗ 5320. Генератор г250и1 Применяемость. Генератор переменного тока г-250 схема. Генератор ВАЗ 2108 чертеж.

Схема генератор камаз 5320. Схема подключения генератора КАМАЗ 5320. Схема включения генератора КАМАЗ евро 3. Генератор 273 в1 схема подключения. Схема подключения генератора КАМАЗ.

Схема генератор камаз 5320. Генератор 4001.3771 схема подключения. Схема генератора 3032.3771. 3032.3771 Генератор схема подключения. 6301.3701 Генератор 28в 150а схема подключения.

Схема генератор камаз 5320. Схема зарядки Урал 4320 с двиг КАМАЗ. Схема зарядки Урал 4320. Схема подключения генератора Урал 4320. Схема зарядки КАМАЗ 4310.

Схема генератор камаз 5320. Схема подключения генератора КАМАЗ. Генератор г273в1 28в 45а схема подключения. Схема генераторной установки г273в. Генератор 6582.3701-02 схема подключения на КАМАЗЕ.

Схема генератор камаз 5320. Схема генератора КАМАЗ 5320. Схема подключения генератора КАМАЗ 5320. Генератор КАМАЗ 3122.3771 схема. Генератор КАМАЗ 740 схема подключения.

Схема генератор камаз 5320

Схема генератор камаз 5320. Схема подключения генератора г 273 КАМАЗ. Схема генератора КАМАЗ 5320. Реле возбуждения генератора КАМАЗ 5320. Чертёж генератора КАМАЗ 5320.

Схема генератор камаз 5320

Схема генератор камаз 5320. Схема зарядки аккумулятора КАМАЗ 5320. Схема включения стартера КАМАЗ 55111. Схема генератора КАМАЗ 5320. Схема подключения генератора КАМАЗ 5320.

Схема генератор камаз 5320. Чертёж генератора КАМАЗ 5320. Генератор автомобиля КАМАЗ 5320. Генератор г272 КАМАЗ. Схема генератора КАМАЗ 5320.

Схема генератор камаз 5320. Генератор гг273в1-3.03 схема подключения. Генератор 1322.3771 28в 50а схема подключения. Подключение генератора КАМАЗ 5350 схема. Генератор МАЗ 236 схема подключения.

Схема генератор камаз 5320

Схема генератор камаз 5320. Генератор МАЗ 236 схема подключения. Схема подключения генератора на МАЗ-КАМАЗ. Схема подключения генератора МАЗ 5551. Схема соединения генератора МАЗ 236.

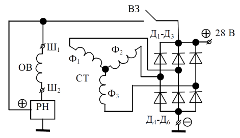
Схема генератор камаз 5320. Принципиальная электрическая схема генераторной установки. Схема подключения автомобильного генератора 24 вольта. Принципиальная схема автомобильного генератора. Схема расключения автомобильного генератора.

Схема генератор камаз 5320. Схема подключения генератора КАМАЗ евро 1. Подключить Генератор КАМАЗ 5320. Схема подключения камазовского генератора. Схема генератора КАМАЗ евро 2.

Схема генератор камаз 5320. Генератор 273 в1 схема подключения. Генератор г273в1 28в 45а схема подключения. Генератор 5702.3701 схема подключения. Генератор 4542.3771 схема подключения.

Схема генератор камаз 5320. Схема подключения генератора МАЗ ЯМЗ 238. Схема генератора МАЗ ЯМЗ 238. Генератор г273в1 28в 45а схема подключения. Генератор 3122.3771 схема подключения МАЗ.

Схема генератор камаз 5320

Схема генератор камаз 5320. Электросхема КАМАЗ 4310. Схема электрооборудования КАМАЗ 5320 цветная. Система электроснабжения КАМАЗ 5320. Блок реле КАМАЗ 43118.

Схема генератор камаз 5320. Схема генератора КАМАЗ 5320. Схема проводки генератора на КАМАЗЕ 5320. Реле возбуждения генератора КАМАЗ 5320. Распиновка генератора КАМАЗ евро.

Схема генератор камаз 5320. Схема генератора ЯМЗ 238. Генератор 6582.3701-03 МАЗ схема. Схема генератора МАЗ ЯМЗ 238. Генератор ЯМЗ-238 24в схема подключения.

Схема генератор камаз 5320

Схема генератор камаз 5320. Схема генератора КАМАЗ 6520. Чертёж генератора КАМАЗ 5320. Схема подключения генератора г 273 КАМАЗ. Схема генератора КАМАЗ 5320.

Схема генератор камаз 5320. Генератор г273в1-03 схема подключения. Генератор г-273 схема подключения. Регулятор напряжения рр356 схема. Генератор 4502.3771 КАМАЗ Эл.схема подключения.

Схема генератор камаз 5320. Схема подключения генератора КАМАЗ. Генератор 1322.3771 схема.

Схема генератор камаз 5320. Схема генератора г273. Генератор 273 в1 схема подключения. Схема генератора на МАЗ 24 вольта. Схема подключения генератора 6301.3701.

Схема генератор камаз 5320. Регулятор напряжения генератора принципиальная схема. Принципиальная схема регулятора напряжения. Схема подключения автогенератора г273в1 р. Схема выносного регулятора напряжения генератора автомобиля.

Схема генератор камаз 5320. Схема подключения генератора КАМАЗ. Схема подключения генератора 1322.3771 КАМАЗ. Схема соединения генератора КАМАЗ евро 2. Схема подключения генератора 1312.3771 КАМАЗ.

Схема генератор камаз 5320. Генератор КАМАЗ еаро3 схема подключения. Генератор КАМАЗ евро 2 4001.3771-53 схема подключения. Схема подключения генератора КАМАЗ евро 4. Схема генератора КАМАЗ евро 2.

Схема генератор камаз 5320. Генератор 6562.3701 схема подключения. Генератор г-273 схема подключения. Схема подключения генератора г273в у ХЛ. Подключение генератора г 273в2.

Схема генератор камаз 5320. Генератор зарядки КАМАЗ евро 3. Схема подключения генератора КАМАЗ евро 2. Разъём генератора КАМАЗ евро-4. Схема подключения генератора КАМАЗ евро.

Схема генератор камаз 5320

Схема генератор камаз 5320

Схема генератор камаз 5320

Схема генератор камаз 5320

Схема генератор камаз 5320. Масляный насос КАМАЗ 740 схема. Масляный насос КАМАЗ 740 10 схема. Масляный насос КАМАЗ 740 конструкция. Масляный насос КАМАЗ 5320 схема.

Схема генератор камаз 5320. Генератор КАМАЗ 4502.3771 схема. Схема соединения генератора КАМАЗ. Схема подключения генератора КАМАЗ. Схема генератора КАМАЗ евро 2.

Схема генератор камаз 5320

Схема генератор камаз 5320. Схема генераторной установки г273в. Генератор г273в1 28в 45а схема подключения. Генератор 273 в1 схема подключения. Генератор г 273 КАМАЗ чертеж.

Схема генератор камаз 5320. Схема подключения автомобильного генератора 12 вольт. Схема соединения автомобильного генератора. Простая схема подключения автомобильного генератора. Схема генератора на МАЗ 24 вольта.

Схема генератор камаз 5320

Схема генератор камаз 5320. Генератор ЗИЛ 130 схема. Генератор ЗИЛ 130 чертеж. Генератор автомобиля ЗИЛ 130. Схема генератора ЗИЛ 131.

Схема генератор камаз 5320. Схема генератора ЯМЗ 236. Схема подключения генератора МАЗ ЯМЗ 236. Схема подключения генератора г 273 КАМАЗ. Схема подключения генератора МАЗ ЯМЗ 238.

Схема генератор камаз 5320. Схема подключения генератора МАЗ ЯМЗ. 1322.3771 Генератор схема подключения. Генератор 1322.3771 схема. Схема генератора Газель 4216.

Схема генератор камаз 5320

Схема генератор камаз 5320. Схема зарядки МАЗ. Схема подключения генератора ЯМЗ 236. Схема электростартерного пуска судовых дизелей. Схема системы пуска дизеля 3д6.

Схема генератор камаз 5320. Генератор КАМАЗ 740 схема подключения. Генератор г-273 схема подключения. Генератор КАМАЗ схема подключения проводов. Схема подключения генератора КАМАЗ.

Схема генератор камаз 5320

Схема генератор камаз 5320. Чертеж генератора г250. Ротор Генератор ГАЗ 53 чертеж. "Генератор 65.3701" !схема. Генератор переменного тока г-250 схема.

Схема генератор камаз 5320. Схема генератора КАМАЗ 5320. Схема подключения генератора г 273 КАМАЗ. Схема подключения генератора КАМАЗ евро 2. Схема подключения генератора КАМАЗ 4310.

Схема генератор камаз 5320. Схема подключения генератора МАЗ ЯМЗ 238. Схема подключения генератора ЯМЗ 236. Генератор МАЗ 236 схема подключения. Генератор г273в1 схема подключения.

Схема генератор камаз 5320. Чертёж генератора КАМАЗ 5320. Схема генератора КАМАЗ 5320. Сопротивление генератора КАМАЗ 5320. Схема подключения генератора КАМАЗ 5320.

Схема генератор камаз 5320

Схема генератор камаз 5320. Генератор КАМАЗ евро 3 (80а) 4542-3771. Генератор КАМАЗ 4542.3771. Генератор 4542.3771-10 КАМАЗ. Генератор бош КАМАЗ 4542.3771 10.

Схема генератор камаз 5320. Генератор г 288 схема подключения. Схема генератора КАМАЗ 5320. Схема генератора КАМАЗ евро 2. Схема соединения генератора КАМАЗ.

Схема генератор камаз 5320. Генератор г273в1 28в 45а схема подключения. Генератор г273в1-03 схема подключения. Генератор 273 в1 схема подключения. Генератор г-273 схема подключения.

Схема генератор камаз 5320. Генератор КАМАЗ 3122.3771 схема. Генератор 3122.3771 схема подключения МАЗ. Схема подключения генератора КАМАЗ 740 евро 2. Генератор 3122.3771 схема.

Схема генератор камаз 5320

Схема генератор камаз 5320. Схема генератора ЯМЗ 236. Схема подключения генератора г 273 КАМАЗ. Схема подключения генератора Урал 4320. Генератор МАЗ ЯМЗ 236 схема.

Схема генератор камаз 5320. Генератор КАМАЗ 3122.3771 схема. Генератор 3122.3771 схема. КАМАЗ 65111 Генератор. Генератор 3122.3771 с проводом, 53205-3701900.

  • Вперед Короб для сабвуфера своими руками
  • Назад Лизун охотники за привидениями картинки из фильма

Новые страницы

Аэролодка своими руками чертежи и схемы

Автопокраска брянск

Балансировочные клапаны danfoss

Богиня многорукая в индии

Домовенок клининговая компания спб

Двухконтурное отопление схема подключения

Эрудит игра презентация

Гдз история 7 беларуси

Гдз моро 4 класс книга

Ищу отделочные работы

Используя схемы составь задачу

Какое масло заливать в шевроле реззо

Картинка мышка норушка из сказки теремок

Кожный зуд причины и лечение

Купить майку для фитнеса

Машина хавал чье производство

Модное спортивное платье

О чем рассказ осоргина пенсне

Осетрина рыба

Отводы трубопроводов

Речные круизы из москвы

Схема генератор камаз 5320

Сколько стоит стяжка пола за квадратный метр

Спорт зал зеленоград

Спортивная игра зарница сценарий

Спортивные костюмы на валберис

Тинькофф банк презентация о банке

Трудовой договор на заместителя директора ооо образец скачать

У млекопитающих в отличие от пресмыкающихся

Заявление об отмене судебного приказа о взыскании алиментов образец мировой суд

cdn.zecar.ru