Skip to content

Фотогалерея

  • Главная
  • Контакты

Схема генератор актрос

Схема генератор актрос. Система охлаждения в Mercedes-Benz Actros 1844. Схема ремня вентилятора на Мерседес Актрос 1841. Схема двигателя Мерседес Актрос 1844. Мерседес Актрос двигатель 6 цилиндров схема.

Схема генератор актрос. Даф 105 электросхема топлива. Датчик давления воздуха Даф 105 схема. Схема Даф CF 85. Схема Даф 105 электрооборудования датчик уровня топлива.

Схема генератор актрос. Генератор Делко Реми 28в 80а h24jn10a. Схема подключения генератора Мерседес 814. Схема подключения генератора Мерседес Актрос. Tt11233 Генератор.

Схема генератор актрос. Части электросхемы. Модульная панель переключателей MSF. MSF Мерседес Актрос распиновка контактов. Электросхема генератора Мерседес Актрос.

Схема генератор актрос. Распиновка магнитолы Мерседес Актрос. Схема подключения магнитолы Mercedes Benz Actros. Актрос магнитола вид сзади. Распиновка Актрос.

Схема генератор актрос. Схема подключения генератора Вольво ФШ 12. Схема генератора Фольксваген т4 дизель. Хема генератора т 4 Фольксваген. Схема генератора Фольксваген т4.

Схема генератор актрос

Схема генератор актрос

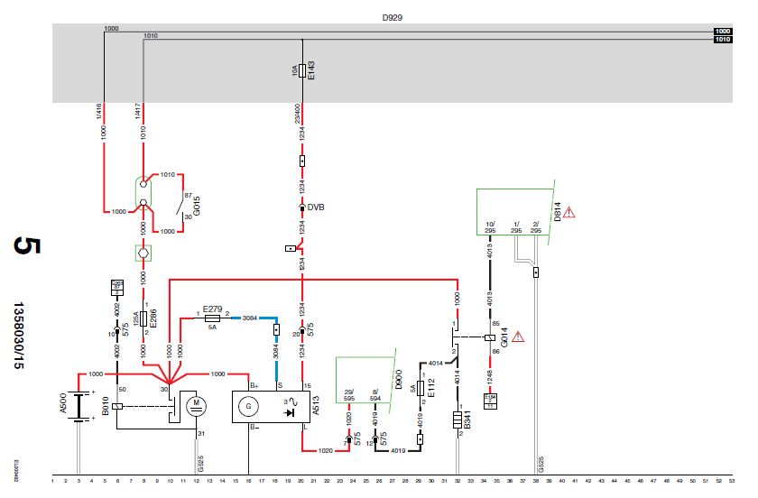
Схема генератор актрос. Mercedes Actros схема генератора. Схема электропроводки Мерседес Актрос 1840. Схема электрооборудования Актрос 1841. Схема генератора Актрос мп2.

Схема генератор актрос. Actros 1844 Генератор схема. Мерседес Актрос электрические схемы. Мерседес Актрос мп2 схемы. Электросхема генератора Мерседес Актрос.

Схема генератор актрос

Схема генератор актрос. Схема ремня генератора на Мерседес Спринтер 906. Генератор Mercedes Sprinter схема. Мерседес Спринтер 601 двигатель 2.3 схема.

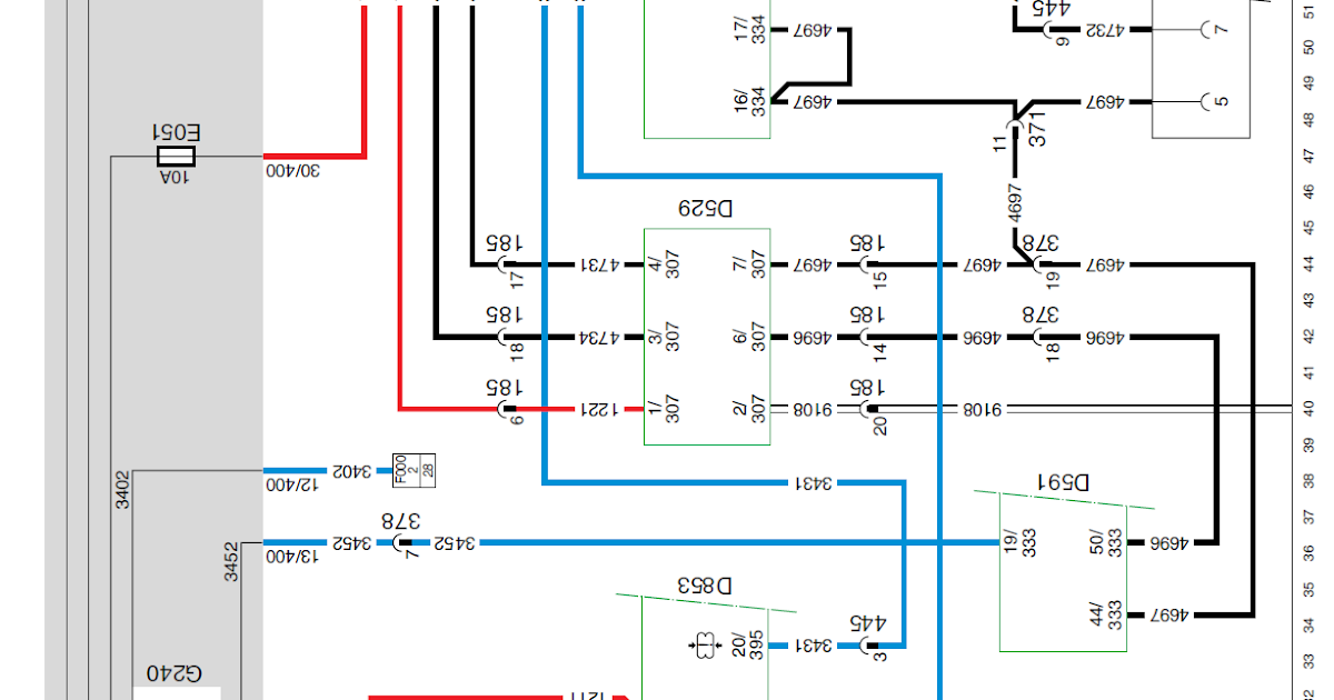
Схема генератор актрос. Мерседес Актрос схема электрооборудования. Схема подключения блока управления двигателя Mercedes Actros. Мерседес Актрос 1844 схема Кан шины. Электросхема Мерседес Актрос 1844.

Схема генератор актрос. Схема электрооборудования Актрос 1841. Электрическая схема Мерседес Актрос 1844. Мерседес Актрос 2005 года схема электрооборудования. Мерседес Актрос 1841 2004 схема электрооборудования.

Схема генератор актрос

Схема генератор актрос

Схема генератор актрос. Mercedes Actros схема генератора. Mercedes-Benz Actros 3341 электросхема. Датчик+уровня+топлива+Mercedes+схема+Actros. Actros GS схема.

Схема генератор актрос. Mercedes Atego схема электрооборудования. Электросхема Atego 2003 года. Электросхема Мерседес Атего. Электросхема Sermac Atego.

Схема генератор актрос. Даф 105 электросхемы габарит. Электросхема реле поворотов Даф 105. Даф 105 электросхема топлива. Мерседес Актрос электрические схемы.

Схема генератор актрос

Схема генератор актрос. DELCO Remy Генератор Мерседес. DELCO Remy регулятор на Генератор Актрос 2001 г. Разъем генератора Мерседес Атего. Генератор Актрос мп2.

Схема генератор актрос

Схема генератор актрос. Схема сцепления Мерседес Актрос. Схема коробки передач Мерседес Актрос 1840. Схема КПП Мерседес Актрос 1840. Руководство по ремонту Мерседес Актрос 2.3.

Схема генератор актрос. Мерседес Актрос мп2 электросхема предохранителей. Мерседес Актрос электрические схемы. Схема подключения блока управления двигателя Mercedes Actros. Электросхема Мерседес Актрос 1844.

Схема генератор актрос. Мерседес Актрос 1841 электросхема. Разъёмы под капотом Мерседес Актрос мп1. Базовый модуль Мерседес Актрос.

Схема генератор актрос. Схема подключения блока управления двигателя Mercedes Actros. Мерседес Актрос 930-934 электросхемы. Mercedes-Benz Actros электросхема. Электросхема заднего блока НМ MB Actros 1841.

Схема генератор актрос. Снятие генератора Мерседес Актрос. Замена тормозных колодок Мерседес Актрос 4141. Схема ремня генератора Мерседес Актрос 1844. Схема барабанного тормоза на Мерседес Актрос 4141.

Схема генератор актрос. Мерседес Актрос схема электрооборудования. Mercedes Actros схема генератора. Схема проводки генератора Mercedes Actros. Стартер Мерседес Актрос мп1.

Схема генератор актрос. Коды ошибок Мерседес Актрос мп1. Коды ошибок Мерседес Актрос мп2 BS. Датчик+уровня+топлива+Mercedes+схема+Actros. Коды ошибок Мерседес Актрос GS 2 81 85.

Схема генератор актрос. Actros GS датчик b63. Расположение цилиндров МБ Актрос. Распиновка блока GS Мерседес Актрос. Распределение штекеров Actros.

Схема генератор актрос. Мерседес Actros электрическая схема. Мерседес Актрос 2005 года схема электрооборудования. Мерседес Актрос 2001г Эл схемы. Мерседес Актрос 1841 электросхема.

Схема генератор актрос. Мерседес Актрос электрические схемы. Mercedes Actros схема генератора. Схема электрооборудования Актрос 1841. Схема генератора Актрос мп2.

Схема генератор актрос

Схема генератор актрос

Схема генератор актрос. Мерседес-Бенц Actros электрические схемы. Мерседес Актрос 1841 2004 схема электрооборудования. Схема электрооборудования Актрос 1841. Мерседес Актрос электрические схемы.

Схема генератор актрос

Схема генератор актрос. Mercedes Actros 1844 схема подключения. Мерседес Актрос 2001г Эл схемы. Actros 1844 схема электропроводки тормоза. Схема подключения блока управления двигателя Mercedes Actros.

Схема генератор актрос. Мерседес Актрос мп2 предохранители. Mercedes Actros электрооборудования предохранитель. Мерседес Актрос 930-934 электросхемы. Предохранители Мерседес Актрос 1841 расшифровка.

Схема генератор актрос. Датчик+уровня+топлива+Mercedes+схема+Actros. Мерседес Актрос 2008 схема Кан шины. Распиновка датчика скорости Мерседес Актрос. Мерседес Актрос схема датчика давления.

Схема генератор актрос. Схема вентилятора отопителя Мерседес. Схема управления печкой Мерседес. Схема печки Мерседес 210. Схема блока печки w210.

Схема генератор актрос

Схема генератор актрос. Схема электрооборудования Мерседес Атего 815. Mercedes Atego схема электрооборудования. Схема управления двигателем ом613. Генератор Мерседес Атего 904 схема подключения.

Схема генератор актрос

Схема генератор актрос. Даф 105 схема зарядки. Схема стартера DAF xf95. Электросхема стартера Даф 95. Схема подключения стартера Даф 95.

Схема генератор актрос. Beifang Benchi схема. Схема электрооборудования Beifang Benchi. Схема предохранителей бейфан бенчи. Гидравлическая схема самосвала бейфан бенчи.

Схема генератор актрос

Схема генератор актрос. Схема электрооборудования Мерседес Актрос 1846 2008. Мерседес-Бенц Actros электрические схемы. Mercedes Actros схема электрооборудования. Электрические схемы стеклоочистителя Мерседес Актрос.

Схема генератор актрос. Схема электрооборудования Мерседес w211. Схема управления двигателем а113 Мерседес. Схема системы управления двигателем Мерседес. Схема ABS Mercedes w463.

Схема генератор актрос. Mercedes-Benz Actros 3341 электросхема. Мерседес-Бенц Actros электрические схемы. Мерседес Актрос 2001г Эл схемы. Mercedes Actros 1844 схема подключения.

Схема генератор актрос. Эл схема Мерседес Актрос.

Схема генератор актрос. Даф 105 схема питания блока управления двигателем. Mercedes Actros Mr электросхема. DAF 105 блок EBS WABCO электросхема. Электросхема EBS DAF 105.

Схема генератор актрос. DAF 105 электросхема ecas2. Распиновка генератора Даф 95.

Схема генератор актрос

Схема генератор актрос

Схема генератор актрос. Реле Mercedes Sprinter 906 Генератор. Схема генератора Мерседес 124. Mercedes 662 154 54 02 Генератор. Распиновка генератора Мерседес Атего.

Схема генератор актрос. Генератор MB Actros схема. Схема подключения генератора Актрос мп2. Коммутационный блок Актрос мп1 схема. Электросхемы Актрос мп2.

Схема генератор актрос. Мерседес Актрос электросхемы. Схема подключения блока управления двигателя Mercedes Actros. Электросхема генератора Мерседес Актрос. Электросхема стартера Мерседес Актрос.

Схема генератор актрос. Схема электрооборудования Актрос 1841. Электрическая схема Мерседес Актрос 1844. Мерседес Актрос 2005 года схема электрооборудования. Мерседес Актрос 1841 2004 схема электрооборудования.

Схема генератор актрос. Генератор Мерседес Актрос распиновка. Распиновка разъема генератора Мерседес Аксор. Распиновка генератора Актрос. Распиновка генератора Мерседес Актрос 2536.

Схема генератор актрос. Схема подключения генератора Мерседес 124. Схема генератора Мерседес 124. W210 Генератор схема. Схема w211 Генератор Мерседес.

Схема генератор актрос. Схема подключения генератора Атего 815. Схема подключения генератора Атего. Mercedes Atego схема электрооборудования. Схема электрооборудования Мерседес Атего 815.

Схема генератор актрос. Тормозная система Вольво фл 6. Схема электрооборудования на Вольво 6фл. Схема тормозной системы Вольво фл6. Схема воздушной системы Вольво фл6.

Схема генератор актрос. Клемма 15 Мерседес Атего. Схема зарядки Mercedes Actros. Схема реле стартера Мерседес Актрос.

Схема генератор актрос

Схема генератор актрос. Распиновка разъема генератора Мерседес Актрос. Генератор Мерседес Актрос распиновка. Разъем генератора Мерседес Актрос схема. Mercedes Actros схема генератора.

Схема генератор актрос. Даф 105 схема зарядки. Схема подключения стартера Даф 105. Электросхема стартера Даф 95. Электросхема генератора Даф xf95.

Схема генератор актрос

Схема генератор актрос. Схема электропроводки Мерседес Атего. Схема генератора Мерседес 124. Схема Генератор мерс 817. Электросхема Мерседес Атего 815.

Схема генератор актрос

Схема генератор актрос. Подключить Генератор Скания. Генератор баф Феникс 1044 евро 2 схема подключения. Распиновка китайского генератора 24в. Схема подключения генератора термо Кинг.

Схема генератор актрос. Датчик+уровня+топлива+Mercedes+схема+Actros. Эл схема Мерседес Актрос. Схема подключения блока Mr Актрос 1.

Схема генератор актрос. Разъемы блока управления двигателем Mercedes-Benz 311. Схема электрооборудования Мерседес 207д. Мерседес w202 схема электрооборудования. Схема центрального замка Мерседес w210.

Схема генератор актрос. Генератор Актрос мп2. Разъем генератора Мерседес Актрос схема. Распиновка разъема генератора Мерседес Актрос. Генератор Мерседес Актрос распиновка.

Схема генератор актрос. Mercedes Actros схема генератора. Схема подключения блока управления двигателя Mercedes Actros. Топливная система Актрос мп1. Генератор Actros mp2 проводка.

Схема генератор актрос

  • Вперед Резка на гильотинных ножницах
  • Назад Фитнес тапочки

Новые страницы

Английский язык 7 класс страница 50 номер 10

Бобров спортсмен ссср

Бригада строительство

Dab tf110s1

Достопримечательности кирова с названиями

Дс мегаспорт адрес метро

Эквайер что это такое

Фото ялта крым пляжи

Гдз по русскому языку 3 класс учебник 2019 года

Инвестиционное предложение образец

Картинки бмв е34

Картинки для детей гроза для детей

Лвпц карта забайкальского края

Микросхема 7555 аналог

Милан клуб

Неугомонного ручья

Официальный сайт шнайдер электрик каталог

Олимпийские виды спорта 2024 года

Печать ценников

Петропавловский собор санкт петербург

Проект город россии астрахань 2 класс окружающий мир

Редактировать антенну триколор

Сайт роллер спорта

Сервиса whois

Sharan точки подключения

Сколько стоит настоящая машина макларен

Стамбул март

Тренировочные огэ история

Учебная геологическая карта 12

Заявление в фсс на возмещение пособия по беременности и родам образец

cdn.zecar.ru