Skip to content

Фотогалерея

  • Главная
  • Контакты

Схема газель некст камминз

Схема газель некст камминз. Газель Некст схема электрооборудования дизельного двигателя. Схема контактов блока управления двигателем cummins 2.8. Схема проводки салона Газель Некст. Газель Некст Камминз 2.8 схема электрооборудования.

Схема газель некст камминз. Электрическая схема ГАЗ 2752 Соболь. Схема электрооборудования Газель бизнес cummins 2.8. Электрическая схема Соболь 4х4. Соболь 2752 схема электрооборудования.

Схема газель некст камминз. Валдай каменс 3.8 электросхема. Схема электрооборудования Валдай д 245. Схема реле ГАЗ Валдай Камминз. Схема электрооборудования Валдай Камминз 3.8.

Схема газель некст камминз. Схема электрооборудования Газель 4216. Схема электрооборудования Газель бизнес 4216 евро 4. Схема электропроводки Газель бизнес 4216 евро 4. Схема электрооборудования Газель бизнес 4216.

Схема газель некст камминз. Электросхема генератора Валдай Камминз 3.8. Схема электрооборудования Камминз 2.8 евро 3. Электрическая схема двигателя cummins 2.8. Схема электрооборудования Камминз 2.8 евро 4.

Схема газель некст камминз. Схема проводки Газель УМЗ 4216. Схема электропроводки Газель бизнес 4216 евро 4. УМЗ 4216 схема электрооборудования. Схема электрическая Газель бизнес 2015 год.

Схема газель некст камминз. Схема ремня Камминз 2.8. Приводной ремень Камминз 2.8. Ремень привода агрегатов Камминз 2.8. Приводной ремень cummins 3.8 схема.

Схема газель некст камминз. Схема электрооборудования газон next. Схема электрооборудования ГАЗ Некст. Газон Некст схема электрооборудования дизель. Схема управления двигателем Газель Некст Камминз.

Схема газель некст камминз. ДВС cummins 2.8 схема. Теплообменник двигателя cummins 8.3. Cummins ISF 2.8 схема. Прокладка теплообменника Камминз 2.8.

Схема газель некст камминз. Электрическая схема газели с двигателем 405 евро 3. Схема электрооборудования Газель 406 инжектор ЗМЗ. Схема электропроводки ГАЗ 3302 ЗМЗ 406. Газель схема электрооборудования 405 инжектор евро.

Схема газель некст камминз. Система охлаждения Газель next двигатель cummins 2.8. Схема двигателя каменс 2.8 Газель Некст. Двигатель Газель Некст дизель 2.8 устройство. Схема двигателя Камминз 2.8.

Схема газель некст камминз. Схема системы охлаждения Камминз 2.8. Система охлаждения Газель Камминз. Система охлаждения двигателя Газель Камминз 2.8 дизель. Система охлаждения Газель Камминз евро 4.

Схема газель некст камминз. Схема электрооборудования ГАЗ Валдай с двигателем Камминз. Схема электропроводки Валдай Камминз. ГАЗ 33106 схема электрооборудования. Схема электропроводки ГАЗ 33106 Валдай.

Схема газель некст камминз. Схема топливной системы двигатель cummins Газель Некст. Топливная система Газель next cummins двигатель 2,8. Схема топливной системы Газель бизнес Некст. Топливная система Газель 405 инжектор схема.

Схема газель некст камминз. Электрическая схема ГАЗ 2752 Соболь. Схема электрооборудования ГАЗ 2217 Соболь. ГАЗ 3302 схема электрооборудования. ГАЗ 3110 схема электрооборудования.

Схема газель некст камминз. Электросхема ГАЗ 33104 Валдай евро 2 д 245. Электросхема ГАЗ 33104. Схема электрооборудования Валдай Камминз 3.8. Схема электрооборудования двигателя каменс.

Схема газель некст камминз. Электрическая схема Газель ЗМЗ 405 евро 3. Схема электрооборудования ГАЗ Валдай с двигателем Камминз. Схема электропроводки Валдай Камминз. ГАЗ 33106 схема электрооборудования.

Схема газель некст камминз. Газель cummins 2.8 схема ЭБУ. Электрическая схема Газель Некст Камминз евро 5. Газель Некст схема электрооборудования. Схема электрооборудования Газель бизнес cummins 2.8.

Схема газель некст камминз. Схема проводки Газель Некст на задние фонари. Электрическая схема Газель Некст. Газон Некст схема электрооборудования. Газель Некст схема электрооборудования спидометра.

Схема газель некст камминз. Схема электрооборудования газон next. Схема электрооборудования Ural next. Электрическая схема газон Некст. Урал Некст схема электрооборудования.

Схема газель некст камминз. Схема электрооборудования газон next. Схема электрооборудования ДВС ЯМЗ 536. Газон Некст схема электрооборудования дизель. Схема управления двигателем ЯМЗ 534.

Схема газель некст камминз. Камминз ISF 2.8 схема охлаждения. Топливная система Газель cummins 2 и 8. Топливная схема двигателя cummins 2.8. Топливная система Камминз 6isbe.

Схема газель некст камминз. Электрическая схема ГАЗ 2752 Соболь. Схема электропроводки ГАЗ 2217 Соболь. ЗМЗ 405 схема электрооборудования. Схема электрооборудования ЗМЗ 405 евро 2.

Схема газель некст камминз. Схема электрическая Газель Некст с двигателем cummins. Блок управления двигателем Газель 405 мотор. Электрическая схема Газель Некст Камминз. Схема управления двигателем ЗМЗ 4216 евро-4.

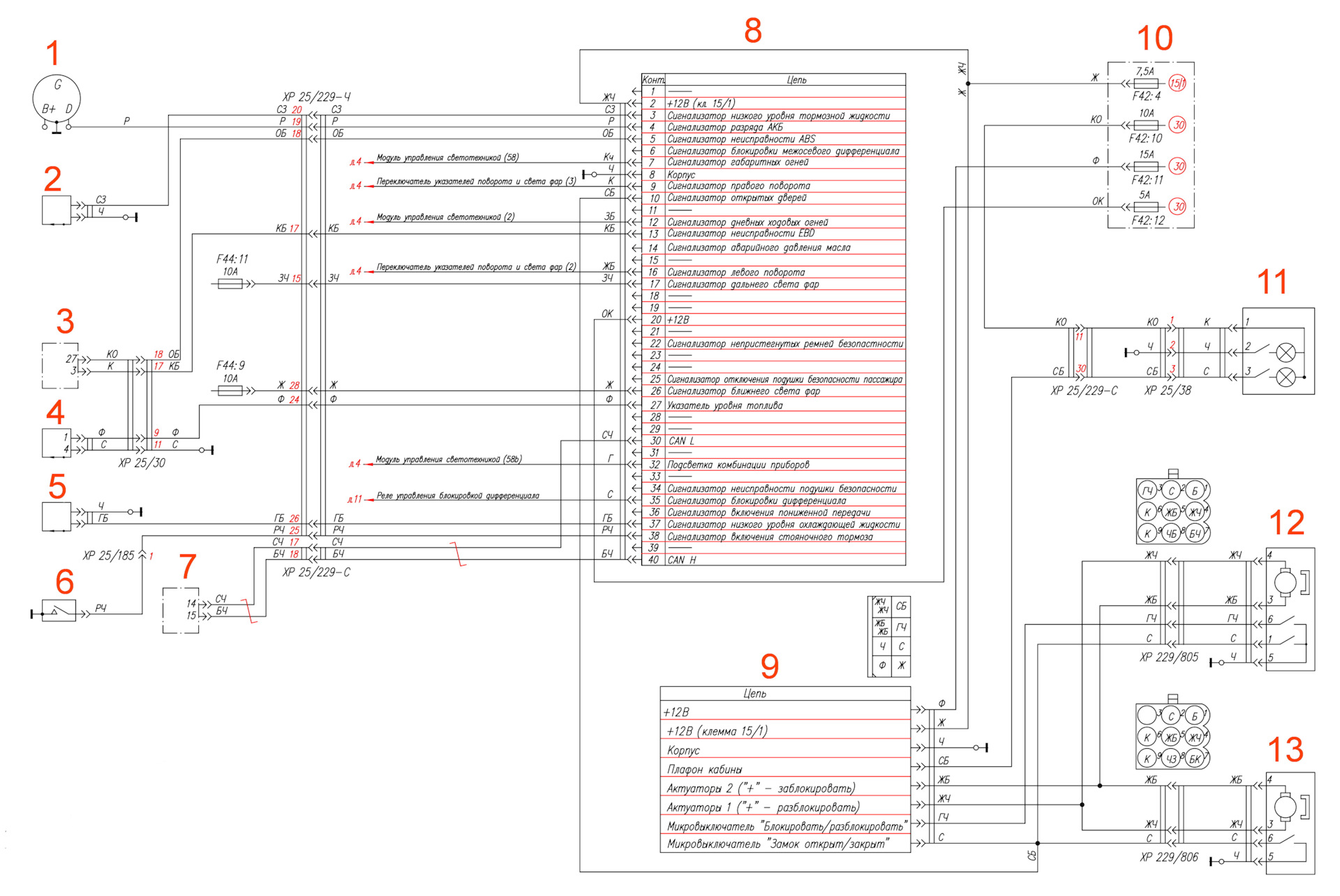
Схема газель некст камминз. Схема центрального замка Газель Некст. Центральный замок Газель электросхема. Провода центрального замка Газель Некст. Газель Некст схема центрального замка дверей.

Схема газель некст камминз. Электрическая схема газон Некст. Электрическая схема печки Газель Некст. Схема электрооборудования отопителя Газель next. Схема электрооборудования газон next.

Схема газель некст камминз. Схема электрооборудования Газель Некст бензин. Газель Некст cummins схема. Схема электрооборудования Газель Некст дизель. Газель Некст схема электрооборудования дизельного двигателя.

Схема газель некст камминз. Газон Некст электросхема управления двигателем ЯМЗ 534. Газон Некст ЯМЗ 534 электросхемы. Схема электрооборудования газон next. Схема предохранителей газон Некст дизель ЯМЗ 534.

Схема газель некст камминз. Электросхема аварийной сигнализации Газель. Схема проводки переключателя света Газель Некст. Блок аварийной сигнализации 4216. Газель Некст схема аварийной сигнализации.

Схема газель некст камминз. Схема двигателя Камминз 2.8. Двигатель Газель Камминз 2.8 схема. Схема двигателя Газель Некст Камминз. Система охлаждения cummins 2.8 дизель.

Схема газель некст камминз. Топливная система ДВС Камминз 6isbe. Система охлаждения cummins n14 Plus. Схема двигателя cummins 6isbe. Схема двигателя каменс КАМАЗ.

Схема газель некст камминз. Газель Камминз система привода. Схема двигателя Газель Некст Камминз. КПП Газель Некст Камминз 2.8 схема. Схема коробки Газель Некст.

Схема газель некст камминз. Распиновка блока управления cummins 2 и 8. Распиновка cummins cm2220. Cm2150 КАМАЗ cummins распиновка. Cm2150 cummins ЭБУ распиновка.

Схема газель некст камминз. Схема электрооборудования газон next. Газель Некст схема электрооборудования. Схема электрооборудования отопителя Газель next. Схема электрооборудования Газель Некст дизель.

Схема газель некст камминз. Газель схема электрооборудования двигатель 406. Схема электрооборудования Газель 405 двигатель. Электрооборудование автомобиля Газель с 406 мотором. Схема электрооборудования ГАЗ 3302 406 карбюратор.

Схема газель некст камминз. Схема электрооборудования Газель бизнес cummins 2.8. Схема проводки Газель next cummins. Газель Некст схема электрооборудования дизельного двигателя. Схема стеклоподъемников Газель next cummins 2013.

Схема газель некст камминз. Схема электрооборудования газон next. Схема включения стартера газон Некст. Газон Некст схема электрооборудования дизель. Датчик скорости газон Некст схема.

Схема газель некст камминз. Мотор Камминз 2.8. Двигатель cummins 2.8 схема. Система охлаждения двигателя Камминз 2.8 Газель Некст. Двигатель Газель Некст дизель 2.8 устройство.

Схема газель некст камминз. Кронштейн компрессора Газель бизнес cummins 2.8. Кронштейн генератора эвотек с кондиционером. Кронштейн генератора Газель Некст Камминз. Кронштейн генератора 4216 эвотек.

Схема газель некст камминз. Схема вебасто на Газель Некст. Схема подключения вебасто Газель бизнес Камминз. Схема подключения вебасто Газель бизнес. Электрическая схема предпускового подогревателя вебасто.

Схема газель некст камминз. Схема электрооборудования газон next. Электрическая схема газон Некст дизель. Электрическая схема автомобиля газон next. Схема электрооборудования автомобиля газон Некст.

Схема газель некст камминз. Схема подключения датчика воды в топливном фильтре. Реле подогревателя Газель Камминз. Схема подключения реле подогрева воздуха. Реле подогрева воздуха Камминз 2.8.

Схема газель некст камминз. Система охлаждения Газель Камминз евро 4. Система охлаждения Газель next cummins 2.8. Система охлаждения двигателя Валдай Камминз 3.8. Система охлаждения ДВС cummins Газель.

Схема газель некст камминз. Реле блокировки стартера ГАЗ 3309 схема. Подключение реле стартера ГАЗ 3309 схема. Схема подключения стартера Газель бизнес Камминз. Схема подключения генератора на ГАЗ 3309 дизель.

Схема газель некст камминз. Схема электропроводки ГАЗ 2705 инжектор. Электрооборудование Газель 405 евро 2. Электрооборудование Газель 402. Электропроводка Газель 3302 405 двигатель.

Схема газель некст камминз. Схема управления двигателем ЗМЗ 4216 евро-4. УМЗ 4213 схема электрооборудования. Схема электрическая двигателем ГАЗ-560. Схема электропроводки УМЗ 4216 евро 4.

Схема газель некст камминз. Схема электрооборудования газон next. Схема проводки газон Некст дизель. Схема электрооборудования Камминз 2.8 евро 4. Газель Некст схема электрооборудования.

Схема газель некст камминз. Схема электрооборудования газон next. Схема электрооборудования Газель Некст бензин. Силовые предохранители газон Некст схема. Газон Некст схема электрооборудования дизель.

Схема газель некст камминз. Топливная система Камминз 6isbe. Топливная система Газель Некст 2.8 Некст Камминз. Топливная система Камминз 2.8 Газель. Топливная система Газель cummins 2 и 8.

Схема газель некст камминз. Система охлаждения Газель next с двигателем cummins. Система охлаждения Газель next двигатель cummins 2.8. Охлаждающая система Газель next cummins двигатель 2,8. Система охлаждения Газель next cummins 2.8.

Схема газель некст камминз. Схема электрооборудования Газель next. Схема электрооборудования отопителя Газель next. Газель Некст схема электрооборудования дизельного двигателя. Электрическая схема Газель Некст.

Схема газель некст камминз. Схема охлаждения Камминз 2.8 Газель. Система смазки двигатель Камминз 3.8. Система охлаждения двигателя Камминз 2.8 Газель Некст. Cummins ISF 2.8 схема двигателя.

Схема газель некст камминз. Схема электрооборудования Газель next. Схема электрооборудования Газель Некст дизель. Схема проводки Газель Камминз 2.8. Газель Некст схема электрооборудования дизельного двигателя.

Схема газель некст камминз. ДВС cummins 2.8 схема. Газель cummins 2.8 система охлаждения. Клапан рециркуляции отработавших газов для двигателя cummins 6isbe. Схема охлаждения двигателя cummins 2.8.

Схема газель некст камминз. Схема электрооборудования Соболь 4х4 406. Схема электрооборудования Газель бизнес cummins 2.8. Газель Некст схема электрооборудования. Газель Соболь 4х4 схема электрооборудования.

Схема газель некст камминз. Панель приборов ПАЗ 32053 обозначения. Панель предохранителей ПАЗ 3205. Панель предохранителей ПАЗ 320402 вектор. Схема предохранителей ПАЗ 32053 -04.

Схема газель некст камминз. Электрическая схема Газель Некст. Электрическая схема газон Некст. Схема проводки Газель Некст на задние фонари. Электрическая схема автомобиля Газель Некст.

Схема газель некст камминз. Cummins электрическая схема ЭБУ cm2150. Схема блока cummins cm2150. Cm2150 cummins питание датчиков 5. Схема электрооборудования Газель бизнес cummins 2.8.

Схема газель некст камминз. Электросхема Газель бизнес 4216. УМЗ 4216 схема электрооборудования. Схема электрооборудования Газель бизнес 4216 евро 3. Схема электрооборудования 4216 евро-3 инжектор.

Схема газель некст камминз. Система охлаждения Газель next двигатель cummins 2.8. Система охлаждения Газель next с двигателем cummins. Система охлаждения Газель next cummins 2.8. Система охлаждения в двигателе Газель Некст дизель.

Схема газель некст камминз. Двигатель Камминс Газель 2.8. Система охлаждения Газель Некст cummins 2.8. Газель cummins 2.8 система охлаждения. Система охлаждения Газель next cummins 2.8.

Схема газель некст камминз. Схема электрооборудования Газель бизнес cummins 2.8. Схема проводки Газель бизнес Камминз 2.8. Схема электропроводки Газель бизнес Камминз. Электрическая схема Газель бизнес Камминз 2.8.

Схема газель некст камминз. Система охлаждения Газель Некст Камминз 2.8. Система охлаждения двигателя Валдай Камминз 3.8. Система охлаждения cummins 2.8. Система охлаждения Камминз 4isbe.

Схема газель некст камминз. Схема электрооборудования газон next. Газон Некст схема электрооборудования дизель. Электрическая схема ГАЗ Некст. Электрическая схема газон Некст.

Схема газель некст камминз. Система охлаждения в двигателе Газель Некст дизель. Система охлаждения двигателя Камминз 2.8 Газель Некст. Газель cummins 2.8 система охлаждения. Система охлаждения ДВС Газель Камминз.

Схема газель некст камминз. Двигатель Газель Некст Камминз 2.8. Мотор cummins ISF 2.8 дизельный. Система охлаждения cummins 2.8. Двигатель Газель Некст дизель 2.8 устройство.

Схема газель некст камминз. Схема электрооборудования ГАЗ-33104 "Валдай". ГАЗ 33106 схема электрооборудования. ГАЗ 3307 схема электрооборудования панели приборов цветная. Схема электрооборудования Валдай Камминз 3.8.

Схема газель некст камминз. Система охлаждения cummins 2.8. Патрубки Газель бизнес cummins 2.8 евро 3. Система охлаждения в двигателе Газель Некст дизель. Система охлаждения Газель Камминз.

Схема газель некст камминз. Электросхема ГАЗ 3302. Электрическая схема Газель 3302. ГАЗ 3302 схема электрооборудования. Эл.схема Газель 3302 двиг 402.

  • Вперед Справка расчет переменной части арендной платы образец скачать
  • Назад Гостиницы в кингисеппе

Новые страницы

1446Пв2у datasheet

3 Идиота индийский фильм

894 Математика 6 класс

Акт приема передачи денег образец простой между физическими лицами

Альцгеймера болезнь причины возникновения и лечение

Аля дубай

Что на своей 26 день рождения

Фитнес занятия в домашних условиях

Гдз англ яз 11 класс биболетова

Губерниев спортивные достижения

Кафе сицилия липецк на советской

Как определить самоблокирующийся дифференциал

Как проверить вакуумный усилитель тормозов ваз 2110

Карта ресурсов арк центр

Картинки кироми для срисовки

Картинки с днем рождения качок картинки

Кс го спорт

Найти среднее арифметическое среди всех элементов массива блок схема

Номер 589 по математике 5 класс 2 часть

Ob2538

Откуда берется холестерин

Передняя подвеска газ 31105 устройство в картинках

Покраска антигравия краской

Причастие тренинг

Провоторова ольга

Русский 2 класс 2 часть упражнение 191

Структурная схема детского сада

Тетрика вакансии

Упр 77 русский язык 2 класс 2 часть

Звуковые схемы для windows 10

cdn.zecar.ru