Skip to content

Фотогалерея

  • Главная
  • Контакты

Схема фонарик 18650

Схема фонарик 18650

Схема фонарик 18650. Светодиодный фонарь 18650 схема. Схема светодиодного фонарика на аккумуляторе 18650. Схема налобного фонаря с аккумулятором 18650. Схема led фонарика на 18650.

Схема фонарик 18650. Схема подключения контроллера заряда. Схема включения контроллера заряда солнечной батареи. Модуль для зарядки 18650 от солнечных панелей. Схема зарядки батарейки от солнечной панели.

Схема фонарик 18650. Схема подключения 18650 к солнечной батарее. Схема для зарядки батареек 1,5в от солнечной панели. Схема заряда от солнечной батареи аккумуляторов 18650. Схема подключения АКБ К плате питания.

Схема фонарик 18650

Схема фонарик 18650. Схема включения налобного светодиодный фонарь. Схема налобного светодиодного фонаря от 3 батареек. Принципиальная схема светодиодного фонаря с аккумулятором. Схема светодиодного фонарика на аккумуляторе с зарядкой.

Схема фонарик 18650

Схема фонарик 18650. Ардуино с контроллером заряда 18650. Tp4056 параллельное соединение для зарядки двух аккумуляторов 18650. Схема зарядки двух аккумуляторов 18650 Соединенных последовательно. Схема подключения на ардуино аккумуляторов 18650.

Схема фонарик 18650

Схема фонарик 18650. Схема включения налобного светодиодный фонарь. Схемы налобных светодиодных фонарей. Схема налобного светодиодного фонаря от 3 батареек. Схема светодиодного фонарика на аккумуляторе 18650.

Схема фонарик 18650

Схема фонарик 18650. Преобразователь для светодиода от 1.5 вольт. Фонарь Фотон РВ-0303 схема. Преобразователь для светодиода от 1.5 вольт на транзисторе. Преобразователь для лампочки 220 вольт от батарейки.

Схема фонарик 18650. Зарядка аккумулятора 3.7 вольт. Схема заряда аккумулятора 3.7 вольта. Схема зарядки аккумуляторов 3.7 вольт. Контроллер зарядки на 3.7 вольта.

Схема фонарик 18650. Схема зарядного устройства для li-ion аккумуляторов 3.7в. Схема зарядного устройства с индикацией заряда. Схема зарядного устройства для li-ion аккумуляторов 12в. Зарядное устройство для li-ion аккумуляторов 18650 схема.

Схема фонарик 18650. Схема подключения светодиода от батарейки 1.5 v. Схема преобразователя для светодиодного фонарика. Схема экономичного светодиодного фонарика 5v. Светодиодный фонарик схема электропитания.

Схема фонарик 18650. Tp4056 внутренняя схема. Тр4056 контроллер разряда схема. Тп4056 схема подключения. Tp4056 pinout.

Схема фонарик 18650. Схема подключения светодиодов к батарейке 3v. Резистор для светодиода 5 вольт. Схема подключения светодиода к батареи. Схема подключения светодиода к 5 вольтам.

Схема фонарик 18650. Переделка фонарика на литиевые аккумуляторы 18650 6 вольт. Переделка светодиодного фонаря 18650. Переделка фонарика под аккумуляторы 18650. Контроллер заряда для 18650 аккумуляторов для фонариков.

Схема фонарик 18650. Драйвер светодиода от li-ion аккумулятора. Схема светодиодного фонаря на аккумуляторе 18650. Стабилизатор тока для фонарика на 18650. Схема фонарика на аккумуляторе 18650.

Схема фонарик 18650. Схема включения налобного фонарика. Фонарь налобный аккумуляторный 18650 схема подключения. Схема включения налобного светодиодный фонарь. Схема подключения налобного фонарика аккумуляторного.

Схема фонарик 18650. Tp4056 DC-DC преобразователь повышающий. DC-DC повышающий модуль tp4056. Mt3608+tp4056. Модуль DC-DC повышающий USB + плата заряда li-ion 18650.

Схема фонарик 18650. Переделка фонарика на литий 18650. Переделка фонаря на литиевые аккумуляторы 18650. Фонарь яркий Луч аккумуляторный переделка на литий. Переделка фонаря на литиевые аккумуляторы 18650 схема.

Схема фонарик 18650. Схема светодиодного фонарика на аккумуляторе 18650. Схема светодиодного фонаря на аккумуляторе 18650. Схема фонаря на светодиодах с аккумулятором 18650. Светодиодный фонарь 18650 схема.

Схема фонарик 18650. Переделка светодиодного фонаря 18650. Переделка светодиодного фонаря под 18650. Фонарь светодиодный 18650 USB. Схема светодиодного фонарика на аккумуляторе 18650.

Схема фонарик 18650. Схуьа индикатора заряда литионных аккумуляторов. Схемы заряда литий-ионных аккумуляторов. Схемы зарядок для литиевых аккумуляторов. Контроллер заряда аккумулятора 18650 схема.

Схема фонарик 18650

Схема фонарик 18650

Схема фонарик 18650. Китайский налобный фонарь с аккумулятором 18650 схема. Схема налобного фонаря с аккумулятором.

Схема фонарик 18650. Схема зарядки ионистора (суперконденсатора). Схема индикатора зарядки фонарика. Схема светодиодного фонарика на аккумуляторе 18650. Схема китайского светодиодного фонарика с зарядкой от USB.

Схема фонарик 18650. Схема подключения налобного фонарика. Китайский налобный фонарь с аккумулятором 18650 схема. Электрическая схема налобных светодиодных фонариков. Схема налобного фонаря с аккумулятором 18650.

Схема фонарик 18650. Схема экономичного светодиодного фонарика. Схема светодиодного фонаря на аккумуляторе 18650. Драйвер светодиодного фонарика схема. Светодиодный фонарь 18650 схема.

Схема фонарик 18650. Самозапитка светодиода схема. Схема фонаря яркий Луч la 1w. Схема БТГ фонарика. Самозапитка аккумулятора схема.

Схема фонарик 18650. Схема налобного фонаря с аккумулятором 18650. Схема подключения китайского налобного фонарика. Схема китайского фонарика с аккумулятором 18650. Схема фонарика на аккумуляторе 18650.

Схема фонарик 18650. Схема включения налобного светодиодный фонарь. Схема налобного фонарика на аккумуляторах 18650. Схема подключения налобных светодиодных фонариков. Драйвер светодиодного фонарика схема.

Схема фонарик 18650. Схема включения контроллера заряда литий ионных аккумуляторов. Модуль заряда li-ion аккумуляторов схема. Контроллер заряда li-ion аккумулятора 3.7v схема. Tp4056 ток заряда резистор.

Схема фонарик 18650. Ltc4054 (stc4054. Схема зарядки литий ионных аккумуляторов 12в. Схема китайских зарядок для литиевых аккумуляторов. Зарядка на ltc4054.

Схема фонарик 18650. Схемы зарядок для литиевых аккумуляторов. Схема китайского зарядного устройства для li-ion аккумуляторов. Схема заряда батареи li-ion аккумуляторов. Схемы ЗУ для литий-ионных аккумуляторов.

Схема фонарик 18650. Схема фонаря на светодиодах с аккумулятором 3.7 в. Схема налобного светодиодного фонаря от 3 батареек. Светодиодный фонарик схема соединения проводов. Фонарь налобный аккумуляторный 18650 схема подключения.

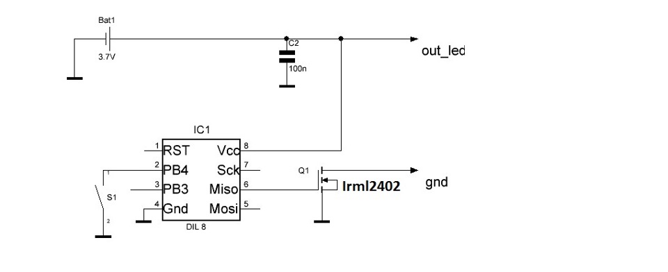
Схема фонарик 18650. Светодиодный фонарь на attiny13. Налобный фонарик на attiny13. Схема светодиодного фонарика на аккумуляторе 18650. Схема светодиодного фонарика с микроконтроллером.

Схема фонарик 18650. Схема светодиодного фонаря на аккумуляторе 18650. Схема фонарика на аккумуляторе 18650. Схема налобного фонаря с аккумулятором 18650 на светодиодах. Схема китайского фонарика с аккумулятором 18650.

Схема фонарик 18650. Схема преобразователя для светодиода от батарейки 1.5. Yx8115 схема китайского фонаря. Схема включения светодиода от 1.5 вольт. Yx8115 преобразователь схема.

Схема фонарик 18650. Переделка светодиодного фонаря на литий 18650. Переделка фонаря на литиевые аккумуляторы 18650. Переделка светодиодного фонаря под 18650. Переделка фонаря на литиевые аккумуляторы 18650 схема.

Схема фонарик 18650. Светодиодный драйвер на микросхеме и транзисторе. Схема драйвера светодиодного фонаря. Повышающий драйвер для светодиодов от 3.7 вольт. Схема подключения мощного светодиода фонаря.

Схема фонарик 18650. Схема подключения литий ионных аккумуляторов. Схемы ЗУ от солнечных батарей 3.7. Схема для зарядки батареек 1,5в от солнечной панели. Контроллер заряда li-ion аккумулятора от солнечной батареи.

Схема фонарик 18650. Схема подключения китайского налобного фонарика. Налобный фонарь с аккумулятором 18650 схема подключения. Схемы налобных светодиодных фонарей. Схема налобного фонарика на аккумуляторах 18650.

Схема фонарик 18650. Драйвер светодиодного фонарика схема. Схема включения налобного фонарика.

Схема фонарик 18650. Контроллер заряда на dw01. 8205s контроллер литий-ионного аккумулятора. Контроллер заряда 8205а. Контроллер заряда литий ионных аккумуляторов для телефона.

Схема фонарик 18650

Схема фонарик 18650. Схема для зарядки батареек 1,5в от солнечной панели. Схема переключения аккумулятор зарядка. Зарядка телефона от солнечной батареи схема. Контроллер заряда аккумулятора 12 вольт своими руками схема.

Схема фонарик 18650

Схема фонарик 18650. Модуль зарядки li-ion аккумулятора 18650 схема. Плата зарядки для литиевых аккумуляторов 18650 схема соединения. Схема зарядки для двух литиевых аккумуляторов 18650. Плата зарядки li-ion аккумулятора схема подключения.

Схема фонарик 18650. Питание ардуино нано от батарейки ICR 18650. 18650 Аккумулятор питание ардуино. Питание Arduino от 18650. Схема питания от 2 литий ионных аккумуляторов.

Схема фонарик 18650. Схемы заряда литий-ионных аккумуляторов. Схема зарядки батареи литий ионных аккумуляторов 18650. Плата для зарядки литий-ионных аккумуляторов 18650. Tp4056 зарядка 2s.

Схема фонарик 18650. Модуль зарядки tp4056 схема. Модуль зарядки li-ion аккумулятора 18650. Модуль зарядки ТП 4056. BMS 2 S схема включения.

Схема фонарик 18650

Схема фонарик 18650

Схема фонарик 18650. Схема подключения драйвера для светодиодов. Драйвер светодиода фонарика схема. Драйвер китайского фонарика схема. Драйвер для 1 ваттного светодиода своими руками.

Схема фонарик 18650. 18650 Аккумулятор питание ардуино. Tp4056 Солнечная панель. Плата зарядки аккумулятора 18650 от солнечной батареи. Модуль для зарядки 18650 от солнечных панелей.

Схема фонарик 18650

Схема фонарик 18650

Схема фонарик 18650. Mini Street Light using tp4056 Board. Модуль для зарядки 18650 от солнечных панелей. Солнечная панель Arduino 18650. Зарядка литий ионных аккумуляторов от солнечных батарей.

Схема фонарик 18650

Схема фонарик 18650

Схема фонарик 18650. Контроллер заряда li-ion аккумулятора 4056. Tp4056 контроллер заряда. Модуль контроллера заряда tp4056 схема. Зарядка li-ion аккумуляторов схема.

Схема фонарик 18650

Схема фонарик 18650

Схема фонарик 18650. Линейный стабилизатор тока на 350 ма amc7135. Amc7135 схема включения. Стабилизатор напряжения 12в для светодиодов схема. Микросхема стабилизатор тока 350ма.

Схема фонарик 18650. Схема подключения мощного светодиода фонаря. Схема преобразователей для питания светодиодов на мс34063. Схемы инверторов для светодиодных ламп. Драйвер импульсный стабилизатор тока для светодиодов схема.

Схема фонарик 18650. Схема зарядки двух аккумуляторов 18650. Аккумуляторы li-ion схема параллельного соединения. Схема зарядки 2s аккумулятора. Зарядка последовательно Соединенных аккумуляторов 12в.

Схема фонарик 18650. Схема контроллера заряда телефонного аккумулятора. Контроллер АКБ телефона схема. Схема контроллера заряда аккумулятора сотового телефона. Схема контроллера литий-ионного аккумулятора мобильного телефона.

Схема фонарик 18650. Схема налобного фонарика на аккумуляторах 18650. Драйвер светодиодного фонарика схема. Драйвер для фонарика на attiny13. Налобный фонарь с аккумулятором схема подключения.

Схема фонарик 18650. Lm358 зарядка li-ion. Светодиодный фонарь 18650 схема. Lm393 схема заряда аккумулятора. Схема li-ion Battery Charger.

Схема фонарик 18650. Схема налобного фонарика на аккумуляторах 18650. Схема налобного фонаря с аккумулятором. Китайский налобный фонарик с аккумулятором схема. Схема включения налобного светодиодный фонарь.

Схема фонарик 18650. Налобный фонарь с аккумулятором схема подключения проводов. Фонарь трофи tsp12 схема. Принципиальная схема светодиодного фонаря с аккумулятором. Схема налобного светодиодного фонаря от 3 батареек.

Схема фонарик 18650

Схема фонарик 18650. Переделка фонарика на аккумулятор li-ion 18650. Переделка фонаря на литиевые аккумуляторы 18650 и светодиод. Igoran переделка фонарика. Переделка фонаря на литиевые аккумуляторы схема.

Схема фонарик 18650. Схема светодиодного фонарика на аккумуляторе 18650. Светодиодный фонарь 18650 схема. Схемы налобных светодиодных фонарей.

Схема фонарик 18650

Схема фонарик 18650. Схема cx2812. Схема налобного фонарика на аккумуляторах 18650. Схема включения налобного фонарика. Китайский налобный фонарь с аккумулятором 18650 схема.

Схема фонарик 18650. Китайский налобный фонарь с аккумулятором 18650 схема. Схема налобного фонарика на аккумуляторах 18650. Схема светодиодного фонарика на аккумуляторе 18650. Схема драйвера светодиодного фонаря.

Схема фонарик 18650. Схема фонарика на светодиодах с зарядкой от USB. Светодиоды SMD 5730 схема подключения. Схема фонарика на светодиодах на батарейках. Схемы подключения светодиодов от аккумулятора.

Схема фонарик 18650. Контроллер заряда li-ion аккумулятора 3.7v схема. Модуль зарядки li-ion аккумулятора 18650 схема. Схема подключения зарядки li-ion аккумулятора. Плата зарядки литий ионных аккумуляторов 4056.

Схема фонарик 18650. Схема светодиодного фонарика на аккумуляторе с зарядкой. Схема фонарь аккумуляторный светодиодный зарядка от 220в. Фонарь космос accu9199 led схема. Питание светодиода от батарейки 1.5 v.

Схема фонарик 18650

Схема фонарик 18650. Схема yx8018 параметры. Схема садового фонаря с ana6180. Yx8018b схема с солнечной батареей. Схема садовый фонарь на солнечной батарее на yx8018.

  • Вперед Алгебра 9 кл гдз
  • Назад Адиабатический увлажнитель

Новые страницы

Блиновская психолог

Человек находит время для всего чего действительно хочет картинки

Доверенность на получение зарплаты на карту другого человека образец

Эмблемы китайских

Фитнес парк новосибирск сакко и ванцетти

Фотообои на заказ по своему фото

Исковое заявление о признании права собственности на гараж в порядке наследования образец

Карта осадков в самарской области на сегодня в реальном времени со спутника

Карту схем города екатеринбурга

Министерство спорта федеральные стандарты

Неисправность ваз

Отдых на ольхоне цены

Отель коринтия на невском

Паспорт обеспечения транспортной безопасности транспортного средства образец

Первая схема метро москвы

Подключение gps к магнитоле

Разборка рено в гомеле герцена

С днем рождения андрей иванович картинки прикольные

Сантехник бердск

Схема государственный бюджет 8 класс обществознание

Схема симисторного регулятора мощности для индуктивной нагрузки

Схема тахометра ваз

Шоколадница ближайшая

Составьте схемы словосочетаний определите тип связи

Стучат дятлы жужжат шмели и пчелы

Тарахтит двигатель на холостых оборотах

Задача 9 класс алгебра

Замена распредвала на ниве

Заявление о снятии с учета в фсс в качестве работодателя ип 2023 бланк образец заполнения

Заявление в суд о сохранении прожиточного минимума на иждивенцев образец заявления как написать

cdn.zecar.ru