Skip to content

Фотогалерея

  • Главная
  • Контакты

Схема электросчетчика меркурий 200

Опрос и схема подключения электросчетчика Меркурий 200. Технические ...

Счётчик электроэнергии меркурий: схемы подключения, конструкция ...

Все об электросчетчике «Меркурий» 200: инструкция, монтаж, снятие показаний

Электросхема электронного счетчика меркурий

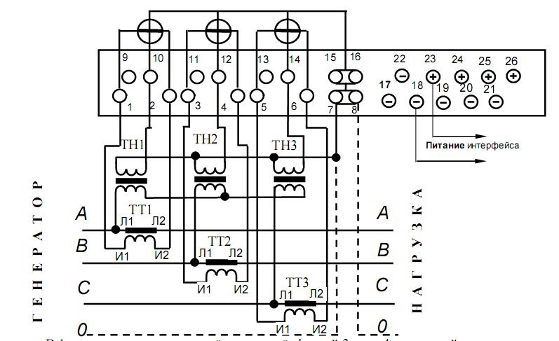
Схема подключения электросчетчика меркурий 3х фазного

Как снять показания счетчика Меркурий 200

Схема подключения двухфазного счетчика меркурий на улице в ящике: схема ...

Схема подключения электросчетчика меркурий – Пошаговая инструкция по ...

Как снять показания счетчика Меркурий 200

Как снять показания счетчика Меркурий 200

Схема подключения электросчетчика меркурий – Пошаговая инструкция по ...

Все схемы подключения счетчиков Меркурий

Электросчетчики \"Меркурий\": Схемы подключения электросчетчиков Меркурий ...

Счетчик меркурий - обзор современных моделей, схема подключения ...

Счетчик меркурий - обзор современных моделей, схема подключения ...

Схема подключения электросчетчика меркурий – Пошаговая инструкция по ...

Счётчик электроэнергии меркурий: схемы подключения, конструкция ...

Подключение аскуэ электросчетчика меркурий 200

Как снять показания счетчика Меркурий 200

Схема подключения счетчика меркурий 230 art 03 pqrsidn

Как снять показания с счетчика \"меркурий 200\": описание, способы и отзывы

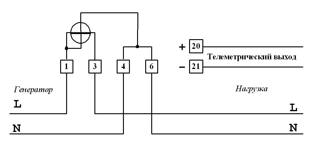
Схема подключения с однофазным счетчиком меркурий 201

Подключение однофазного счетчика электроэнергии своими руками

Электросчетчики \"Меркурий\": Использование лимитов. Отключение нагрузки ...

Меркурий 230. Схемы подключения счетчика - Счетчики учета электрической ...

Электросчетчики \"Меркурий\": Схемы подключения электросчетчиков Меркурий ...

Схема подключения электросчетчика меркурий 3х фазного

Электросчетчики \"Меркурий\": Как подключить и опросить электросчетчик

Счетчик Электроэнергии Mercury 200 Инструкция - investorspecification

Электросчетчики \"Меркурий\": Меркурий-200

Опрос и схема подключения электросчетчика Меркурий 200. Технические ...

Как снять показания с счетчика \"меркурий 200\": описание, способы и отзывы

Подключение аскуэ электросчетчика меркурий 200

Пошаговая инструкция по установке электросчетчика меркурий 201 ...

  • Вперед Бобровая хатка снегирев план
  • Назад Ce265a

Новые страницы

Александровский сад сауна франция

Алгебра 7 класс номер 1028 ответ

Бокорезы с победитовыми насадками ин 0004

Датчик температуры трехконтактный распиновка

Делитель напряжения на конденсаторах

F разъем для кабеля rg 11 накручивающийся с пином

Фитнес в электростали с бассейном

Фн12

Гдз по математике 4 класс 2 часть моро стр 5

Информированное добровольное согласие на проведение телемедицинской консультации образец заполнения

Какие таблетки при гайморите

Моменты в спорте

Московские заборы ру

Нагреватель масла в картере

Перенос модуля зажигания ваз 2114

Пневмония микоплазма симптомы и лечение

Подключение генератора камаз 6520

Презентация цветная металлургия 9 класс география полярная звезда

Радиосхема

Схема драйвера лампы

Схема электросчетчика меркурий 200

Sop корпус

Сумерки проверочное

Связать шапочку описание и схемы

Ул московская 15 минск карта

Упр 539 6 класс русский

Вентиль шаровой

Вентилятор в ванную с обратным клапаном

Заполнение оквэд для фсс образец заполнения

Журнал телефонограмм образец форма

cdn.zecar.ru