Skip to content

Фотогалерея

  • Главная
  • Контакты

Схема диммера на симисторе

Схема диммера на симисторе. Диммер для светодиодных ламп 220в схема электрическая принципиальная. Диммер для электродвигателя 220 вольт схема. Регулятор напряжения на симисторе bta16 схема. Диммер для ламп накаливания 220в схема.

Схема диммера на симисторе. Диммер для светодиодных ламп схема принципиальная. Схема регулятора яркости ламп накаливания. Регулятор мощности на симисторе bt136-600e схема. Схема диммера для ламп накаливания.

Схема диммера на симисторе. Регулятор напряжения 220в схема на симисторе BTA. Регулятор мощности на симисторе вта16-600. Симисторный регулятор мощности 5000вт 220в схема. Схемы регуляторов мощности для паяльников на симисторах.

Схема диммера на симисторе

Схема диммера на симисторе. Диммер для светодиодных ламп 220в схема электрическая принципиальная. Диммер для led ламп 220в схема. Диммер для светодиодных ламп схема принципиальная. Схема подключения китайского диммера на 220 вольт.

Схема диммера на симисторе. Схема диммера для ламп накаливания на 220в. Схема включения диммера для ламп накаливания. Схема регулятора яркости ламп накаливания 220 в. Диммер dm103 схема.

Схема диммера на симисторе. Схема диммера на симисторе bt136. Схема диммера на ls7232. Диммер симисторный схема регулятор. Симистор диммер схема.

Схема диммера на симисторе. Схема регулятора яркости светодиодной лампы 220в. Схема диммера для светодиодов 220в. Диммер для светодиодных ламп 220в схема электрическая принципиальная. Диммер для ламп накаливания 220в схема.

Схема диммера на симисторе. Диммер для светодиодных ламп 220в схема электрическая принципиальная. Диммер для ламп накаливания 220в схема подключения. Диммер для светодиодных ламп 220в схема подключения. Диммер регулятор напряжения 220в схемы.

Схема диммера на симисторе. Схема диммера на симисторе bt136. Схема диммера на симисторе ВТА 16 600 В. Bta16 схема включения регулировки напряжения. Мощный диммер 220в 2000ватт схема.

Схема диммера на симисторе. Схема тиристорного диммера. Тиристорный диммер схема. Диммер на тиристоре схема. Управляемый диодно тиристорный мост схема.

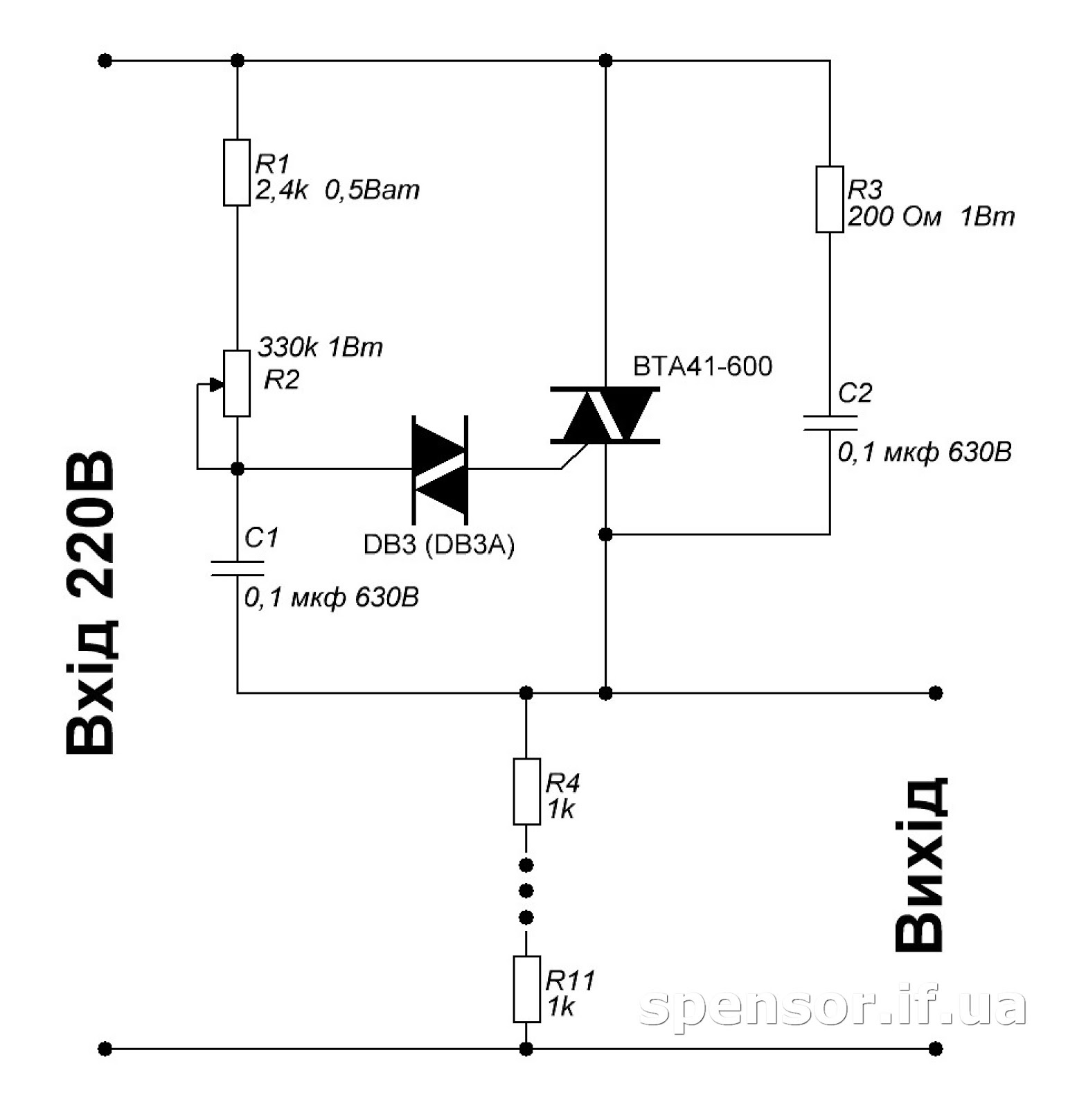
Схема диммера на симисторе. Регулятор мощности на симисторе ВТА-41. Регулятор мощности на симисторе bta41-600. Схема регулятор оборотов на bta41. Регулятор мощности на bta16-600 схема.

Схема диммера на симисторе. Схема тиристорного регулятора напряжения на 12 вольт. Симисторный регулятор мощности 2000вт 220в схема подключения. Регулятор напряжения переменного тока 220 схема. Регулятор напряжения 220в схема подключения.

Схема диммера на симисторе. Регулятор напряжения 220в схема подключения. Симисторный регулятор 220в схема. Как подключить регулятор напряжения 220в схема подключения. Симисторный регулятор напряжения схема 220в своими руками.

Схема диммера на симисторе. Схема регулятора яркости светодиодной лампы 220в. Диммер схема подключения для ламп накаливания. Принципиальная схема диммера 220 вольт. Схема диммера для ламп накаливания на 220в своими руками.

Схема диммера на симисторе. Схема китайского диммера для ламп накаливания на 220в. Диммер для ламп накаливания 220в схема. Диммер для ламп 220в схема. Регулятор напряжения 220в на лампочку схема.

Схема диммера на симисторе. Регулятор напряжения для настольной лампы 220в. Схема включения динистора db3. Регулятор напряжения 220в схема подключения. Диммер для светодиодных ламп схема принципиальная.

Схема диммера на симисторе. Диммер для led ламп 220в схема. Регулятор мощности для паяльника на симисторе bt139. Схема подключения регулятора напряжения 220 вольт. Диммер 220 вольт схема подключения.

Схема диммера на симисторе. Схема включения диммера для ламп накаливания. Диммер 220в схема. Регулятор напряжения 220в на лампочку схема. Triac диммер схема.

Схема диммера на симисторе. Регулятор мощности на симисторе ВТА-41. Регулятор напряжения 220в схема на симисторе BTA. Схема трехфазного регулятора мощности на симисторах. Регулятор мощности пылесоса самсунг 1800 w схема.

Схема диммера на симисторе. ШИМ диммер 220в схема. Схема диммера 220в 200вт. Диммер 220в 2000вт схема. Диммер 220 вольт схема.

Схема диммера на симисторе. Регулятор напряжения 220 вольт на симисторе схема. Регулятор напряжения 220в схема подключения. Простая схема регулятора мощности на симисторе. Регулятор напряжения на симисторе bta16 схема.

Схема диммера на симисторе. Схема диммера на симисторе ВТА 16 600 В. Регулятор напряжения на симисторе вта16 600в. Схема китайского диммера для ламп накаливания на 220в. Симисторный регулятор мощности 220в схема.

Схема диммера на симисторе. Регулятор мощности для лампы накаливания 220. Схема регулятора яркости ламп накаливания 220 в. Диммер для ламп накаливания 220в схема. Диммер для ламп 220в схема.

Схема диммера на симисторе. Тиристорный регулятор напряжения схема подключения. Регулятор мощности для паяльника на симисторе bt139. Регулятор напряжения 220в схема подключения. Регулятор напряжения 220в схема на симисторе.

Схема диммера на симисторе

Схема диммера на симисторе. Принципиальная схема диммера 220 вольт. Схема китайского диммера для ламп накаливания на 220в. Диммер 220 вольт схема подключения. Регулятор мощности для лампы накаливания 220.

Схема диммера на симисторе

Схема диммера на симисторе. Регулятор оборотов на bta12-600. Схема диммера на симисторе bta12-600. Регулятор оборотов на bta12-600c. Схема регулятора оборотов на bta12-600.

Схема диммера на симисторе. Схема регулятора мощности на симисторе bt138. Симисторный регулятор мощности 220в схема. Симисторный регулятор мощности 5000вт 220в схема. Регулятор напряжения 220 вольт на симисторе схема.

Схема диммера на симисторе

Схема диммера на симисторе. Схема подключения освещения с регулятором напряжения. Регулятор напряжения 220в схема на симисторе BTA. Регулятор оборотов тиристорный схема подключения. Схема регулятора напряжения для паяльника на симисторе.

Схема диммера на симисторе. Схема диммера для ламп накаливания на 220в. Регулятор освещения для ламп схема. Диммер для ламп накаливания 220в схема подключения. Схема регулятора яркости ламп накаливания.

Схема диммера на симисторе. Схема диммера для ламп накаливания на 220в. Схема диммера 220в. Схема диммера для лампы накаливания 12 вольт. AC Light Dimmer схема.

Схема диммера на симисторе. Симисторный регулятор мощности схема ку 208. Схема регулятора мощности на симисторе ку208а. Симисторный регулятор мощности на транзисторах. Схема регулировки мощности лампы накаливания.

Схема диммера на симисторе. Схема регулировка оборотов однофазного двигателя 220в. Регулятор напряжения 220 вольт схема. Симисторный регулятор мощности 2000вт. Регулятор напряжения 220в на транзисторе.

Схема диммера на симисторе. Симисторный регулятор мощности 220в схема. Схема регулятора мощности на симисторе ку208а. Схема регулятора мощности на тиристоре ку208г. Регулятор напряжения 220в схема подключения.

Схема диммера на симисторе. Схема регулятора напряжения на симисторе bt139. Регулятор мощности для ТЭНА на 5 КВТ схема. Радиоконструктор 009 симисторный регулятор мощности 1 КВТ. Симисторный регулятор мощности 220в схема.

Схема диммера на симисторе. Регулятор напряжения 220в на лампочку схема. Схема диммера 220в для ламп. Схема диммера регулятора напряжения. Схема подключения регулятора напряжения 220 вольт.

Схема диммера на симисторе. Регулятор мощности пылесоса 220в схема. Регулятор мощности пылесоса самсунг 1800 w схема. Схемы регуляторов мощности на db3. Диммер для электродвигателя 220 вольт схема.

Схема диммера на симисторе. Регулятор напряжения для лампы накаливания 220в. Схема диммера для ламп накаливания на 220в. Принципиальная схема диммера 220 вольт. Схема регулятора яркости светодиодной лампы 220в.

Схема диммера на симисторе. Регулятор напряжения 10 КВТ схема. Схема диммера регулятора напряжения. Регулятор мощности 10 КВТ схема. Диммер 4000 Вт схема.

Схема диммера на симисторе

Схема диммера на симисторе. Регулятор напряжения 220в схема на симисторе. Регулятор напряжения 220в схема на симисторе BTA. Регулятор напряжения 220в схема подключения. Тиристорный регулятор мощности схема на 220.

Схема диммера на симисторе. Схема диммера для светодиодов 220в. Схема регулятора яркости ламп накаливания 220 в. Диммер для светодиодных ламп 220в схема. Агат 300 диммер схема.

Схема диммера на симисторе. Диммер Триак схема. Симисторный диммер схема. Схемы с динистором db3. Triac диммер схема.

Схема диммера на симисторе. Регулятор мощности на симисторе ку208. Регулятор мощности на симисторе тс122-25. Регулятор мощности на симисторе т142. Регулятор мощности на симисторе ВТА-41 800.

Схема диммера на симисторе. Симисторный регулятор мощности 2000вт 220в. Диммер регулятор напряжения 220в схемы. Регулятор мощности 220в схема. Симисторный регулятор напряжения 220в схема.

Схема диммера на симисторе. Схема регулятора мощности на симисторе mac97a6. Регулятор мощности на mac97a6. Схемы регуляторов мощности на db3. Регулятор напряжения на симисторе mac97a8 схема.

Схема диммера на симисторе

Схема диммера на симисторе. Регулятор мощности 220в схема. Схема регулятора напряжения 220в 4000вт. Симисторный регулятор напряжения 220в схема. Схема регулятор мощности 1.5 КВТ 220в.

Схема диммера на симисторе. Схема регулятора напряжения для паяльника 220 в. Принципиальная схема регулятора мощности на 220в. Регулятор напряжения на симисторе bta16 схема. Схема печатной платы регулятора мощности на симисторе.

Схема диммера на симисторе. Схема регулятор мощности 1.5 КВТ 220в. Схема трехфазного регулятора мощности на симисторах. Регулятор мощности на симисторе bt136. Схема регулятора мощности на симисторе bt139.

Схема диммера на симисторе. Схема регулятора мощности на симисторе для паяльника. Симисторный регулятор мощности 2000вт 220в схема. Регулятор напряжения 220 вольт на симисторе схема. Схема диммера на 220 вольт.

Схема диммера на симисторе. Принципиальная схема диммера 220 вольт. Схема диммера регулятора напряжения. Triac диммер схема. Симисторный диммер схема.

Схема диммера на симисторе

Схема диммера на симисторе. Диммер для ламп накаливания 220в схема. Плавный пуск лампы накаливания 220 схема. Симистор плавный пуск схема. Плавный пуск для галогенных ламп 220 схема.

Схема диммера на симисторе. Диммер для электродвигателя 220 вольт схема. Симисторный регулятор мощности для лампы накаливания 220. Диммер для ламп накаливания 220в схема. Схема диммера для ламп накаливания на 220в.

Схема диммера на симисторе

Схема диммера на симисторе. Регулятор мощности для индуктивной нагрузки схема. Схема китайского регулятора мощности на симисторе. Симисторный регулятор мощности 5000вт 220в схема. Регулятор мощности на симисторе bta16-600 схема.

Схема диммера на симисторе. Регулятор напряжения на симисторе bta16 схема. Регулятор мощности на симисторе bta16-600 схема. Bt136 схема включения регулировки напряжения. Схема регулятора напряжения на симисторе bta16-600.

Схема диммера на симисторе. Схема диммера на симисторе Вт 136 800. Диммер для светодиодных ламп 220в схема подключения.

Схема диммера на симисторе. Диммер 4000 Вт схема. Схемы регуляторов мощности на db3. Регулятор мощности на bta16-600b схема. Регулятор напряжения 220в схема.

Схема диммера на симисторе. Симисторный регулятор мощности 2000вт 220в схема. Регулятор мощности для ТЭНА 2 КВТ схема. Принципиальная схема регулятора мощности на 220в. Симисторный регулятор мощности 220в схема.

Схема диммера на симисторе. Схема регулятора мощности на 3 КВТ. Схема регулятора мощности на симисторе. Симисторный регулятор напряжения 220в схема. Тс106 регулятор напряжения.

Схема диммера на симисторе. Регулятор напряжения для настольной лампы 220в. Диммер для светодиодных ламп 220в схема электрическая принципиальная. Агат 300 диммер схема. Регулятор мощности на симисторе bt137.

Схема диммера на симисторе. Регулятор мощности на bta16-600 схема. Регулятор напряжения на вта16 600в схема. Регулятор оборотов на bta12-600. Регулятор мощности для ТЭНА 2 КВТ схема.

Схема диммера на симисторе

Схема диммера на симисторе. Регулятор напряжения на симисторе bta16 схема. Схема диммера bt137-600e. Регулятор мощности на bt136 600e. Регулятор мощности на симисторе bt137.

Схема диммера на симисторе. Схема регулятора мощности на симисторе bta100-800b. Схема регулятора мощности bta41. Регулятор bta16-600 регулятор мощности на симисторе. Регулятор мощности на симисторе bt137 600.

Схема диммера на симисторе. Симисторный регулятор мощности 2000вт 220в схема подключения. Симисторный регулятор мощности 5000вт 220в схема. Схема регулятора напряжения 2000вт. Симистор схема регулятора напряжения.

Схема диммера на симисторе. Диммер 220 вольт схема подключения. Схема диммера на симисторе bta12-600. Схема регулятора яркости ламп накаливания 220 в. Как подключить регулятор напряжения 220в схема подключения.

Схема диммера на симисторе. Схема включения симистора тс142-. Схема диммера 220в для ламп. Диммер для led ламп 220в схема. Схема включения диммера для ламп накаливания.

Схема диммера на симисторе. Регулятор напряжения 220в схема на симисторе. Схема подключения регулятора напряжения 220 вольт. Схема регулятора мощности на симисторе. Симисторный регулятор мощности 4000вт 220в схема подключения.

Схема диммера на симисторе. Triac Dimmer схема. Диммер Триак схема. Электрическая схема диммера светорегулятора. Диммер для вентилятора 220в схема.

Схема диммера на симисторе. Принципиальная схема диммера 220 вольт. Диммер 2000 Вт схема. Регулятор напряжения 220в схема на симисторе BTA. Диммер AHW 3702 схема.

Схема диммера на симисторе. Диммер для вентилятора 220в схема. Схема диммера для вентилятора на 220в. Схема диммера для светодиодных ламп на 220в. Схема диммера bt137-600e.

Схема диммера на симисторе. Схемы регуляторов напряжения на bt136 600e. Регулятор мощности на симисторе ку208. Регулятор мощности 5 КВТ схема. Схема регулировки оборотов вентилятора на 220в.

Схема диммера на симисторе. Симисторный регулятор мощности 2000вт 220в. Печатные платы регуляторов мощности на симисторах. Симисторный регулятор мощности 2000вт 220в схема. Регулятор мощности 220в китайские схемы.

Схема диммера на симисторе. Диммер для ламп накаливания 220в схема. Регулятор напряжения для лампы накаливания 220в. Triac диммер схема. Регулятор напряжения для настольной лампы 220в.

Схема диммера на симисторе

Схема диммера на симисторе. Симисторный регулятор напряжения 220в схема. Регулятор напряжения на симисторе bta16 схема. Регулятор оборотов двигателя на симисторе схемы. Регулятор оборотов болгарки 220в схемы.

Схема диммера на симисторе. Регулятор мощности на симисторе ку208. Регулятор напряжения на симисторе ку208г схема. Регулятор напряжения 220в схема подключения. Регулятор напряжения 220в схема на симисторе.

Схема диммера на симисторе. Схема регулятора мощности на симисторе для индуктивной нагрузки. Регулятор мощности для ТЭНА 2 КВТ схема. Симисторный регулятор мощности пылесоса схема. Регулятор напряжения 220в схема подключения.

  • Вперед Упражнение 364 по русскому языку
  • Назад Синоним опытный летчик

Новые страницы

2 Rca jack

Акт об устранении замечаний при строительстве образец

Болт м24 90

Чародол наталья щерба

Договор дарения ценных бумаг образец

Дверь в летнюю кухню своими руками

Экспорт подсолнечного

Экзистенциальный подход в психологии

Г в дорофеев т н миракова т б бука математика 4 класс вторая часть

Гдз по алгебре 8 класс мерзляк номер 99

Гдз по английскому языку 2 класс учебник стр 35 упр 3

График работы технического персонала в школе образец

Как вставлять диски в сд чейнджер

Калькулятор lm317 онлайн

Картинки зонтика из 13 карт

Колягин алгебра

Маркировка свечей denso расшифровка

Образец заполнения приложения 1 к разделу 9 декларации по ндс

Ортопед что проверяет

Перикоронарит лечение

Пежо 107 мощность двигателя

Порошковая покраска дворников

Пшадские водопады геленджик

Рассмотрение наличия

С днем воплощения картинки

Самые богатые компании россии

Схема с двумя источниками питания

Use the word given in capitals at the end of each line to form

Xzn m10

Заземление наклейка

cdn.zecar.ru