Skip to content

Фотогалерея

  • Главная
  • Контакты

Схема часы

LM8560 COMPLETO - Download - 4shared - Antonio Silva | Electronic ...

Электроника 6 часы схема

Схема электронных часов на микросхеме кр145ик1901

Электрическая схема часов электроника 6

Изображение

Схема вольтамперметра на микроконтроллере - Схемы

Часы янтарь механизм - 95 фото

ЧАСЫ В РАСТ? СХЕМА! - YouTube

Электронные часы электроника 2 08 схема | Circuit projects, Shema ...

К176ие18 даташит

Часы схема

Схема \\"Часы на газоразрядных индикаторах ИН-12, ИН-14, ИН-4, ИН-18 ...

настенные часы с боем - Форум

Схема часы на pic16f628a

Электронные часы электроника 2 08 схема в 2021 г | Электронная схема ...

Схема часов на ин 12

Инструкция К Часам Программатор Электроника 21 10

Часы на светодиодах схема - Схемы

Разборка наручных механических часов - ремонт часов самостоятельно

Схема электрическая принципиальная цифровой мультиметр Щ4313 (Щ 4313) с ...

Схема настенных часов с боем янтарь - 93 фото

Схема Часы-Будильник с ДУ | Принципиальная схема, Электронная схема ...

Схема \\"Часы на газоразрядных индикаторах ИН-12, ИН-14, ИН-4, ИН-18 ...

Lm8560 часы схема

3.1.1. Электрическая схема электронных часов на ЖКИ. Электронные самоделки

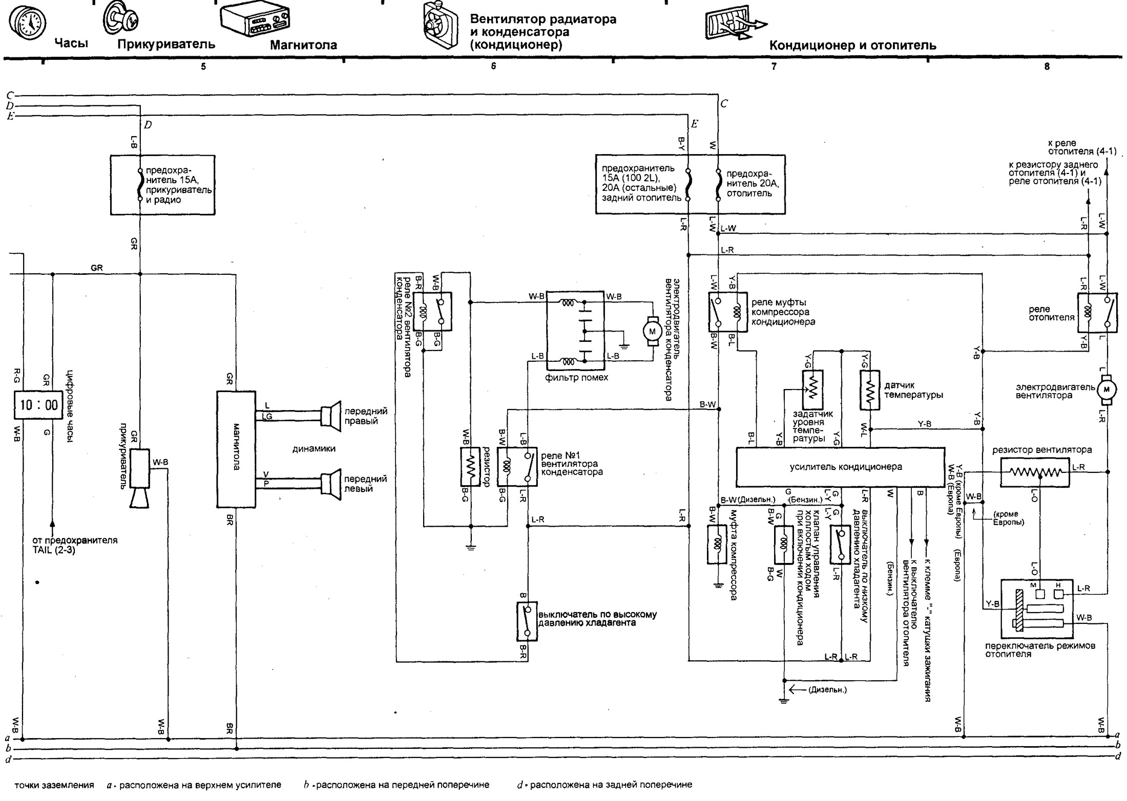
Схема №6: Часы, прикуриватель, магнитола, вентилятор радиатора и ...

Часы на pic16f84a схема

Часы-термометр для TV. — Схеми радіоаматорів

Часы электроника 7 схема принципиальная описание - 80 фото

Часы электроника 7 схема принципиальная описание - 80 фото

Часы электроника 7 схема принципиальная описание - 80 фото

Электронные часы DIY - СБОРКА - YouTube

Часы на ив схема

Часы таймер электронные миг схема

Часы ОЧЗ настенные механические с боем часов и четвертей часа 1967 г ...

  • Вперед Математика вторая часть третий класс страница 66 номер пять
  • Назад Кто круче паджеро или патфайндер

Новые страницы

Донгл

Геометрия 8 класс номер 591 гдз

Илеит лечение

Кафе викинг безенчук

Как научиться говорить

Как подключить сигнал вместо колокола сигнализации

Киа спектра технические характеристики

Мойка днища автомобиля в москве

Николай рахманов фотограф

Образец заполнения журнала учета лекарственных средств с ограниченным сроком годности

Образец заявления на отпуск ребенка в школе

Очистка свечей зажигания

Опрос на тему спорт

Отделка брусового дома внутри

Плавают обороты фиат альбеа

Плавают обороты тойота королла

Презентация спорт подготовительная группа

Ремонт акпп в марьино

Рессора википедия

Самые приятные цвета для презентаций

Самые смешные виды спорта

Схема часы

Схема отопления двухэтажного частного дома

Схемы 35 кв

Схемы питания мониторов

Шрг

Спортивная школа петроградского района

Вакансии в мебельном производстве в москве

Винни пух читать сказку русскую заходера с картинками

Значки на панели приборов опель

cdn.zecar.ru