Skip to content

Фотогалерея

  • Главная
  • Контакты

Схема блока розжига

Схема блока розжига. Ssl100sn схема включения. PWM Controller led Driver. PWM led Driver: as339m-g1. PWM led Driver bd9422efv.

Схема блока розжига. Балласт лампы проектора схема. Hid Lighting ballast схема подключения. Hid ballast схема. Hid Xenon ballast schematics.

Схема блока розжига

Схема блока розжига

Схема блока розжига. Распиновка разъема блока розжига ксенона. Колодка блока розжига фары. Блок розжига d4s штекер. Br-1-5 схема подключения блока розжига.

Схема блока розжига. Реле разрыва цепи 12в. Реле в разрыв схема соединений принципиальная. Подключение реле в разрыв.

Схема блока розжига. Ксенон h4 блок розжига схема. Схема подключения блока розжига ксенона. Схема подключения ксеноновой лампочки н11. Блок розжига схема подключения.

Схема блока розжига. Схема поджига ксеноновой лампы. Схема блока розжига ксеноновых ламп. Схема платы блока розжига ксенона. Блок розжига ксенона схема электрическая принципиальная.

Схема блока розжига. Схема подключения ксеноновых ламп. Ксенон h4 блок розжига схема. Схема включения ксеноновой лампы. Схема подключения ксенона h1 ВАЗ.

Схема блока розжига. Схема включения розжига газового котла. Схема поджига газового котла. Блок розжига газового котла схема. Схема трансформатора поджига газового котла.

Схема блока розжига. Схема подключения блока розжига ксенона. Схема подключения лампочки ксенон. Схема соединение автомобильной ксеноновой лампы. Схема соединения ксеноновой лампы.

Схема блока розжига. Схема установки биксенона ВАЗ 2109. Ксенон h4 блок розжига схема. Схема поджига ксеноновой лампы. Схема подключения блока розжига ксенона.

Схема блока розжига. Трансформатор розжига трэ-220-2к-ТТ. Схема трансформатор розжига трэ-220. Трэ-220-2к-ТТ. Трэ-220-2к-ТТ схема.

Схема блока розжига. Схема поджига ксеноновой лампы. Блок розжига ксенона схема. Блок поджига ксенона схема. Блок розжига ксенона схема электрическая.

Схема блока розжига. Схема включения ксеноновых ламп в автомобиле. Схема подключения ксеноновой лампы для авто. Схема подключения ксеноновой лампочки н11. Устройство ксеноновой лампы схема.

Схема блока розжига. Схема подключения поджига газовой плиты. Электро розжиг ГАЗ плиты схема. Блок электроподжига для газовой плиты Гефест схема. Схема розжига плиты Гефест.

Схема блока розжига. Блок розжига ксенона схема электрическая принципиальная. Схема блока розжига ксеноновых ламп. Схема платы блока розжига ксенона. Схема блока розжига ксеноновых ламп для автомобилей.

Схема блока розжига. Как подключить ксенон h1. Схема включения ксеноновых ламп в автомобиле. Подключение ксенона своими руками h1. Схема подключения лампочки ксенон.

Схема блока розжига. Схема подключения ксеноновых ламп через реле. Схема подключения ксенона h1 через реле. Схема подключения ксенона н11. Блоки розжига для ксенона схема подключения к лампе.

Схема блока розжига

Схема блока розжига. Схема подключения биксеноновой проводки. Схема подключения ксенона h3. Схема подключения линз с ангельскими глазками h1. Схема подключения led линзы к h4.

Схема блока розжига. Блок розжига ксенона схема. Блок розжига схема электрическая принципиальная.

Схема блока розжига. Ксенон h4 блок розжига схема. Схема подключения лампочки ксенон. Схема розжига ксеноновой лампы 12в. Схема питания ксеноновой лампы.

Схема блока розжига

Схема блока розжига

Схема блока розжига

Схема блока розжига. Схема блока розжига газовой колонки Нева. Схема розжига газового котла. Схема блока управления китайской газовой колонки.

Схема блока розжига. Схема плавного пуска светодиодной ленты 12в. Схема плавного затухания светодиода.

Схема блока розжига

Схема блока розжига

Схема блока розжига. Схема подключения блока электроподжига газовой плиты Гефест. Схема Эл поджига газовой плиты. Электрическая схема электроподжига газовой плиты Гефест. Схема подключения электророзжига газовой плиты.

Схема блока розжига

Схема блока розжига. Схема включения ксеноновых ламп в автомобиле. Схема подключения лампы н7. Схема подключения блока розжига ксенона. Схема подключения ксенон н7.

Схема блока розжига

Схема блока розжига. Блок розжига ксенона схема. Схема подключения блока розжига ксенона. Схема подключения ксенона h3. Схема подключения биксенона h4.

Схема блока розжига

Схема блока розжига. Блок розжига ксенона схема электрическая принципиальная. Блок розжига ксенона схема. Sla2402ms схема блока розжига. Схема розжига ксеноновой лампы кинопроектора.

Схема блока розжига

Схема блока розжига

Схема блока розжига. Схема плавного розжига светодиодов. Плавный розжиг приборной панели схема подключения.

Схема блока розжига. Схема подключения блока розжига ксенона. Схема соединения ксенона д 2. Автомобильный блок розжига ксенона схема. Схема подключения лампы н1.

Схема блока розжига. Схема блока поджига ксеноновых ламп. Блок розжига ксенона схема. Блок розжига ксенона схема электрическая принципиальная. Схема поджига ксеноновой лампы.

Схема блока розжига

Схема блока розжига. Br-1-4 схема подключения блока розжига. Br-1-1 блок поджига схема подключения. Схема подключения блока розжига газовой плиты Гефест br-1-4. Схема подключения поджига газовой плиты.

Схема блока розжига. Ксенон h4 блок розжига схема. Схема подключения блока розжига ксенон h4. Схема подключения блока розжига ксенона. Блок розжига схема подключения.

Схема блока розжига. Блок розжига ксенона схема электрическая принципиальная. Схема поджига ксеноновой лампы. Схема розжига ксеноновой лампы кинопроектора. Схема ксенонового блока розжига.

Схема блока розжига

Схема блока розжига. Схема подключения ксенона н11. Схема подключения ксеноновых ламп. Схема подключения блока розжига ксенона. Схема подключения ксенона h1 ВАЗ.

Схема блока розжига. Схема блока розжига ксеноновых ламп. Схема блока поджига ксеноновых ламп. Схема электрошокера Police 1101. Схема поджига ксеноновой лампы.

Схема блока розжига

Схема блока розжига. Схема поджигаимпульсной ксининовой лампы. Схема плавного розжига галогеновых ламп 12 вольт. Блок розжига ксенона схема электрическая. Блок розжига ксенона схема электрическая принципиальная.

Схема блока розжига. Схема Эл поджига газовой плиты. Схема подключения поджига газовой плиты. Схема электророзжига газовой плиты. Схема подключения электророзжига газовой плиты.

Схема блока розжига. Блок поджига для газовой плиты схема. Блок электроподжига для газовой плиты Гефест схема. Схема подключения поджига газовой плиты. Схема подключения блока розжига газовой плиты Гефест br-1-1.

Схема блока розжига. Схема подключения блока розжига газовой плиты. Схема подключения электророзжига газовой плиты. Схема подключения поджига газовой плиты. Газовая плита розжиг схема подключения.

Схема блока розжига. Схема подключения лампочки ксенон. Схема подключения блока розжига ксенона. Ксенон h4 блок розжига схема. Схема включения ксеноновой лампы.

Схема блока розжига. Junkers Euroline zw23 схема платы. Схема платы управления Junkers zw23 ke. Блок розжига газового котла схема. Схема платы розжига газового котла.

Схема блока розжига. Схема подключения лампы биксенон. Лампы биксенона h4 схема с контроллером. Схема подключения блока розжига ксенона. Ксенон h4 блок розжига схема.

Схема блока розжига. Схема подключения блока розжига ксенона. Схема включения ксеноновых ламп в автомобиле. Ксенон схема подключения н4. Блоки розжига для ксенона схема подключения к лампе.

Схема блока розжига. Блок розжига газа Гефест br-1-4. Схема электрического поджига газовой плиты. Блок розжига Гефест 4 схема. Br-1-5 схема подключения блока розжига.

Схема блока розжига. Блок поджига для газовой плиты схема. Блок электроподжига для газовой плиты Гефест схема. Схема подключения поджига газовой плиты. Схема подключения блока розжига газовой плиты Гефест br-1-1.

Схема блока розжига

Схема блока розжига

Схема блока розжига

Схема блока розжига. Схема подключения ксенона h27 и блока розжига. Подсоединение ксенона схема. Схемаподключение ксеноновой лампы. Схема подключения лампочки ксенон.

Схема блока розжига

Схема блока розжига. LMU33.201e149 схема подключения. Схема блока розжига Baxi Slim. Схема платы бакси слим. Siemens LMU33.201e149 схема подключения.

Схема блока розжига

Схема блока розжига. Блок розжига газового котла схема. Схема контроля пламени газового котла. Электрическая схема розжига газового котла. Блок розжига схема электрическая принципиальная.

Схема блока розжига. Блок розжига ксенона схема. Схема ксенонового блока розжига. Схема подключения ксенона н11. Схема подключения ксеноновых ламп.

Схема блока розжига

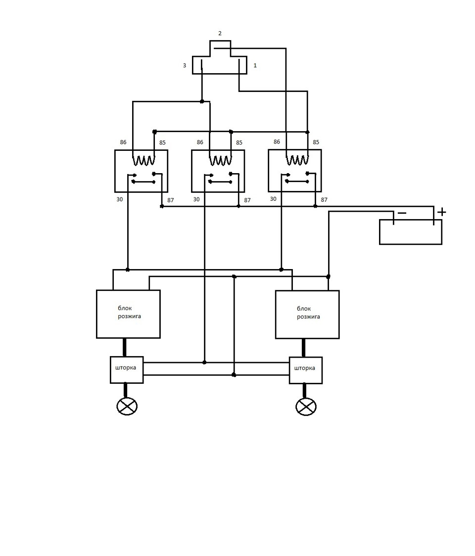
Схема блока розжига. С одного блока розжига 2 лампочки. Схема розжига алюминиевой лампы. Подключение 2х ламп к одному блоку розжига. Схема 2 лампы от одного блока розжига.

Схема блока розжига

Схема блока розжига. Схема подключения блока розжига газовой плиты Гефест br-1-1. Схема подключения блока розжига газовой плиты. Схема подключения блока розжига газовой плиты Гефест. Блок розжига газа br-1-1 схема подключения.

Схема блока розжига

Схема блока розжига. Схема подключения блока розжига ксенона. Блок розжига ксенона схема. Схема подключения БИК Сеннона. Схема подключения биксенона.

Схема блока розжига

Схема блока розжига. Блок розжига ксенона схема электрическая принципиальная. Схема поджига ксеноновой лампы. Схема балласта розжига ксенона. Блок поджига ксенона схема.

Схема блока розжига

Схема блока розжига. Схема поджига ксеноновой лампы. Блок поджига ксенона схема. Схема блока поджига ксеноновых ламп. Блок розжига ксенона схема.

  • Вперед Схема 380 вольт
  • Назад Заполни схему информации

Новые страницы

Дети капитана гранта карта путешествия героев

Диссоциация nacl

Экспорт машин гта сан

Фитинги для сантехнических труб

Георгиевская ленточка картинки красивые на аватарку

Гостиницы твери цены

Как обозначается обращение в схеме предложения

Как правильно подключить накопитель

Летуаль екатеринбург каталог

Модели сша

Москва сити 2016

Неоновый светильник на стену

Образец акта об уничтожении документов с истекшим сроком хранения

Образец визитки мастера маникюра

Панорама орехово зуево с улицами и домами карта

Почему после поражения сенат отказался вести переговоры с ганнибалом

Подпорная стена из блоков фбс чертеж

Р1 135н

Рассмотрение ходатайства в судебном заседании

Разборка рулевого механизма

Реклама для мастера маникюра образец

Реверс инжиниринг вакансии

Схема работы педагога с родителями

Сифон для чугунной ванны с переливом

Stm32f0discovery

Тренировочная частота сердечных сокращений

Учетная политика ооо на усн доходы минус расходы на 2022 год образец для целей налогообложения

Установка струны для штор

Заявление на обеспечительные меры в арбитражном процессе образец

Живая стена из растений

cdn.zecar.ru