Skip to content

Фотогалерея

  • Главная
  • Контакты

Схема блока питания sony

Схема блока питания sony

Схема блока питания sony

Схема блока питания sony. Схема блока питания Sony PLAYSTATION 1. Блок питания Sony PLAYSTATION 4 схема. Блок питания ps1 fat. Блок питания Sony PLAYSTATION 3 схема.

Схема блока питания sony. Схема блока питания Sony p. Sony PLAYSTATION блок питания схема. Схема блока питания Sony PLAYSTATION 1. Блок питания Sony PLAYSTATION 4 схема.

Схема блока питания sony

Схема блока питания sony. Схема блока питания Sony PLAYSTATION 2. Блок питания Sony PLAYSTATION 4 схема. Схема блока питания Sony PLAYSTATION 1. Блок питания Sony PLAYSTATION 3 схема.

Схема блока питания sony

Схема блока питания sony. Схема импульсного блока питания телевизора Samsung. Схема блока питания телевизора KV-21ft2k. Импульсный блок питания телевизора Филипс. Схема блока питания телевизора сони.

Схема блока питания sony. Схема блока питания телевизора Sony KV g21m2. Схема блока питания телевизора KV-21ft2k. Схема блока питания Sony g14m1. Схема блока питания телевизора Sony g14m1.

Схема блока питания sony. Схема блока питания телевизора Sony KV g21m2. Схема блока питания телевизора KV-21ft2k. Блоки питания телевизоров принципиальные схемы. Телевизор Sony KV g21m2 схема строчной развертки.

Схема блока питания sony

Схема блока питания sony

Схема блока питания sony. Телевизор Akai CT g215d схема блока питания. Схема блока питания кинескопного телевизора. Схемы блоков питания телевизоров с кинескопом. Блоки питания телевизоров принципиальные схемы.

Схема блока питания sony. Схемы блоков питания двд проигрывателей. Пионер проигрыватель двд схема блока питания. Блок питания DVD плеера схема. БП DVD плеера Pioneer.

Схема блока питания sony. Sony ps3 схема. Схема блока питания Sony p. Sony PLAYSTATION 4 схема. Sony PLAYSTATION 3 схема платы.

Схема блока питания sony. Блок питания sr642 схема. Блок питания видеомагнитофона Sony. Схема блока питания Sony PLAYSTATION 1. Схема блока питания видеомагнитофона Sony SLV-se500r.

Схема блока питания sony

Схема блока питания sony. Блок питания Sony PLAYSTATION 4 схема. Блок питания Sony PLAYSTATION 3 схема. Схема блока питания Sony PLAYSTATION 2. Схема блока питания Sony PLAYSTATION 1.

Схема блока питания sony

Схема блока питания sony

Схема блока питания sony

Схема блока питания sony

Схема блока питания sony. Sony APS 279. Схема блока питания телевизора сони. Sony KDL-40w605b схема. Sony APS 254 схема.

Схема блока питания sony

Схема блока питания sony. Сони тринитрон схема электрическая принципиальная KV-21t1r. Схема телевизора KV-14m1k. Схема ТВ сони KV-25m1k. Sony KV-21c1r схема.

Схема блока питания sony

Схема блока питания sony. Схема блока питания музыкального центра Sony. Схема блока питания видеомагнитофона Aiwa. Схема блока питания видеомагнитофона Aiwa HV-xg710ke. Схема блока питания музыкального центра.

Схема блока питания sony. Схема блока питания ps4 Slim. Схема блока питания PLAYSTATION 4 Pro. Блок питания Sony PLAYSTATION 4 схема. ADP-300cr схема.

Схема блока питания sony

Схема блока питания sony

Схема блока питания sony. DVP-sr550k электрическая схема принципиальная. Принципиальная схема DVD Players DVF 5168k. DVD плеер Dex DVP-181 схема блока питания. DVP 15 пульт, схема.

Схема блока питания sony

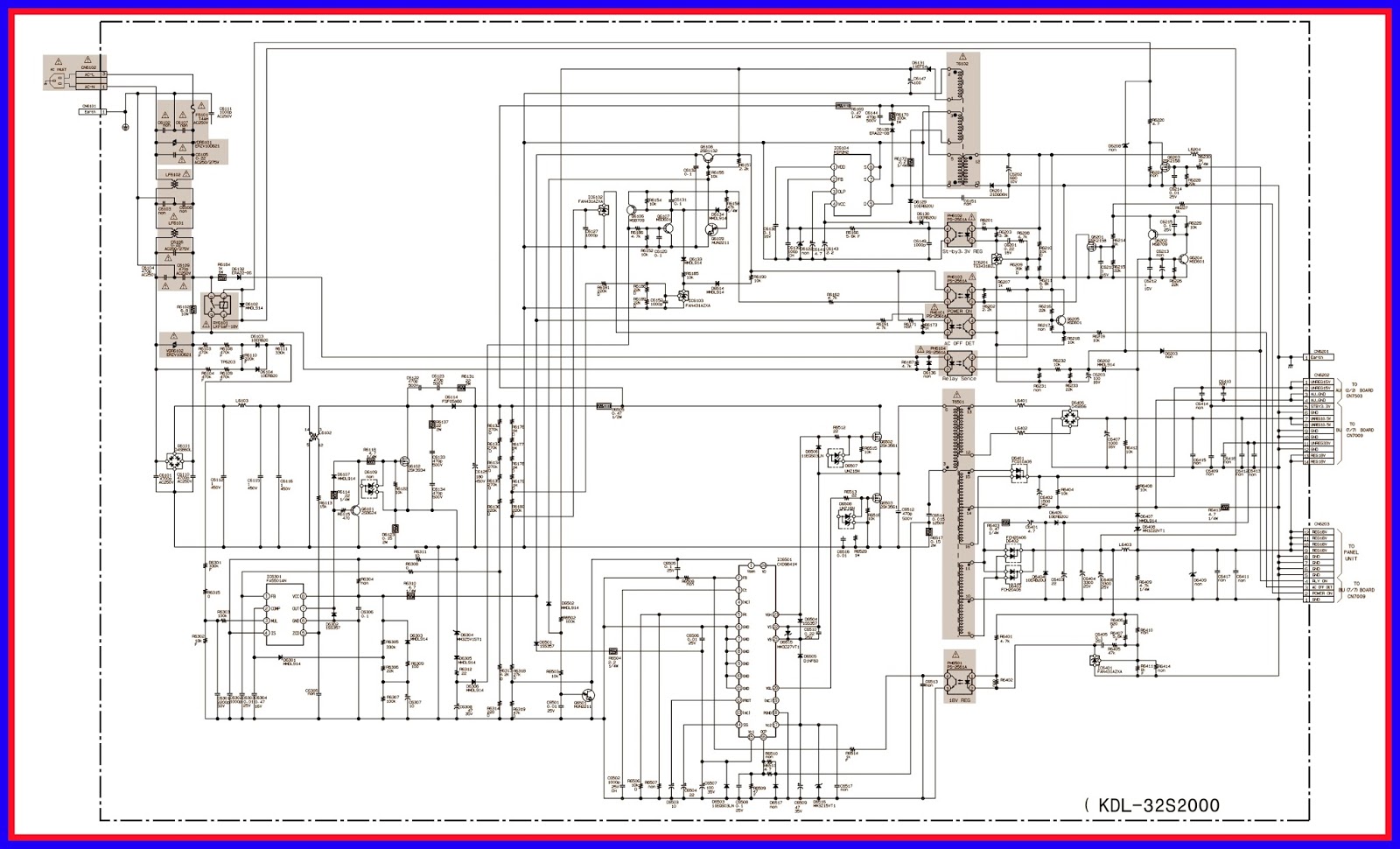
Схема блока питания sony. Sony -32s2520 инвертор. Sony KDL-40s2000. Kdl32ps618at схема ocp8121. Sony KDL 26s2020 инвертор схема.

Схема блока питания sony

Схема блока питания sony

Схема блока питания sony. Питания двд проигрывателя 94v0 схема. Принципиальная схема DVD проигрывателя. Портативный двд плеер МПС 701 схема платы. Принципиальная схема двд проигрывателя.

Схема блока питания sony. Блок питания Sony PLAYSTATION 4 схема. Схема блока питания Sony PLAYSTATION 1. Ps4 Pro схема. Блок питания ps2 Slim схема.

Схема блока питания sony

Схема блока питания sony

Схема блока питания sony

Схема блока питания sony

Схема блока питания sony

Схема блока питания sony

Схема блока питания sony

Схема блока питания sony. Блок питания Sony PLAYSTATION 3 схема. Блок питания Sony PLAYSTATION 4 схема. Блок питания PLAYSTATION 2 схема. Схема блока питания PLAYSTATION 1.

Схема блока питания sony. Схема блока питания телевизора KV-21ft2k. Схема блока питания телевизора sanyo569hu1320c. Схема блока питания телевизора сони kv34.

Схема блока питания sony. Блок питания Sony PLAYSTATION 4 схема. Схема блока питания Sony PLAYSTATION 2. Блок питания Sony PLAYSTATION 3 схема. Схема блока питания сони плейстейшен 3.

Схема блока питания sony

Схема блока питания sony. Схема блока питания телевизора сони. Импульсный блок питания телевизора самсунг схема. Схема блока питания телевизора Sony. Схема импульсного блока питания LCD телевизора.

Схема блока питания sony. Схема блока питания Sony PLAYSTATION 1. Sony ps3 схема блок питания. Ps3 fat блок питания схема. Схема платы ps3 Slim.

Схема блока питания sony. Блок питания ps2 Slim схема. Схема блока питания Sony PLAYSTATION 1. Блок питания Sony PLAYSTATION SCPH-9002 схема.

Схема блока питания sony. Двд проигрыватель dvp157si схема БП. Микросхемы импульсных блоков питания DVD Sony DVP-ns708h. Схема блока питания SMPS-1-ver1.1. Схема блока питания BBK dvp033s.

Схема блока питания sony

Схема блока питания sony. Sony ps3 схема блок питания. Блок питания ps2 Slim схема. Блок питания Sony PLAYSTATION 3 схема. Схема блока питания ps4 Slim.

Схема блока питания sony

Схема блока питания sony. Схема блока питания PLAYSTATION 1. Схема блока питания ps3 super Slim. Sony ps3 схема блок питания. Блок питания Sony PLAYSTATION 3 схема.

Схема блока питания sony. Dv0876-HDMI-TFT.PCB схема. Блок питания телевизора 12в 3а схема. Np8qm30.PCB схема. Блок питания Hitachi Sawa 02 521 схема.

Схема блока питания sony

Схема блока питания sony

Схема блока питания sony

Схема блока питания sony

Схема блока питания sony. Схема блока питания телевизора KV-21ft2k. Блок питания ATX 360w Microlab m-ATX-360w схема Шима. Схема блока питания LC-235atx. Блок питания PS-230wb схема.

Схема блока питания sony. Fa5501 схема. APS 227 блок питания схема. APS-330/B схема. Sony APS-284 схема.

Схема блока питания sony

Схема блока питания sony

Схема блока питания sony. APS-279 Sony схема. Sony APS 279. Блок питания APS-279 Sony схема. APS 306 MB схема.

Схема блока питания sony. Эл.схема Sony HCD-dz285k. Микросхема магнитолы Sony HCD rg30. Схема музыкального центра RG-190. Sony rg190 схема.

Схема блока питания sony. Схема блока питания кинескопного телевизора. Схема блока питания телевизора сони. Схема шасси TP-ms3663s.pb781. Схема блока питания телевизора Sony KV g21m2.

Схема блока питания sony

Схема блока питания sony

Схема блока питания sony. Схема блока питания Sony p. Схема блока питания Sony PLAYSTATION 1. Схема блока питания Sony PLAYSTATION 2. Блок питания Sony PLAYSTATION 3 схема.

  • Вперед Как покрасить тормозные суппорта
  • Назад Как отличить кованые от литых

Новые страницы

6 Класс русский язык номер 494

Бытовки волоколамск

Еда распечатать миниатюрные картинки

Энергомера ао

Фитнес ростов на дону

Гдз по английскому языку 4 класс 2 часть быкова дули поспелова

Как поменять ремень генератора на ниве шевроле

Картина лежащей девушки

Картинки страйк кидс

Кусты в египте

Масло в мосты нива 21213

Математика готовые задания 2 класс

Мгусит спорта и туризма

На рынке спортивной одежды в стране z

Найдите звезду на рисунке 105

Настройка усилителя под эстрадные динамики

Париж зал олимпия

Пинтерест йога картинки

Плавунная гуща

Поплавок для трубопровода

Пояснения в фас образец

Предохранитель бензонасоса бмв

Признаки аксиомы

Пропала искра на ваз 21099

Раковина на 2 смесителя

Схема безударных гласных в корне

Скачать gm

Сколько стоит обшить стену сайдингом

Театр сфера зал

Жалюзи б у на авито

cdn.zecar.ru