Skip to content

Фотогалерея

  • Главная
  • Контакты

Схема 2006 год

Схема 2006 год. Блок предохранителей Тойота Королла 140. Схема блока предохранителей Тойота Королла 150. Схема электрооборудования Королла е150. Схема предохранителей Тойота Королла е 150 кузов.

Схема 2006 год. Старый состав Реал Мадрида 2005 схема. Реал Мадрид 2004 год состав. Схема Реал Мадрид 2021. Состав Реал Мадрид 2022 схема.

Схема 2006 год

Схема 2006 год. Микросхема tda2006 схема включения. Микросхема tda2006 параметры. Усилитель на tda2006. Усилитель на микросхема тда 2006.

Схема 2006 год. Legacy b5 2006 схема электрическая. 2008 Схема. Бу-2006 схема. R2006 в схеме.

Схема 2006 год

Схема 2006 год. Челси 2005 схема. Расстановка Челси 2020. Тактика и состав Челси. ФК Челси расстановка игроков.

Схема 2006 год

Схема 2006 год

Схема 2006 год. Даташит на микросхему tda2006. Усилитель 2.1 на tda2006. Схема сабвуфера на tda2006. Tda6103q схема усилителя.

Схема 2006 год

Схема 2006 год. Ford Transit схема центрального замка. Схема центрального замка Форд Транзит 2008. Форд Транзит 2013 схема центрального замка. Электросхема центрального замка Ford Transit 2006.

Схема 2006 год. Схема платы приборной панели Форд фокус 2. Схема приборной панели Мазда 6gh. Схема панели приборов Мазда 6 gg. Схема платы щитка приборов Мазда 3 2007.

Схема 2006 год. Ford Transit блок предохранителей. Схема предохранителей Ford Transit 2013 года. Предохранители Форд Транзит 2000-2006 дизель схема. Схема предохранителей Ford Transit 2007 года.

Схема 2006 год. Chevrolet Rezzo схема электрическая. Шевроле Реззо 2006 год схема двигателя 1.6 кл. Схема электропроводки Rezzo. Rezzo электрическая схема.

Схема 2006 год

Схема 2006 год. Реал Мадрид Галактикос состав. Реал Мадрид Галактикос состав 2005. Состав Реал Мадрид 2004-2006. Реал Мадрид 2006 год состав.

Схема 2006 год. Схема электрооборудования Тойота Королла 120 кузов. Электросхема Тойота Королла 2. Схема стеклоподъемников Тойота Королла 120. Электрооборудование Тойота Королла 120 кузов.

Схема 2006 год. Бортовой компьютер Mitsubishi Colt схема. Электрическая схема Mitsubishi Colt. Схема бортового компьютера Mitsubishi Colt. Mitsubishi Colt 1.3 2005 схема бортового компьютера.

Схема 2006 год

Схема 2006 год. Hyundai Matrix 2004 схема корректора фар. Схема корректора фар е53. Схема корректора фар Хендай акцент. Схема корректора фар акцент.

Схема 2006 год. Ford Fusion 2008 схема электрооборудования. Схема фар Форд Фьюжн 2007 года. Форд Фиеста 2006 схема электрооборудования. Электросхема Форд Фьюжен 2006 года.

Схема 2006 год. VW Sound 2 схема подключения. Магнитола Sound 2 схема подключения. Схема Sound System в Skoda Superb. 8 Канальный процессор схема подключения.

Схема 2006 год. Схема Кан шины Туарег. VW Touareg 2008 электросхема can. Фольксваген Туарег электросхема Кан шины. Схема can шины Touareg.

Схема 2006 год

Схема 2006 год. Микросхема tda2006 схема усилитель. Tda2006 схема усилителя звука. Схема подключения микросхемы тда 2006. Усилитель на tda2006 с однополярным питанием.

Схема 2006 год. Электросхема Kia Carens 2005 2l. Схема электрическая Киа Рио 2011. Киа Рио 2011 схема электрооборудования. Схема Киа Carens.

Схема 2006 год. Mazda 6 gg предохранители. Предохранители Мазда 6 gg. Предохранители Мазда Атенза 2002. Предохранители Мазда 6 gg 2006.

Схема 2006 год

Схема 2006 год. Состав Реал Мадрид 2005 года. Состав Реал Мадрид схема. Реал Мадрид 1996 состав. Схема Реал Мадрид 2022.

Схема 2006 год

Схема 2006 год. Tda2006 схема усилителя. Усилитель на микросхема тда 2006. Интегральные УНЧ С однополярным питанием. Микросхема tda2006 схема усилитель.

Схема 2006 год. Распиновка приборки фокус 2. Focus 2 распиновка панели приборов. Схема платы приборной панели Форд фокус 2. Ford Focus 2 распиновка приборной панели.

Схема 2006 год

Схема 2006 год

Схема 2006 год. Схема электрооборудования Форд рейнджер 2006. Форд рейнджер электрическая схема. Электрическая схема Форд рейнджер 2008. Электрическая схема Мазда БТ 50.

Схема 2006 год. Сириус 203 схема.

Схема 2006 год

Схема 2006 год

Схема 2006 год. Усилитель на микросхема тда 2006. Усилитель на микросхеме tda2006. Усилитель УНЧ на микросхеме tda2006 схема. Усилитель на tda2006 печатная плата.

Схема 2006 год. Бразилия Франция 1998 расстановка. Сборная Бразилии 1998 схема. Расстановка игроков сборной Бразилии. Франция расстановка игроков.

Схема 2006 год. Схема блока предохранителей Форд эксплорер 2008. Схема предохранителей Форд эксплорер 4. Схема предохранителей Форд эксплорер 4 2008г. Форд эксплорер схема предохранителей.

Схема 2006 год. Микросхема tda2006 схема усилитель. Усилитель УНЧ на микросхеме tda2006 схема. Схемы мостовых УНЧ на микросхеме. Тда 2006 УНЧ усилитель.

Схема 2006 год. Skoda Octavia схема электрооборудования. Схема электрооборудования Шкода Октавия 1.6. Электрическая схема Skoda Octavia Tour 1.4 2008. Схема центрального замка Шкода Октавия а5.

Схема 2006 год

Схема 2006 год

Схема 2006 год. Схема подключения микросхемы тда 2006. Тда2006 УНЧ. Tda2006 схема усилителя. Tda2006 даташит.

Схема 2006 год

Схема 2006 год

Схема 2006 год. Mcp73831t схема. Mcp73831t схема включения. Развязка аккумуляторов своими руками. Схема АКБ на gp300.

Схема 2006 год

Схема 2006 год

Схема 2006 год

Схема 2006 год

Схема 2006 год

Схема 2006 год. Микросхема tda2006 схема включения. Усилитель на микросхема тда 2006. Tda2006 схема усилителя. Микросхема tda2006 схема усилитель.

Схема 2006 год

Схема 2006 год. Схема ЭБУ Сириус д42 Лачетти. Схема система управления двигателем Sirius d42. Колодка проводов Sirius d42. Sirius d42 схема электрическая.

Схема 2006 год

Схема 2006 год. Ford Transit 2006 электросхемы. Ford Transit 2.2 схема электрооборудования. Форд Транзит 2006 схема электрооборудования. Электросхема кондиционера Ford Transit 2006.

Схема 2006 год. Принципиальная схема платы управления 475440. Принципиальная схема платы ebr75234826. Схема принципиальная платы m526f2jv1. Схема платы управления sna20.

Схема 2006 год

Схема 2006 год. Схема проводки Киа Церато 2006. Электрическая схема Киа Церато 2014 года. Kia Cerato 2007 схема электрическая. Схема электропроводки Киа Церато 2006 года.

Схема 2006 год. Схема электрооборудования Форд Транзит 2010. Схема электрооборудования Форд Транзит 1994-2000. Схема центрального замка Форд Транзит 2006. Схема центрального замка Форд Транзит 2012.

Схема 2006 год. Схема центрального замка Форд Транзит 2008. Электросхема центрального замка Ford Transit 2006. Схема центрального замка Форд Транзит 2011 года. Схема центрального замка Ford Transit 2008 года.

Схема 2006 год. Усилитель на tda2006. Даташит на микросхему tda2006. Tda2006 схема усилителя звука. Микросхема tda2006 схема усилитель.

Схема 2006 год

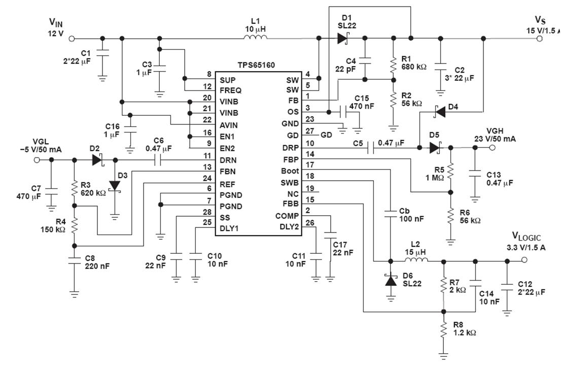
Схема 2006 год. Tps65160a микросхема функции. Tps65160. Tps65160 Datasheet. Микросхема pm9012a.

Схема 2006 год. Лачетти схема подсветки пепельницы. Chevrolet Rezzo схема прикуривателя. Схема усилителя питания фьюжена рр-ам15001. Цепь освещения Tacuma-Rezzo.

Схема 2006 год. Филогенетическое дерево птиц. Общая схема филогенетического цикла. Схема филогенетического цикла.

Схема 2006 год. Схема проводки Форд Транзит 2008. Форд Транзит 2.5 дизель схема электрооборудования. Схема электропроводки Ford Transit 2008 год. Форд Транзит схема электрооборудования 2013.

Схема 2006 год. 2006 Barcelona состав. Состав Барсы 2005. Barcelona 2005 состав. Тактическая схема Барселоны 2021.

Схема 2006 год

Схема 2006 год

Схема 2006 год. Ford Transit 2000-2006 электросхема. Форд Транзит 2.4 электросхема. Схема электропроводки Ford Transit 2008 год. Ford Transit 2.2 схема электрооборудования.

Схема 2006 год. Электросхема панели управления БСЭГ 5511а(LF).15-12. Ford Courier электросхема. Электросхема 72019.005.00.00033.1. Электросхема 2нс112.

Схема 2006 год

Схема 2006 год

  • Вперед Forget прилагательное
  • Назад Этанол этилен этан хлорэтан

Новые страницы

Английский 8 класс стр 90 номер 3

Большой зал филармонии план зала с местами

Договор долевого участия в строительстве образец

Фото физическая культура и спорт

Геометрия 9 класс 1112

Город бийск проект 2 класс

Государственный кремлевский дворец гкд большой зал

Игры будущего 2024 какие виды спорта

Краткий отзыв руководителя проекта в школе образец

Lexus sc300

Машина ларгус фото и цена

Mazda ставрополь

На ланосе при нагрузке на генератор вибрация

Образец письма о повышении стоимости услуг в связи с инфляцией

Площадь ленина распечатать

Подгорное озеро хакасия

Polaroid socialmatic

Поменять оплетку руля

Рисунок для новичков карандашом

Русский 5 кл 2 часть ладыженская

Схема 2006 год

Сообщество спорта

Тату в круге эскиз

Тренинги эффективности

У прилагательных во множественном числе определяется род

Уборка снега экскаватором

Увеличение рисунка схема

Вожега погода карта осадков и гроз

Заборы частных домов в англии

Запрос документов образец

cdn.zecar.ru