Skip to content

Фотогалерея

  • Главная
  • Контакты

Схема 13 н

Схема 13 н

Схема 13 н. Схема с обходной системой шин 110 кв. Схема 110-13н. Схема ПС С двумя системами шин 6кв. Однолинейная схема ПС 110/10.

Схема 13 н. Вывод синхронизирующих сигналов микроконтроллера. Стабилитрон на входе МК. Выпрямитель ВЧ сигналов. Схема выводов тактических наушников.

Схема 13 н. Схема одна секционированная система шин 110 кв. Схема две одиночные секционированные выключателем системы шин. Схема ЗРУ 10 кв с двумя системами сборных шин.

Схема 13 н. Обходная система шин 110 кв. Схема ору 220 кв с обходной системой шин. Схема с обходной системой шин 110 кв. Схема с 1 рабочей и обходной системами шин для ру 110-220 кв.

Схема 13 н. Центральная гировертикаль. Курсовая система КС-8. Центральная гировертикаль ЦГВ-10п. Центральная гировертикаль ЦГВ блок схемы.

Схема 13 н. Схема кнопки для перезагрузки. Attiny13 схема подключения. Attiny13 схемы устройств. Схема светофора на attiny13.

Схема 13 н. Схема разветвленной цепи постоянного тока. Электрические цепи постоянного тока задачи и решение. Решение задач по схеме цепи постоянного тока по законам Кирхгофа. Решение задач по электрическим цепям постоянного тока.

Схема 13 н. Одна секционированная выключателем система шин 10 кв. 9 – Одна рабочая секционированная выключателем система шин.. Схема распределительного устройства 35 кв. Схема 9н 110 кв.

Схема 13 н. Обходная система шин 110 кв. Обходная система шин 220 кв. Схема подстанции 2 системы шин 1 Обходная. Две системы сборных шин с обходной системой сборных.

Схема 13 н. Схема 110-13н. Схема распределения защит по ТТ И тн. Схема 110-9н. Схема 110-13.

Схема 13 н. Фрезерный станок 6н13п электрическая схема. Электросхема фрезерного станка 6р12 электрическая. Электросхема фрезерного станка 6н13. Станок 6н13п схема электрическая.

Схема 13 н. Схема внутреннего освещения Мерседес. Мерседес а класса 168 схема. Схема внутреннего освещения гольф 3. Митсубиси Мираж 4g13 схема проводки отопителя.

Схема 13 н. Опорные реакции балки. Определить реакции опор балки. Определить опорные реакции. Определение опорных реакций балки.

Схема 13 н

Схема 13 н. PSR реле безопасности. PSR-SPP-24uc/esa4/3x1/1x2/b. Реле безопасности схема подключения. Sirius реле безопасности схема подключения.

Схема 13 н. Схема с одной рабочей и обходной системами шин 220кв 2 линии. Схема с двумя рабочими и обходной системами шин 220 кв. Схемы с 2 рабочими 1 обходной системой шин. Схема с одной рабочей и обходной системами шин.

Схема 13 н. Обходная система шин 220 кв. Схема 13н 110 кв. Схема с двумя рабочими и обходной системами шин 220 кв. Схема шин с 2 рабочими и 1 обходной.

Схема 13 н

Схема 13 н. Схемы главных цепей камер КСО-366. КСО 393 схемы. КСО 366 схема ТП. КСО-393 С вакуумным выключателем схемы.

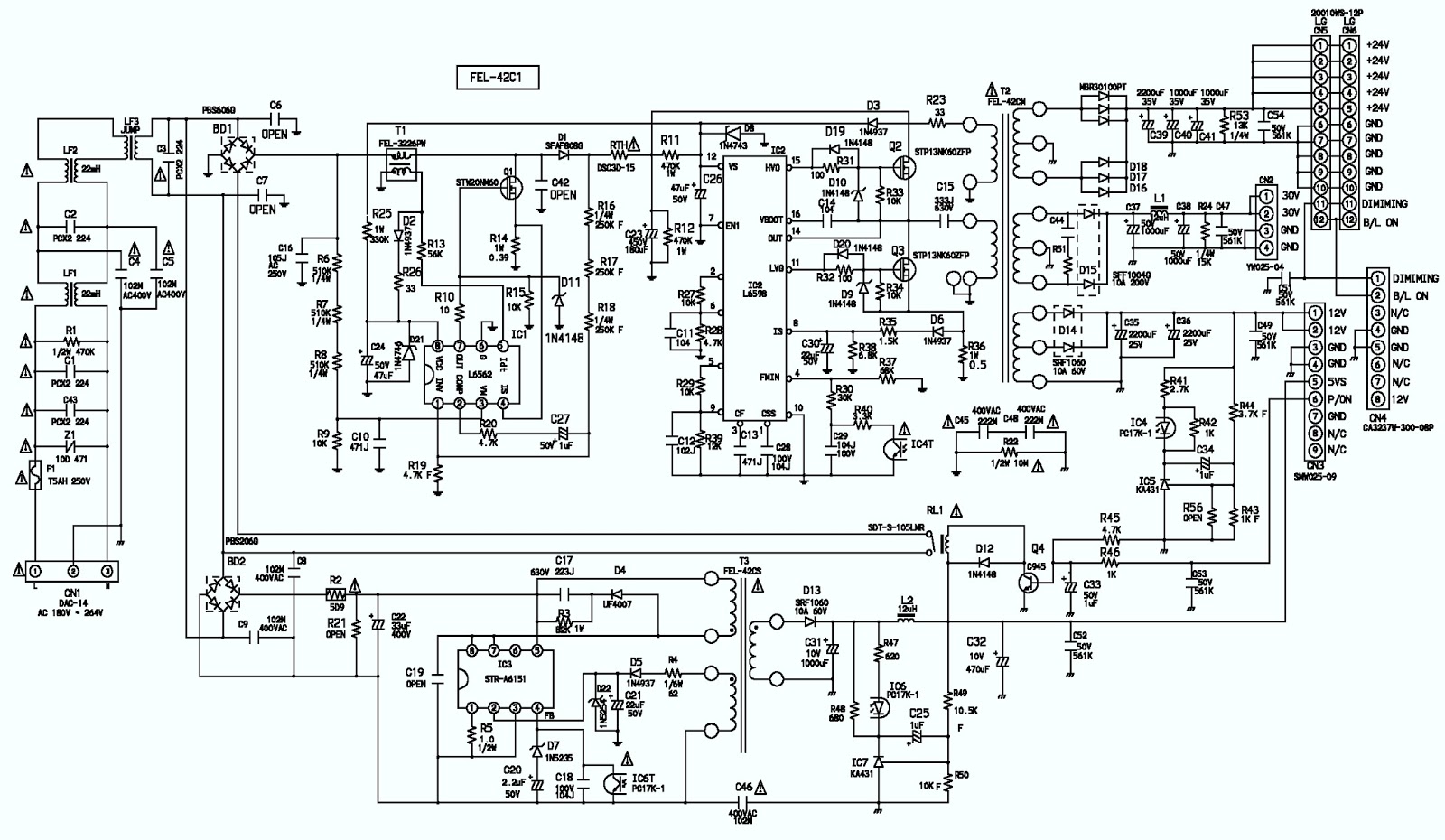
Схема 13 н. LG 42pa4500 схема блока питания. LG 42pa4510 схема y-sus. Схема GPX 4500. Sw014hdt2 схема.

Схема 13 н. Схема ПС 110-3н. Схема ПС 110 кв 110-4н. Схема 13н 110 кв. Схема ПС 110кв Рассказовская.

Схема 13 н. Двойная система шин с обходной схема. Схема с двумя рабочими и обходной системами шин. Ру 6кв схема с обводной системой шин.

Схема 13 н

Схема 13 н. Двухтактный усилитель на 6н13с схема. Ламповый усилитель на 6н13с схема. Усилитель на лампах 6н13с. Ламповый усилитель на 6н5с и 6н3п схема.

Схема 13 н. Схема с обходной системой шин 110 кв. Схема 13н 110 кв. Схема с обходной системой сборных шин. Схема с одной рабочей и обходной системами шин 220кв 2 линии.

Схема 13 н. Электросхема Hyundai h-1526. Телевизор Hyundai h led19v13. Hyundai h-led19v1 схема принципиальная. Телевизор Hyundai h-led19v13 схема принципиальная.

Схема 13 н. Схема распределительного устройства 110 кв. Схема распределительного устройства 330 кв. Схема ору 220 кв с обходной системой шин. Схема подстанции 35/10 кв.

Схема 13 н. Станок фрезерный 6м82 схема электрическая. Электросхема станка 6н13п Электрооборудование. Электросхема фрезерного станка ВМ 127м. 6к82г фрезерный станок схема электрическая принципиальная.

Схема 13 н. Обходная система шин 110 кв. Схема ру – двойная система сборных шин с обходной.. Обходной выключатель ору 110. Схема с обходной системой шин 110 кв.

Схема 13 н

Схема 13 н. Схема с обходной системой шин 110 кв. Схема с одной рабочей и обходной системами сборных шин. Схема с двумя рабочими системами сборных шин с обходной системой шин. Схема подстанции с обходной системой шин.

Схема 13 н. Щит гарантированного питания схема. ТП 60 14 схема подключения. Изображение автоматического выключателя на схеме. Автоматический выключатель на схеме ГОСТ.

Схема 13 н. Однолинейная электрическая схема подстанции 110/10 кв. Однолинейная схема подстанции 110/10 кв. Однолинейная электрическая схема подстанции 110/10. Схема подстанции 110 кв 4н.

Схема 13 н

Схема 13 н. Схема внутреннего освещения Мерседес. Схема 13. Патрубки w168 схема.

Схема 13 н. КРУЭ 110 кв схема принципиальная. Схема КРУЭ 330 кв. КРУЭ 110кв схема подключения. Схема КРУЭ 110 две рабочие системы шин.

Схема 13 н. Схема закрытого распределительного устройства 10 кв. Схема распределительного устройства подстанции 330кв. Схема распределительного устройства 35 кв. Распределительное устройство 6 кв схема.

Схема 13 н. Схема 13н 110 кв. Схема 110-13н. Схема с двумя рабочими и обходной системами шин.

Схема 13 н. Ламповый усилитель на 6н13с схема. 6н13с усилитель однотактный схема. Усилитель на лампах 6н13с. Двухтактный усилитель на 6н13с схема.

Схема 13 н. Схема подстанции 110 кв 4н. Принципиальная схема подстанции 110/10 кв. Схема подстанции 110-5н. Схема два блока с выключателями и неавтоматической перемычкой.

Схема 13 н

Схема 13 н. Схема 10-2 две секционированные выключателями системы шин. Схема ру 10 кв с вакуумными выключателями. Две рабочие секционированные выключателями системы шин. Схема с одной рабочей и обходной системами сборных шин.

Схема 13 н. Схема 13. Схема at13.

Схема 13 н. Радиолампа 6н13с. Цоколевка лампы 6п46с. 6н13с характеристики радиолампа. Аналоги цоколевки лампы 6н1п.

Схема 13 н. Автотрансформатор АОСК 071у2 схема. Реле ЭВ 100. Реле времени ЭВ-200. Реле ЭВ 112.

Схема 13 н. Блок питания PS-15, 13,8в, 15а. Uc3843 блок питания. БП 13.8В 20а схема. Трансформаторный блок питания 13.8 в 30а схема.

Схема 13 н. Smps70_v1.1 Parts. Схема блока питания для ПК на EASYEDA. Операционные усилители EASYEDA. IZETT HR-pp56125 схема.

Схема 13 н

Схема 13 н

Схема 13 н. ТМК-н13 схема подключения.

Схема 13 н. Схема с обходной системой шин 110 кв. Схема распределительного устройства с двумя системами шин. Схема открытого распределительного устройства 110кв.. Обходной выключатель ору 110.

Схема 13 н. Схема электрооборудования Мазда 6 gg. Mazda 6 GJ схема электропроводки. Мазда 6 система защиты электрических цепей что это. 6es5 398 0de13 схема.

Схема 13 н

Схема 13 н. 514ид1 схема включения. К514ид2 схема включения. К514ид1 подключение. Входной Каскад микроконтроллера на диоде.

Схема 13 н. Схема открытого распределительного устройства 110кв.. Открытое распределительное устройство 110 кв схема. Схема распределительного устройства 110 кв. План разрез ору 110 кв.

Схема 13 н. Обходная система шин 110 кв. Обходной выключатель 110 кв на схеме. Одиночная секционированная система шин 110 кв. Дифференциаль защита шины схемы 110 кв.

Схема 13 н. Обходной выключатель 110 кв на схеме. Схема с обходной системой шин 110 кв. Двойная система шин с обходной схема. Схема с одной рабочей и обходной системами шин 220кв.

Схема 13 н. Электрическая схема фрезерного станка модель 6р12. Фрезерный станок 6т12 схема электрическая. 6т12-1 фрезерный станок электросхема. Фрезерный станок 6т12-1 схема электрическая.

Схема 13 н. Схема 110-13н. Схема 13н две рабочие и Обходная системы шин. Схема 220-13 две рабочие системы шин. Обходной выключатель на схеме.

Схема 13 н. Электрическая схема Патрол y61. Патрол 60 схема электрическая. Схема проводки Ниссан Патрол. Схема проводки Ниссан Патрол y61.

Схема 13 н. Двухтактный преобразователь sg3524. Sg3525 схема DC-DC. Преобразователь на sg3524. 3525 ШИМ контроллер схема подключения.

Схема 13 н. МДМ усилитель постоянного тока. МДМ усилитель к140уд13. МДМ усилитель схема. К140уд13 схема.

Схема 13 н. Обходная система шин 110 кв. Обходная система шин 220 кв. Схема ору 220 кв с обходной системой шин. Обходная система шин 110кв на подстанции.

Схема 13 н

Схема 13 н. Обходная система шин 110 кв. Обходной выключатель 110 кв. Обходной выключатель на схеме. Двойная система шин с обходной схема.

Схема 13 н. Обходная система шин 220 кв. Схема ЗРУ 10 кв с двумя системами сборных шин. Обходной выключатель на схеме. Схема с двойной системой сборных шин.

Схема 13 н. 6н5с усилитель однотактный схема. 6н13с усилитель однотактный схема. Ламповый усилитель на 6с4с. Двухтактный усилитель на 6н13с схема.

Схема 13 н

Схема 13 н

Схема 13 н. Схема составного распределительного устройства. Ору 110 кв две системы сборных шин с обходной. Схема ЗРУ 10 кв с двумя системами сборных шин. Одиночная секционированная система шин 110 кв.

Схема 13 н

Схема 13 н. Схема принципиальная электрического щита на 4 квартиры. Принципиальная электрическая схема щита ЩР-1. Схема электрическая принципиальная щита распределительного. Схемы щитов распределительных 380 220.

Схема 13 н

Схема 13 н. Кинематическая схема станка 6н12. Кинематическая схема вертикально-фрезерного станка модели 6н12пб. Кинематическая схема вертикально-фрезерного станка 6н13. Кинематическая схема вертикально-фрезерного станка 6р12.

Схема 13 н. Атомные схемы растворов. CD атомная схема. Алмазы как образуются схема. Структурная диссоциация.

Схема 13 н. Транзактный анализ сценарная матрица. Сценарная матрица Берна. Матрица в Транзактном анализе. Сценарная схема.

Схема 13 н. 6с4с усилитель однотактный. Усилитель на 6н3п и 6п6с двухтактный. Двухтактный усилитель на лампах 6с19п. Ламповый двухтактный усилитель на лампах 6с41с схемы.

  • Вперед Карта пионерского района екатеринбурга с улицами и домами подробно
  • Назад Образец заполнения заявления на внесудебное банкротство

Новые страницы

2 Класс математика страница 59

Алгебра 299

Алгебра 8 класс номер 497

Блок схема с 3 циклами

Что характерно для кишечнополостных

Дракон из мультика мулан нарисовать

Движковый переключатель на 2 положения

Электроника 327 схема

Город тур франция

Как подключить тумблер с подсветкой

Как подключить вентилятор радиатора

Коммерческое предложение на строительные работы образец

На каком методе основываются способы изображения земной поверхности на плоскости

Назначение принципиальной электрической схемы

Нейропрописи для тренировки мозга

Описание фотографии образец

По номеру телефона узнать местоположение

Радиатор мс 140

Распиновка дк ваз

Схема 13 н

Схема как креститься мем

Строение и функции скелетных мышц 8 класс пасечник презентация

Строение мозга человека схема с описанием

Тэм схема электрическая

Тик ток смотреть бесплатно без регистрации поздравления с добрым утром картинки красивые необычные

Титульный лист сообщения образец для школы 3 класс окружающий мир

Trello что это за программа

Юношеские виды спорта

Запись в трудовую книжку по совместительству образец

Золотые серьги на заказ у ювелира

cdn.zecar.ru