Skip to content

Фотогалерея

  • Главная
  • Контакты

Sg6841

Sg6848 схема блока питания - Вместе мастерим

19V 90W NCP1207 TSM101 L6561 N3856 SG6841 SWITCHING POWER SUPPLY ...

lD7552 VS SG6841 - Depanari Radio-TV, Audio-video - ELFORUM - Forumul ...

电源控制集成块SG6841 - 家电维修资料网

开关电源PWM芯片SG6841 - 家电维修资料网

我用SG6841做的电源打嗝,请高手指点 - 捷配电子市场网

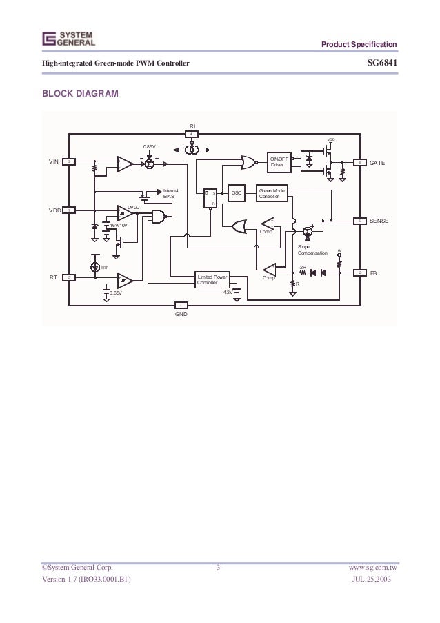
SG6841 Datasheet - High-integrated Green-mode PWM Controller

Блок питания на sg6841 схема

SG6841 datasheet(5/14 Pages) ETC | High-integrated Green-mode PWM ...

SG6841 datasheet(7/14 Pages) ETC | High-integrated Green-mode PWM ...

SG6841 datasheet(4/14 Pages) ETC | High-integrated Green-mode PWM ...

SG6841 datasheet(6/14 Pages) ETC | High-integrated Green-mode PWM ...

Sg6841s что за микросхема

SG6841D PWM IC Internal Diagram | Electronics Repair And Technology News

TOSHIBA 27WL46 L6B POWER UC3843 SG6841 L6561 TDA4863 Service Manual ...

冠捷液晶彩显电源电路解析及故障检修(SG6841集成块)_维修技术_电子爱好者

SG6841 SG6841SZ贴片SOP8液晶电源管理芯片驱动器(10只)_虎窝淘

Generic 5pcs New SG6841 SG6841S SG6841SZ PWM Controller SOP-8 : Amazon ...

ELECTRONIC EQUIPMENT REPAIR CENTRE : SHARP LL-171A-W/B POWER SUPPLY ...

开关电源PWM芯片SG6841 - 家电维修资料网

SG6841 IC POWER SUPPLY PWM | Shopee Thailand

LCD power management chip driver 10PCS SG6841 SG6841SZ SOP 8-in ...

Jual SG6841DZ SG6841D SG6841 DIP-8 NEW ORIGINAL Mantaff di Lapak ...

Circuito Integrado SG6841 - Eletro Parts

开关电源PWM芯片SG6841 - 家电维修资料网

‫مشخصات، دیتاشیت، قیمت و خرید SG6841 DZ‬

Monitor Dell - przetwornica SG6841 nie startuje, napięcia prawidłowe ...

High-integrated Green-mode PWM Controller SG6841

SG6841 TL1451 IP-BOARD 715L1103-D CCFL INVERTER SCH Service Manual ...

SG6841 - Справочник по микросхемам

SG6841 TL1451 IP-BOARD 715L1103-D CCFL INVERTER SCH Service Manual ...

sg6841sz典型应用电路图,cd4051典型应用电路图(3) - 伤感说说吧

10PCS PWM Controller IC SYSTEM GENERAL/FAIRCHILD SOP-8 SG6841SZ SG6841 ...

Free-Shipping-SG6841S-SG6841-6841S-SOP-8-New-original-IC.jpg

Generic 10 pcs SG6841SZ SG6841 SG6841S PWM Controller SOP-8 New ...

  • Вперед Образец уведомления о передаче прав аренды земельного участка
  • Назад Колизей фитнес

Новые страницы

1 Класс русский язык рабочая тетрадь страница 6

4 1 2 1 2 Схема

Белый медведь из мультика картинки

Чапче корейское блюдо

Что такое достояние

Фентаниловый пластырь

Город библ сидон тир на контурной карте

Хорватия опатия

Ифн 300

История гдз 6

Как избавиться от бобров на речке

Как понять что рулевая рейка сломалась

Как уменьшают грудь

Какие аналоги у бензонасоса от фиат пунто

Kia358p

Конец блок схемы

Конкурс рисунков оживи цифру

Мекка медина красивые

Офп тренировочный процесс

Оля с прошедшим днем рождения картинки

Отопление талдом

Подшивка крыши деревом

Презентация наводнения виды наводнений и их причины 7 класс обж

Распиновка предохранителей нива тревел

Ребусы для детей 7 8 в картинках

Русский 6 класс упражнение 474

Схема работы диода

Виды средств связи предложений

Водорезерв бурение скважин лен обл

Заявление на списание пени за коммунальные услуги образец

cdn.zecar.ru