Skip to content

Фотогалерея

  • Главная
  • Контакты

Серенада схема

Серенада схема

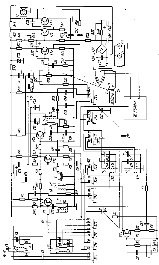
Серенада схема. Схема приемника Нейва 304. Схема приемника Селга 309. Схема радиоприемника Селга 309. Схема приемника Сокол 404.

Серенада схема. Схема электрическая принципиальная радиолы Серенада рэ209. Серенада р3-208 схема. Схема приемника Серенада 306. Схема электрическая радиолы Серенада 406.

Серенада схема. Схема радиолы Серенада 308. Радиола Серенада 308. Серенада РЭ-308 ремонт. Серенада р3 308 содержание драгметаллов.

Серенада схема

Серенада схема

Серенада схема. Серенада РЭ-209 схема. Электрическая схема Серенада РЭ 209. Серенада РЭ-209 содержание драгметаллов. Серенада РЭ-209 соединение проводов.

Серенада схема. Радиола Серенада 404. Радиола Серенада 405 схема. Радиола Серенада-405 СССР. Серенада 402 радиола схема.

Серенада схема. Радиоприемник Кантата 204 схема. Радиола Кантата 204 схема. Радиола Урал 110 схема принципиальная электрическая. Схема приемника Урал 57.

Серенада схема. Радиола Серенада РЭ-209 схема. Радиола Серенада принципиальная схема. Схема электрическая принципиальная радиолы Серенада рэ209. Радиола Серенада 405 схема.

Серенада схема

Серенада схема. Схема радиолы Комета. Принципиальная схема радиола Волга. Радиола Кама 51 схема. УКВ блок радиолы Беларусь 101.

Серенада схема

Серенада схема. Серенада 402 радиола схема. Схема радиоприемника Серенада 402. Электрическая схема Серенада РЭ 209. Схема электрическая радиолы Серенада 406.

Серенада схема

Серенада схема

Серенада схема

Серенада схема. Серенада 209 проигрыватель схема. Схема электрическая радиолы Серенада 406. Электрическая схема Серенада РЭ 209. Схема радиолы Серенада 306.

Серенада схема. Лунная Серенада схема вышивки. Схемы вышивки Панна. Panna вышивка схемы. Вышивка Лунная Серенада.

Серенада схема. Вышивка крестиком Серенада. Схема вышить Серенада. Вышивка крестом испанская Серенада. Серенада вышивка крестом схемы.

Серенада схема. Радиола Серенада РЭ-209 схема. Серенада 209. Серенада РЭ-210с внутри. Переделка радиолы Серенада РЭ 208.

Серенада схема. Серенада 208. Серенада РЭ-208. Радиола Серенада 208. Серенада РЭ-208" драгметаллов.

Серенада схема. Радиоприемник Урал 112 схема. Схема лампового радиоприемника Серенада.. Радиола Урал 112 схема электрическая. Ламповый приемник Урал 112 принципиальная схема.

Серенада схема. Серенада 306 ЭПУ 38м 02. Игла для радиолы Серенада 306. Трансформатор выходной звуковой радиолы Серенада 404. Схема ЭПУ Серенада 306.

Серенада схема. Радиоприемник Серенада 405 схема. Схема приемника турист 315. Ламповая Селга схема.

Серенада схема. Проигрыватель Вега 323 стерео схема. Радиола Вега 323 стерео схема. Вега 323 стерео схема. Вега 323 схема принципиальная.

Серенада схема. Радиоприемник эфир 03 принципиальная схема. Радиоприемник эфир 07 схема. Радиоприемник эфир-14 схема. УКВ радиоприёмник "аметист р-301".

Серенада схема. Радиола Сириус 311 схема принципиальная. Магнитола Сириус 311 схема. Схема приемника Сириус 314. Схема радиоприемника Сириус.

Серенада схема. ЭПУ 48 схема. ЭПУ-62сп схема. 3-ЭПУ-48сп схема устройство электропроигрывающее. Устройство электропроигрывающее 3-ЭПУ-48.

Серенада схема. Схема радиолы Муромец 62. Минск 61 радиола схема. Радиола Минск р-7 ( двигатель электродвигатель Даг 1 схема подключения. Схема подключения проводов приемника радиолы на Honda Stream 2001 года.

Серенада схема. Радиола Серенада 404. Серенада 402 радиола. Схема радиола Серенада 404. Серенада 402 радиола схема.

Серенада схема. Схема электрическая радиолы Серенада 406. Принципиальная схема радиолы Серенада РЭ 308. Схема электрическая принципиальная радиолы Серенада рэ209. Радиола Серенада РЭ-308 схема.

Серенада схема

Серенада схема. Лунная Серенада схема вышивки. Вышивка Лунная Серенада. Лунная Серенада Панна. Серенада для Мурки вышивка крестом схема.

Серенада схема. Радиола Серенада принципиальная схема. Электрическая схема Серенада РЭ 209. Схема электрическая принципиальная радиолы Серенада рэ209. Радиоприемник Серенада РЭ 209 схема.

Серенада схема. Радиола Серенада РЭ-209 схема. Схема электрическая принципиальная радиолы Серенада рэ209. Радиола Серенада 405 схема.

Серенада схема

Серенада схема. Принципиальная схема радиолы Серенада РЭ 308. Радиола РЭ-308. Серенада РЭ-308 динамик. Серенада РЭ-308 со стерео головкой.

Серенада схема. Ламповый радиоприемник схема. Октава приемник ламповый схема. Приемник Родина 52 схема. Радиоприемник Родина 52 схема.

Серенада схема

Серенада схема. Радиола р3 308. Проигрыватель Серенада РЗ 209 схема. Схема электрическая принципиальная Серенада РЭ 208. Схема проигрывателя Серенада РЭ 209.

Серенада схема. Радиола Серенада РЭ-308. Проигрыватель Серенада РЗ 308. Звукосниматель Серенада РЭ-308. Радиола Серенада РЭ 308 плата.

Серенада схема. Серенада 405. Радиола Серенада 404. Радиоприёмник Серенада 405. Радиола Серенада-405 СССР.

Серенада схема

Серенада схема. Радиола Серенада РЭ-208. Радиола Серенада РЭ-208 схема. Схема электрическая принципиальная радиолы Серенада рэ209. Схема приемника Серенада 405.

Серенада схема. Радиола Серенада принципиальная схема. Схема приемника Серенада 306. Схема электрическая радиолы Серенада 406. Схема проигрывателя Серенада РЭ 209.

Серенада схема. Радиола Латвия схема принципиальная. Схема лампового приемника Ангара. Радиола Серенада принципиальная схема.

Серенада схема. Радиола Серенада 405 принципиальная схема. Серенада 402 схема. Радиола Серенада 406. Серенада РЭ-208 схема.

Серенада схема

Серенада схема

Серенада схема. Серенада 208. Радиола Серенада 208. Серенада р3-208. Серенада РЭ-208" драгметаллов.

Серенада схема. Схемы вышивки Панна. Лунная Серенада схема вышивки. Вышивка Лунная Серенада. Серенада вышивка крестом схемы.

Серенада схема. Серенада РЭ-208. Радиола Серенада 208. Платы проигрыватель Серенада РЭ-209. Серенада РЭ-208" драгметаллов.

Серенада схема

Серенада схема. Серенада 402 радиола. Схема радиолы Серенада 306. Ламповая радиола Серенада 402. Трансформатор сетевой радиолы Серенада 402.

Серенада схема

Серенада схема. Вышивка крестиком Серенада. Серенада вышивка крестом схемы. Схема вышивки крестиком Серенада. Схема вышивки крестиком коты Серенада.

Серенада схема

Серенада схема. Лунная Серенада схема вышивки. Лунная Серенада Панна.

Серенада схема

Серенада схема. Схема радиолы Серенада 306. Радиола Серенада принципиальная схема. Схема электрическая радиолы Серенада 406. Радиола Серенада 405 принципиальная схема.

Серенада схема

Серенада схема. Вышивка Серенада. Вышивка крестиком Серенада. Серенада вышивка крестом схемы. Схема вышивки крестиком Серенада.

Серенада схема

Серенада схема

Серенада схема. Серенада РЭ-209 схема верньерного устройства. Серенада РЭ-210с схема. Схема радиолы Серенада 306. Радиола Серенада РЭ-308 схема.

Серенада схема

Серенада схема

Серенада схема

Серенада схема. Блок УКВ Меридиан 235. Меридиан 210 УКВ блок fm. УКВ блок Меридиан 246. Меридиан-235 радиоприёмник схема.

Серенада схема. Схема приемника Серенада 306. Радиола Серенада принципиальная схема. Электрическая схема Серенада РЭ 209.

Серенада схема. Приемник Серенада 402. Серенада 402 радиола. Схема радиолы Серенада 306. Трансформатор сетевой радиолы Серенада 402.

Серенада схема

Серенада схема

Серенада схема

  • Вперед Как отбелить зубы
  • Назад Ferrero rocher конфеты

Новые страницы

Акт на утилизацию продуктов питания образец

Астра пионовидная фиолетовая башня

Что такое карточка организации образец

Договор на разработку проектной документации образец

Фитинг для труб

Гдз по литературе 6 класс 2 часть 2021

Интеграл спб

Исковое заявление о признании родства с умершим образец

Как нарисовать сидящего человека на полу поэтапно

Как заменить термостат на дэу матиз

Карта краснодара пробки онлайн сейчас

Картинки с добрым утром на английском языке

Коломна экшн парк

Кто является основным участником экономических отношений кратко

Ледовый дворец в сеченово

Митино метро схема метро

Нержавеющая труба гофрированная

Обрывок провода воробьев текст рассказа с картинками

Они пожирали пойманную рыбу и спокойно подпускали охотников синтаксический разбор предложения схема

Почему во время тренировок

Прихватки для кухни своими руками схемы

Прикольные картинки для аватарки группы друзей

Схема работы магазина

Слова спорт 7 букв

Устройство бортовых камней расценка

Ветрянка у детей лечение

Виленкин жохов чесноков математика 5 класс гдз

Заявление на вступление в профсоюз образец

Заявление о возмещении пособия на погребение в фсс образец

Женщина на унитазе вид снизу

cdn.zecar.ru