Skip to content

Фотогалерея

  • Главная
  • Контакты

Scm3725asa

SCM3725ASA / Mornsun

SCM3725ASA / Mornsun

SCM3725ASA Mornsun America, LLC | アイソレータ | DigiKey

SCM3725ASA : 반도체

SCM3725ASA / Mornsun

Scm3725asa Ic Original Electronic Components Kit Integrated - Buy ...

SCM3725-SCM3728-SCM3725ASA-SCM3728ASA-SOP-8-aisladores-digitales-de ...

SCM3728ASA SCM3725A SCM3725ASA 双通道数字隔离器 MORNSUN原装-淘宝网

SCM3725 SCM3728 SCM3725ASA SCM3728ASA SOP-8 aisladores digitales de ...

高功率密度、快速响应费控开关电源控制芯片—SCM1725A_技术资料_广州金升阳科技有限公司

LM6172IM/NOPB, Операционный усилитель, 100 МГц Texas Instruments купить ...

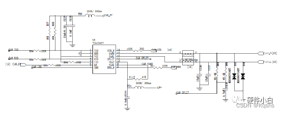
汽车电子常用外围硬件电路设计_acc检测电路-CSDN博客

Дополнительные контроллеры питания / Каталог

Документация на SCM3728ASA

NSI8222N1-DSPR | NOVOSENSE | Digital Isolators | JLCPCB

SCM3425A MORNSUN金升阳 车规级高速CAN总线接口芯片

CAN接口典型电路分析及应用 - 技术阅读 - 半导体技术

技能梳理35@电源软起动电路+大电流开关电路+恒流源电路_大电流 恒流驱动电路 讲解-CSDN博客

ADUM5241ARZ-RL7 | Analog Devices | Digital Isolators | JLCPCB

ATC(에이티씨) SCM7 Ver.3 스탠드마운트 스피커 – AV 플라자

BESPOKE 김치플러스 3도어 키친핏 313 L | RQ33C74B1AP | Samsung 대한민국

SD1100C20L批发采购价格ic资料下载-114ic电子网

SD1100C20L批发采购价格ic资料下载-114ic电子网

SCM3425A MORNSUN金升阳 车规级高速CAN总线接口芯片

SC92F7322X20U SOC(赛元) 增强型的 1T 8051内核工业级 Flash 微控制器

SA8329 SYTAtek BLDC驱动芯片

  • Вперед Схема звуков начало конец середина
  • Назад Гдз 648

Новые страницы

Алопеция лечение

Асн 5000 1 эм схема

Би 2 последние новости

Брелки из плюшевой пряжи схемы

Дом музыки схема зала фото

Гдз английский язык рабочая тетрадь 2 класса

Гдз по математике 2 класс рабочая тетрадь моро 1

Гдз по русскому 4 класс 2017 год

Глз по информатике

Как измеряется емкость аккумулятора

Как настроить датчик дождя

Кил фиш в москве

Меккелев дивертикул

Мо карта пенза как получить

Молодежь как социальная группа особенности молодежной субкультуры кратко

Монтажник слаботочных сетей

Проект родословная 2 класс окружающий мир образец

Программа по физической культуре модуль спорт

Рабочая тетрадь по математике 2 класс 2 часть страница 64

Ремонт обуви маяковская

Схема вольтамперметра

Схемы алгоритмов программ гост

Схемы подключения бытовых

Схемы проведения сертификации продукции

Свотч самара

Тест кто ты ангел или демон для девочек с картинками бесплатно

Установить триколор тв на телевизор

Вакансии разнорабочий в москве от прямых работодателей

What factors affect what we do later on in life

Заявление на ремонт швов в панельном доме образец

cdn.zecar.ru