Skip to content

Фотогалерея

  • Главная
  • Контакты

S3f9454

S3F9454 easy programm - YouTube

Nand Flash Memory Ic Chip Price S3f9454 S3f9454bzz-dk94 Dip-20 - Buy ...

Selling S3F9444XZZ-DC94, S3F9454, S3F9454B22-DK84 with S3F9444XZZ-DC94 ...

POVOS PENTIUM COOKER 74164 S3F9454 Service Manual download, schematics ...

三星单片机S3F9454学习开发板功能介绍

Struggling with the SPI pinout of this ESP8266-01 - Project Guidance ...

S3F9454 S3F9454BZZ DK94 DIP20 new and original-in Relays from Home ...

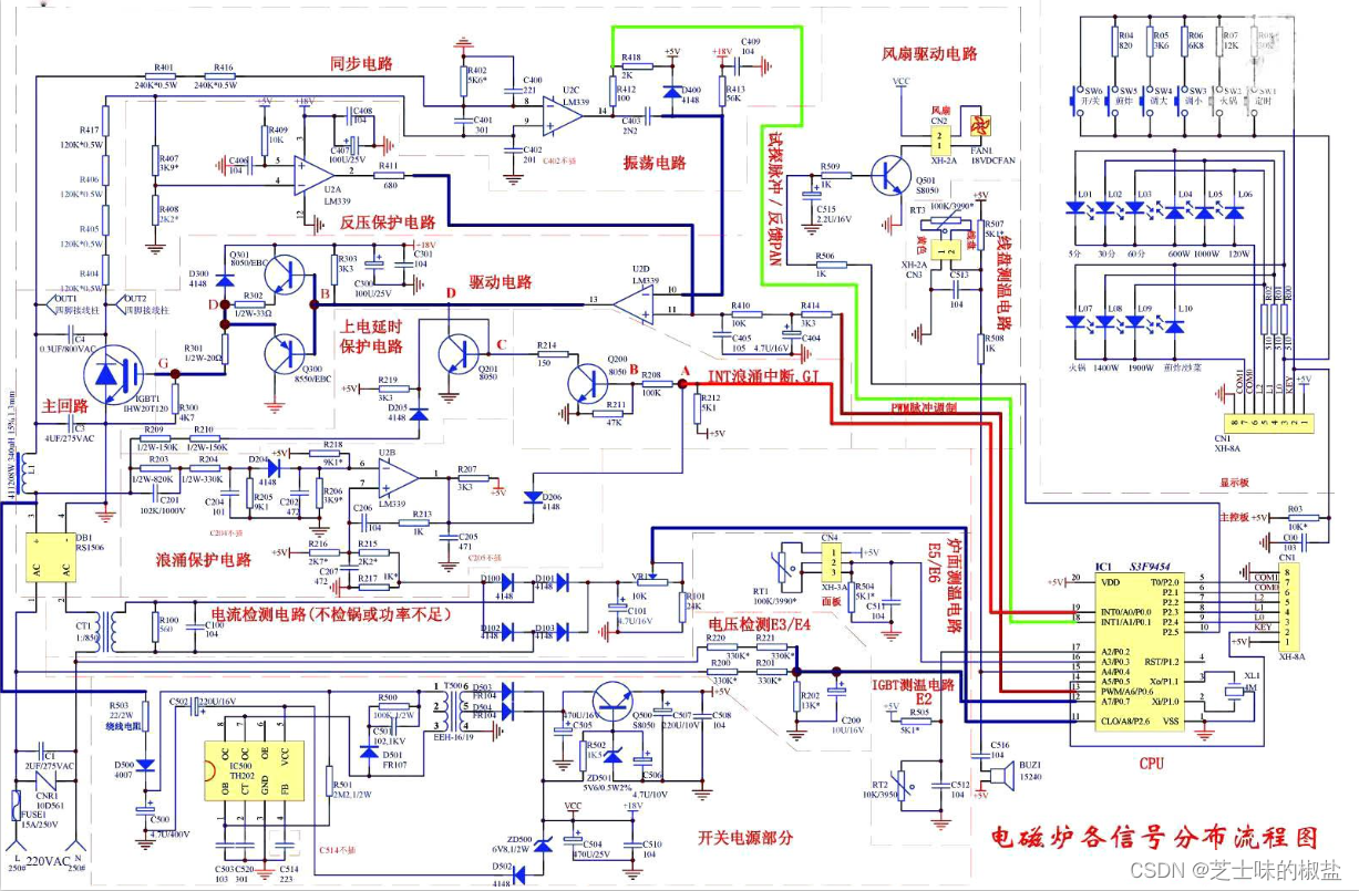
由S3F9454构成的奔腾电磁炉电路原理图-接线图网

MCU单片机HC89F0431A(TSSO20)兼容替代S3F9454-上海芯圣电子股份有限公司-电子发烧友网

S3F9454 Datasheet PDF - Samsung semiconductor

S3F9454 datasheet(7/26 Pages) SAMSUNG | SAM88RCRI family of 8-bit ...

基于KA3525的高频感应加热电源的设计_参考网

Nodemcu Esp8266 V1 Pinout

EPCSTOE半球型电磁炉E0故障维修

ht45f0049资料,ht45f0049引脚图 - 伤感说说吧

Reverse Engineering Microcontroller IC Samsung S3F9454

Crack Samsung S3F9454 Microcontroller Memory Program

ht45f0049,ht45f0049资料 - 伤感说说吧

S3F9454 datasheet(22/26 Pages) SAMSUNG | SAM88RCRI family of 8-bit ...

3 uds S3F9454BZZSK94 3F9454BZZSK94 S3F9454 3F9454 componentes ...

ESP32 I2C Communication: Set Pins, Multiple Bus Interfaces and ...

Freeshipping S3F9454 S3F9454XZZ DHB4-in Computer Cables & Connectors ...

S3F9454 datasheet(9/26 Pages) SAMSUNG | SAM88RCRI family of 8-bit ...

S3F9454 datasheet(23/26 Pages) SAMSUNG | SAM88RCRI family of 8-bit ...

iFix 爱修网RT809F教程与软件会员注册 技术求助区 专业液晶维修 编程器官方网站RT809F使用教程—三星S3F系列MCU读写方法_以 ...

ht45f0049,ht45f0049资料 - 伤感说说吧

JOYOUNG JYC 19T COOKER S3F9454 Service Manual download, schematics ...

10+ Viper12A Circuit Diagram | Robhosking Diagram

S3F9454 datasheet(21/50 Pages) SAMSUNG | SAM88RCRI INSTRUCTION SET

Reverse Engineering Microcontroller IC Samsung S3F9454

S3F9498 datasheet(26/239 Pages) SAMSUNG | 8-BIT CMOS MICROCONTROLLER

POVOS PENTIUM COOKER 74164 S3F9454 Service Manual download, schematics ...

RT809F USB PC Repair Tool Programmer +7 Adapters+SOP16 SOP20 IC Clip ...

ht45f0049应用电路图,t45f0049充电器,雅迪充电器电路图60_大山谷图库

RT809F Serial ISP Programmer Tool for PC MainBoard LCD Controller Read ...

  • Вперед Презентация общество 10 класс общество как сложная система
  • Назад Sports time

Новые страницы

128 5

Акт затопления квартиры

Бар уфа

Генплан многоэтажного дома чертеж

К561лн2 содержание драгметаллов

Как украсить машину невесты

Какое наказание за езду по тротуару

Крошка сын к отцу пришел и спросила кроха маяковский текст с картинками

Кровь в сперме лечение

Маленькие схемы вышивки дракончиков

Математика 4 класс 2 часть страница 36 номер

Математика 5 класс страница 228

Математике 5 класс 2 часть виленкин ответы

Мой малютка дремлет сладко в колыбели

Надпись берегите природу рисунок

Патрисия каас слушать онлайн бесплатно

Правоотношения конспект

Распиновка эбу mr140

Ратэк как вернуть груз

Схема германской империи

Схема грипп

Схема зубов человека фото

Составьте вопросный план текста и дайте краткий ответ на каждый из поставленных вопросов

Тату моменто море эскизы с руками

Трудовой договор для мигрантов образец

Учитель удивлялся его знаниями

Utc7608d

Вопросы по обществознанию за 7 класс

Заяц из сказки колобок картинка для детей

Заявление на регистрацию ребенка по месту жительства образец

cdn.zecar.ru