Skip to content

Фотогалерея

  • Главная
  • Контакты

Rtl8201

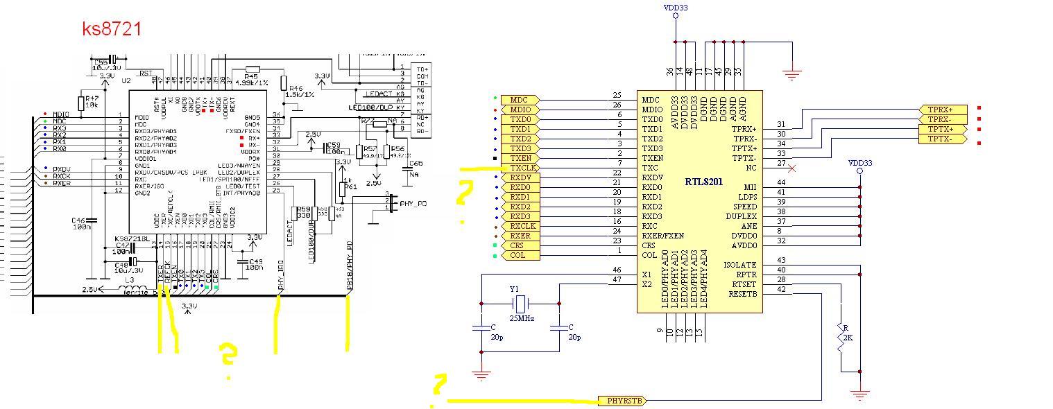
RTL8201 以太网PHY芯片 调试记录

Realtek RTL8201CL (Fast Ethernet PHY)

UDP Gigabit Ethernet Module RTL8211-ALINX

RTL8201BL/RTL8201 datasheet,RTL8201参考设计,RTL8201规格书,RTL8201 datasheet ...

Demande de révision : ESP32 avec réseau phy rtl8201 : r/PrintedCircuitBoard

FPGA之百兆网RTL8201F - 程序员大本营

Rtl8201 Ethernet card debugging - Programmer Sought

EsPiFF | Crowd Supply

Сброс пароля регистратора Dahua XVR5108C | IT blog - notes on a fields

RTL8201F-VB-CG datasheet(15/66 Pages) REALTEK | SINGLE-CHIP/PORT 10 ...

10 PCS RTL8201CL QFP-48 RTL8201 FAST ETHERNET PHYCEIVER | eBay

at91sam7x + rtl8201 +freertos - elektroda.pl

5 PCS RTL8201FR QFN-24 RTL8201 Chip Single Port 10/100m Fast Ethernet ...

RTL8201CP RTL8201 QFP48 new-in Integrated Circuits from Electronic ...

Realtek RTL8201CL

RTL2832U+R820T2 0.1MHz-1.7GHz TCXO ADSB UHF VHF HF FM RTL.SDR USB Tuner ...

2 PCS New RTL8201CL RTL8201 QFP48 ic chip | eBay

Ci Lan Realtek Rtl8201cp | Rtl8201 | Novo | Original - R$ 11,00 em ...

Realtek RTL8201CL

Buy LILYGO T-ETH-Lite ESP32 RTL8201 Ethernet, WiFi Bluetooth Module ...

ESP32 Ethernet PHY chips supported by Arduino and ESP-IDF - PCB Artists

5 PCS RTL8201CP QFP-48 RTL8201 Fast Ethernet Phyceiver Chip IC | eBay

RTL8201 datasheet(8/29 Pages) ETC | REALTEK SINGLE CHIP SINGLE PORT 10 ...

RTL8201-RMII电路_rtl8201f 参考电路-CSDN博客

Jual Ic Rtl8201cp Realtek Audio Amplifier Rtl 8201 Tv Lcd Rtl8201 - Kab ...

RTL8201 - 10Mbps speed and PHY status (IDFGH-7337) · Issue #8923 ...

RTL8201网络芯片讲解 - 技术阅读 - 半导体技术

Buy LILYGO T-ETH-Lite ESP32 RTL8201 Ethernet, WiFi Bluetooth Module ...

Rtl8201cp схема включения

RTL8201 RTL8201CL RTL8201CL VD LF QFP 48|realtek| - AliExpress

SHARC Ethernet Woes — Mr. IIoT

1PCS 10PCS New original RTL8201F RTL8201F VB CG QFN 32 SINGLE CHIP/PORT ...

RTL8201E - RTL 8201E - RTL 8201 E - RTL8201 - 8201e

10PCS RTL8201CP RTL8201 QFP48 new original free shipping fast delivery ...

Buy LILYGO T-ETH-Lite ESP32 RTL8201 Ethernet, WiFi Bluetooth Module ...

  • Вперед Синоптическая карта крыма в реальном времени
  • Назад Акт готовности оборудования к эксплуатации образец

Новые страницы

632 Геометрия 7 класс

Акт передачи проектной документации заказчику образец

Алгебра 7 класс мерзляк номер 482

Гдз по математике 3 класс учебник гейдмана 2 часть

Гдз русский 5 класс 655

Как подключить магнитола

Как поменять ремень грм на

Как проверить показания счетчика электроэнергии онлайн

Картинка свинья на белом фоне

Картун кэт картинки страшные

Лампы pajero sport 2

Медной горы хозяйка с картинками

Mitsubishi pajero sport 2 двигатель

Номер 705 по математике 6 класс

Преимущества гелевого аккумулятора

Протокол по госту образец

Путешественники в географии 6 класс

Рождественские схемы вышивки

Русские народные инструменты картинки с названиями

Шарик для тренировки легких

Скорая в сша

События обозначенные на схеме стрелками начались

Согласие на ребенка по россии без родителей образец

Спортивные игры являются подвижными

Спортсмен в регистрируемом пуле

Темрюк грузоперевозки

Тортики на день рождения для мальчиков 2 года

Валберис женские спортивные брюки больших

Вид с крыши 5 этажного дома

Замена передних тормозных колодок на рено каптур

cdn.zecar.ru