Skip to content

Фотогалерея

  • Главная
  • Контакты

Rsn311w64 datasheet

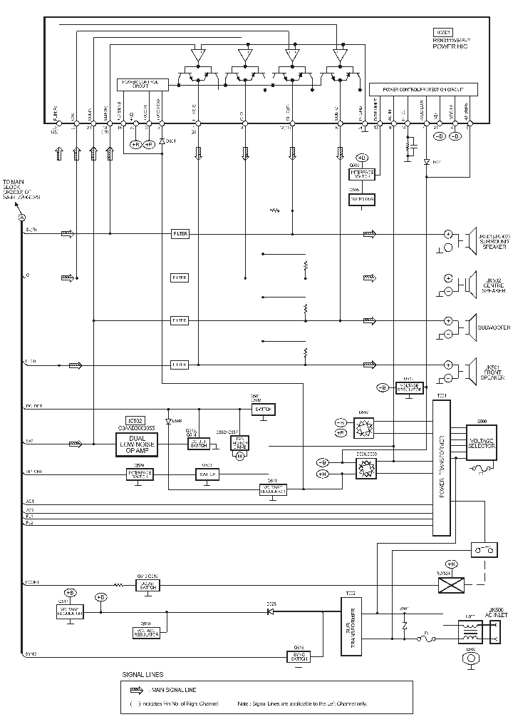
RSN311W64 Datasheet PDF - Audio Module - Panasonic

RSN311W64 Datasheet Meta Search

RSN311W64 Datasheet - Audio Power Module - Panasonic

RSN311W64 DATASHEET EBOOK DOWNLOAD

RSN311W64B-P_2002456.PDF Datasheet Download --- IC-ON-LINE

RSN311W64-P Datasheet Meta Search

RSN311W64 - Музей электронных раритетов

RSN311W64B-P Datasheet PDF - ETC

RSN311W64 wzmacniacz hybrydowy | Orzesze | Kup teraz na Allegro Lokalnie

RSN311W64 / RSN311W64P / AUDIO POWER MODULE / ZIP 26 PIN Datasheet PDF

RSN311W64 - Музей электронных раритетов

RSN312H24 Datasheet PDF , Panasonic : Panasonic Audio Power Module

RSN311W64 / RSN311W64P / AUDIO POWER MODULE / ZIP 26 PIN Datasheet PDF

Skema Tef Darlington – Beinyu.com

RSN311W64 - YouTube

RSN311W64 - Музей электронных раритетов

RSN311W64 RSN311W64A RSN311W64B RSN311W64D NEW AND ORIGINAL MODULE

RSN311W64 Panasonic Technics 6ch class H | Białystok | Kup teraz na ...

NEW 1PCS SANYO RSN311W64B RSN311W64 MODULE | eBay

Panasonic RSN311W64B = RSN311W64D-P IC

RSN312H24 Datasheet - Audio Power Module - Panasonic

RSN6000A Datasheet(PDF) - DATASHEETBANK

RSN311W64 IC RSN311W64D Audio Module – KP Components Inc.

GMP-Compliant CPC

0520/12/o/n/16 audio

RSN311W64B-P HTML VIEW PDF DOWNLOAD - Panasonic Corporation

RSN310R36 RSN310R37 RSN311W64 RSN312H24 RSN314H41 RSN315H42 RSN307M42 ...

New 1pcs/lot Rsn311w64a Rsn311w64b Rsn311w64d Rsn311w64 Module ...

NEW ORIGINAL MODULE RSN311W64D P RSN311W64D RSN311W64 RSN311W64 D-in ...

1pcs RSN311W64 RSN311W64D NEW-in Integrated Circuits from Electronic ...

RSN3502 RSN3502B RSN35H1 RSN35H2 RSN35H2A RSN36S5 RSN36S5B RSN6000 ...

RSN3502A_1240627.PDF Datasheet Download --- IC-ON-LINE

ALL Datasheet Updates for Tyranids!! Inc. Norn Emissary, Assimilator ...

Free Shipping 1PCS ORIGINAL MODULE RSN311W64D P RSN311W64D RSN311W64 ...

RSN312H24 - Audio Power Module - Panasonic - DataSheetGo.com

  • Вперед Автобус zhong tong 53 схема
  • Назад Гдз по русскому языку 3 класс 2 часть страница 61

Новые страницы

Анализ стиха цветаевой попытка ревности

Аргентина буэнос айрес все города

Ballistix sport

Дилер рено в саранске

Fitness teen

Fyls 0603pgc

Гнойная ангина фото горла у детей

Как написать расписку в получении денег в долг от руки образец правильно

Карта ижма со спутника

Картинки с днем рождения женщине учителю красивые с пожеланиями

Кирилл и яна яночкина

Математика 4 класс страница 82 номер 8

Мерседес 124 не заводится на холодную

Моторола 790af распиновка эбу

Национальность обломова

Новогодние поделки схемы

Послеоперационный воротник для кошек

Презентация образец проекта

Природа с морем

Проект зомбоид лучшие места для базы

Расход масла пежо 307

Русский язык 3 класс 1 часть стр 88

Русский язык вторая часть третий класс рабочая тетрадь

Схема модуля управления стиральной машины индезит

Спрайты для рисуем мультфильмы 2 poppy playtime 2

Сухость глаза лечение капли

Суперкар лада raven

Tda7052a схема усилителя

Упражнение 307 по русскому языку

Вк22

cdn.zecar.ru