Skip to content

Фотогалерея

  • Главная
  • Контакты

Разборка противотуманных фар

Разборка противотуманных фар — ГАЗ 24, 2,5 л, 1979 года | своими руками ...

Разборка. | Фотосайт СуперСнимки.Ру

РЕМОНТ ФАР на ПРИОРЕ - YouTube

Характеристики Монтажный набор подключения противотуманных фар Приора 1 ...

Схема подключения противотуманных фар

Купить Кнопка включения противотуманных фар во Владивостоке по цене: 1 ...

Схемы подключения противотуманных фар через реле

Обзор противотуманных фар на Хендай Акцент - YouTube

🏮 Обзор противотуманных, линзованых, светодиодных фар и обжимки для ...

Замена стекол противотуманных фар

Проводка для противотуманных фар | Festima.Ru - Мониторинг объявлений

Установка противотуманных фар 643019-3700007 МАЗ 6312B5 | Запчасти Konnor

Жгут проводов для подключения противотуманных фар vw с цоколем hb4 80 фото

Улучшаем свет противотуманных фар. Ставим LED лампы в противотуманки ...

Кнопка выключатель противотуманных фар для КАМАЗ, ЗИЛ, МАЗ, УАЗ (LD0544 ...

Крышка противотуманных фар автомобиля Нижняя решетка бампера - купить с ...

Облицовка противотуманных фар ГЛУХАЯ ПРАВАЯ для Лада Ларгус, оригинал ...

Как подсоединить противотуманки: Как подключить противотуманки ...

Mazda 3 | Регулировка фар и передних противотуманных фар | Мазда 3 ...

Облицовка противотуманных фар ГЛУХАЯ ЛЕВАЯ для Лада Ларгус, оригинал ...

Противотуманных фар схема: Схема подключения противотуманных фар ...

Схема подключения противотуманных фар ваз 2112 - 84 фото

Рамки для противотуманных фар - купить рамки для противотуманных фар на ...

Противотуманные фары Форд Фокус 2: какие стоят лампы, замена

Кнопка через реле схема

1 пара противотуманных фар Абажуры для вождения бампера ламповый ...

Характеристики Набор для подключения противотуманных фар с блоком ...

ДЖАБАР АСКЕРОВ: Гаджи Автомат и разборка в Дагестане, Махачев ...

Buy Far Cry 6 🧨 Фар край 6 🧨 PS4/PS5 🧨 PS 🧨 cheap, choose from ...

Схема подключения противотуманных фар на хендай элантра

Установка противотуманных фар: схема подключения и особенности

Схема Подключения Реле Противотуманных Фар

Схема включения ближнего и дальнего света фар, противотуманных фар и ...

Установка противотуманных фар на лада ларгус от калины - YouTube

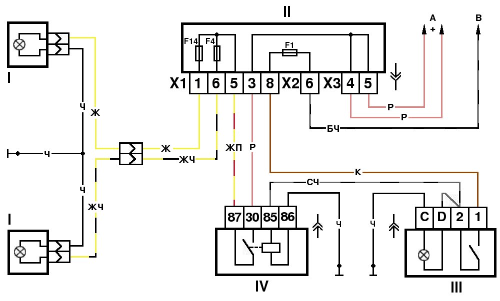
Схема подключения противотуманных фар и заднего противотуманного фонаря ...

  • Вперед Конькобежный спорт видео
  • Назад Гдз по геометрии 9 класс атанасян 959

Новые страницы

Арктическая схема питания

Aux в автомагнитоле

Беременна в 16 каролина из хабаровска после проекта

Фото тренировок в тренажерном зале девушек

Гарантийный ремонт xiaomi в москве

Гдз по английскому 11 класс в фокусе

Индивидуальный спортивный программа

Как поменять шланг на керхер

Как смазывать шаровые опоры 2107

Кто плеснул кипятком в пса шарика

Квартиры снять

Lm538

Моргают лампочки в люстре

Не срабатывает вентилятор охлаждения ваз

Переведите данные диаграмм на рисунке 14 в табличную форму проанализируйте их и запишите выводы

Приказ о нерабочем дне образец

Программатор это что

Разборка противотуманных фар

Ремонт квартир в спб

Ремонт телефонов тирасполь

Ритуальные услуги в минске

Санаторий в солнечногорске

Схема природного

Связать кота схемы и описание

The phantom of the opera had a very large

Трение полезно в случае шитья одежды

Управленческая схема предприятия

Wi fi установка

Замена заграничного паспорта

Запотела фара изнутри

cdn.zecar.ru