Skip to content

Фотогалерея

  • Главная
  • Контакты

Растачивание гильзы цилиндра

Как заменить гильзы блока цилиндров ваз

Просадка гильзы 3-го цилиндра GW4B15A. А газ ли виноват? — Haval F7 (1G ...

Хонингование цилиндров блока -Станочные операции -Услуги

Гильза цилиндра: виды, дефекты, замена

Гильзы цилиндра Caterpillar-Кривошипно-шатунный механизм

Как определить изношенность гильзы цилиндра автомотора | Записки ...

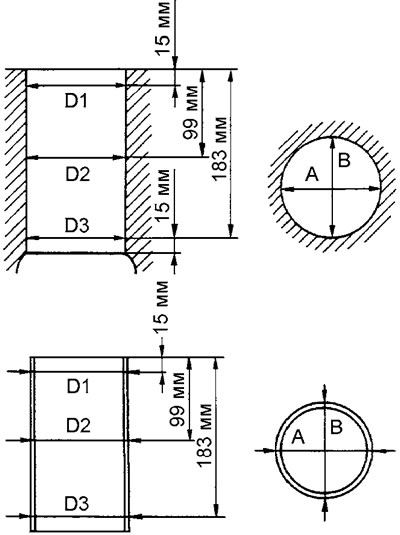
Чертежи маршрутных карт восстановления и ремонта гильзы цилиндра

Прокладка гильзы цилиндра (медная) ГАЗ-53 (66-1002024): цена, отзыв...

Как снять гильзы цилиндра двигателя Cummins статья от компании СТОК

Гильза цилиндра: виды, дефекты, замена

Анализ причин износа гильзы цилиндра-parts-machining.com

Гильза цилиндра: виды, дефекты, замена

Гильза цилиндра: виды, дефекты, замена

Как заменить гильзы блока цилиндров ваз

Гильза цилиндра: виды, дефекты, замена

Угол цилиндра, заклепка, угол, религия, цилиндр png | PNGWing

ᐉ Дефектация корпусных деталей двигателя

Хонингование цилиндров – что это такое?

Установка гильзы в колодец - фото

Приспособление для обработки посадочных поясков гильзы цилиндра

Каковы функции гильзы цилиндра головки блока цилиндров и прокладки ...

Пыльник рабочего цилиндра сцепления ВАЗ-2123 /силикон/ Балаково ...

Замена гильзы цилиндра (Двигатели D4AF, D4AK, D4AE)

Сигаретные гильзы TOP GILZA 1000 шт.

Кольцо уплотнительное гильзы цилиндра (24шт) TD226B-6G, WP6G (01153804 ...

Кольцо гильзы цилиндра МАЗ (фторопласт) 22-4831-2800 купить в интернет ...

Просадка гильзы 3-го цилиндра GW4B15A. А газ ли виноват? — Haval F7 (1G ...

Картонные гильзы, втулки на заказ, купить Картонные гильзы, втулки ...

Схема цилиндра из бумаги для склеивания распечатать

Вопрос про гильзы | Пикабу

Гильзы RTP латунные. Цены, отзывы, описание > Каталог оборудования ...

Цилиндры и гильзы цилиндров | Официальный сайт Камского Моторного Завода

Приспособления для гильз - Энциклопедия по машиностроению XXL

Продам гильзы латунь 16к Ц/Б снизил : Товары для снаряжения патронов

Восстановление изношенных шнеков - Газета "Вестник промышленности"

  • Вперед Упр 540 6 класс ладыженская
  • Назад Квартиры в лазаревском снять на отдых

Новые страницы

2 Унлимитед все альбомы

Абу даби старые

Договор дду образец

Иван грозный картина васнецова

Карта градостроительного зонирования ленинградской области

L7915 datasheet

Математика 5 класс виленкин 2 часть мегарешеба

Нежелательная беременность на ранних сроках что делать

Образец искового заявления о снятии с регистрационного учета

Обшивка передней двери

Оформление тетради 1 класс образец

Остров сан андреас колумбия

Первичная медицинская карточка образец

Погода в медикасах цивильского района карта осадков

Пояс верности мужской

Проект танки россии

Протокол осмотра места происшествия при несчастном случае на производстве образец заполнения

Регулировка стояночного тормоза ваз 2107

Рыбальченко олег

Санаторий салют сочи все

Сгон металлический

Supra stv lc32k800wl не включается

Тельма храм

Трейд ин авилон

Труба бесшовная горячекатаная

Вес нива 21214

Вид спорта со стрельбой из винтовки

Водопроводные трубы пнд для холодного водоснабжения

Воздухоотводчик flexvent

Замена шкворней на камазе

cdn.zecar.ru