Skip to content

Фотогалерея

  • Главная
  • Контакты

Расшифруйте схему

Расшифруйте схему. Маркировка токарных станков расшифровка. Расшифровка модели токарного станка. Расшифровка маркировки фрезерных станков. Маркировка металлорежущих станков расшифровка.

Расшифруйте схему

Расшифруйте схему. Расшифровать схемы предложений. П П. Расшифруйте схему предложений. П А П примеры.

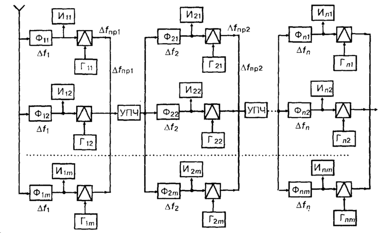
Расшифруйте схему. Структурная схема матричного приемника. Матричный приемник схема\. Структурная схема разведывательного приёмника.

Расшифруйте схему. Расшифровать слово. Расшифруйте слово. Расшифруй. Расшифруйте текст.

Расшифруйте схему

Расшифруйте схему

Расшифруйте схему. Схема Речной системы. Схема строения Речной системы. Части реки схема. Задание Подпиши части реки.

Расшифруйте схему. Игра диагональ 2 класс. Восстановите цепочку вычислений. Восстановите цепочку вычислений, математика 1 класс.

Расшифруйте схему. Запад и Восток России. Расшифруйте схемы данных. Внешняя политика Руси Запад Юг Восток. Расшифруй схему.

Расшифруйте схему. Расшифруйте схемы характеризующие отрасли специализации района.

Расшифруйте схему. Расшифруй слова для дошкольников. Расшифруй задания для детей. Задание расшифруй слова для дошкольников. Расшифровать слово.

Расшифруйте схему. Расшифруй имена. Пользуясь заданным алгоритмом Найди значения х. Пользуясь заданным алгоритмом. Расшифруй имя замечательного русского поэта.

Расшифруйте схему. Задания по русскому языку. Математические шифры для дошкольников. Задание шифровка. Задание расшифруй слова для дошкольников.

Расшифруйте схему

Расшифруйте схему. Реши примеры и расшифруй слово. Математические шифровки 1 класс. Расшифровать слово решив примеры. Расшифруй слова для дошкольников.

Расшифруйте схему. Расшифруйте схемы характеризующие отрасли специализации района.

Расшифруйте схему

Расшифруйте схему. Расшифруйте схему предложений. Расшифровать схему товар-деньги. Сделать схему расшифровывающую понятие здоровье..

Расшифруйте схему. Смешанные числа сложение и вычитание смешанных чисел 5 класс задания. Задания по математике 5 класс сложение и вычитание смешанных чисел. Смешанные числа 5 класс примеры. Смешанные числа 5 класс сложение и вычитание.

Расшифруйте схему. Пневмораспределитель 5/2 схема. Пневмораспределитель 5/3 схема. Пневмораспределитель у71-22а. Пневмораспределитель 3/2 схема.

Расшифруйте схему. Виды блок схем алгоритмов. Составление блок схем по тексту. Как составлять алгоритм в виде схемы. Алгоритм представлен в виде блок схемы.

Расшифруйте схему

Расшифруйте схему. Криптограмма. Расшифровка криптограммы. Расшифруйте криптограмму. Расшифруй для дошкольников.

Расшифруйте схему. Расшифровать схемы предложений. Расшифруйте схемы данных предложений. Расшифруйте схемы а:»п» в предложении.

Расшифруйте схему. Игра расшифруйте название цивилизации. Шифровка к произведению Дружининой. Игра расшифруй название песни.

Расшифруйте схему. Зашифрованные примеры. Примеры шифровки. Математика шифровки. Зашифрованные слова в примерах.

Расшифруйте схему. Расшифруйте схемы данных. Расшифровка схемы. Расшифруйте схемы данных предложений. Расшифровать схемы предложений.

Расшифруйте схему. Задания для устного счета. Устные задачки по математике для устного счёта. Задачи для устного счета 3 класс. Устный счет интересные задания.

Расшифруйте схему. Схема причастного оборота. Причастный оборот. Схема с причастным оборотом. 3 Схемы причастного оборота.

Расшифруйте схему

Расшифруйте схему. Гидрораспределитель 1ре6 электромагнит схема. Гидрораспределитель ве6.44 схема. Гидрораспределитель ве6.64а г24 схема. Гидрораспределитель diplomatic 574 схемы.

Расшифруйте схему

Расшифруйте схему. Расшифруйте схему предложений. Схема предложения расшифровка. Расшифруй схемы предложений. Расшифровка схем простого и сложного.

Расшифруйте схему. Расшифруйте схему предложений. Пунктуационная схема. Расшифруйте схемы данных предложений.

Расшифруйте схему. Вязание крючком обозначения в схемах расшифровка. Обозначения вязание крючком расшифровка. Расшифровка схем вязания крючком для начинающих. Расшифровка вязальных схем крючком.

Расшифруйте схему. Ребус синтаксис. Расшифруйте схему предложений. Кроссворд по теме синтаксис и пунктуация. Кроссворд на тему синтаксис и пунктуация и пунктуация.

Расшифруйте схему. Сложные неорганические Цепочки. Цепочки неорганическая химия. Цепочки химия неорганика. Цепочки неорганические интересные.

Расшифруйте схему. Выполни вычисления по алгоритму. Алгоритм математика 3 класс. Выполни вычисления по алгоритму заданному блок схемой. Алгоритм решения задачи 1 класс Петерсон.

Расшифруйте схему. Выполнить вычисления по алгоритму заданному блок схемой. Выполни вычисления по алгоритму, заданной блок схемой. Задания по алгоритмам. Математические схемы.

Расшифруйте схему

Расшифруйте схему

Расшифруйте схему. H2c ch2 h2c ch2 квадрат. H2c=Ch-Ch=c-ch3-ch3. H3c—Ch=Ch—ch2—Ch=ch2. H3c-ch2-ch2-ch2-ch3.

Расшифруйте схему. Схема предложения расшифровка. Расшифруйте схему предложений. Как расшифровать схему предложения. Схемы предложений 1 класс перспективная начальная школа.

Расшифруйте схему. Расшифруйте 5-2-1. Расшифруйте. Расшифруйте BX. Расшифровать 3lpx825.

Расшифруйте схему

Расшифруйте схему. Алгоритмы Петерсон. Сосчитай по алгоритму. Вычисли по алгоритму и расшифруй предложение. Алгоритм по Петерсон математика.

Расшифруйте схему. Возвратная форма глагола. Возвратная форма глагола это 4 класс. Возвратные глаголы 4 класс презентация.

Расшифруйте схему. Соседи восточных славян схема. Схема занятия славян. Восточные славяне и их соседи схема. Схема по занятию восточных славян.

Расшифруйте схему. Вязание крючком обозначение петель. Обозначение крючком на схеме расшифровка. Обозначения в схемах вязания крючком. Вязание крючком обозначения в схемах расшифровка.

Расшифруйте схему

Расшифруйте схему. Расшифровка маркировки fr5ei. Расшифровка обозначения. Расшифровка. Расшифровать обозначения.

Расшифруйте схему. Пневмораспределитель в64-33а. Пневмораспределитель в64-25а-03 ухл4 схема. Пневмораспределитель в64-15а-03 ухл4. Пневмоаппарат в64-24а-03 ухл4.

Расшифруйте схему. Расшифруйте схему индиго. Как расшифровывается схемы Каламити.

Расшифруйте схему. НОД И НОК 12 И 18. НОК 9 И 5. НОК 9 И 20.

Расшифруйте схему. Расшифруйте схему превращений. Расшифруйте следующую схему превращений:. Составить схему превращения. Указана схема превращения составьте.

Расшифруйте схему

Расшифруйте схему

Расшифруйте схему. Расшифруй слова. Расшифруй для дошкольников. Расшифровать слово. Расшифровка слов для дошкольников.

Расшифруйте схему. Расшифруйте схему реакции индиго.

Расшифруйте схему

Расшифруйте схему

Расшифруйте схему

Расшифруйте схему. Расшифруйте схему предложений. П А П предложение по схеме. А П схема предложения. «П», — А. предложене по схеме.

Расшифруйте схему. Заполни таблицу и расшифруй слово. Заполни заполни таблицы. Заполни таблицу заполни таблицу. Расшифруй слово с ответами.

Расшифруйте схему. Дополни схему. Что можно выразить числом. Дополните схему числа. Объект выразить числами.. Числом можно выразить.

Расшифруйте схему. Расшифровка маркировки судовых дизелей. Расшифровка маркировки генераторов Huter. Кабельная вилка 35-50 расшифровка маркировки. Буквенное обозначение на генераторе.

Расшифруйте схему. Расшифруйте схемы данных. Расшифруйте схемы данных ниже сложных. Расшифруйте схемы данных предложений. Расшифровать схемы предложений.

Расшифруйте схему. Задание шифровка для детей. Шифровки для детей 7 лет. Шифровка для дошкольников задания. Расшифруй для детей.

Расшифруйте схему. Значение выражения и составить схему вычислений. Составь словосочетание по данным схемам. Составь выражение и вычисли его значение. (Что ) , []:[].определи по данным схемам.

Расшифруйте схему. Расшифруйте схему предложений. Пунктуационная схема предложения. Расшифруй схемы предложений. П П.

Расшифруйте схему. Алгоритмы сортировки данных. Связный список схема. Алгоритмы и структуры данных. Схема односвязного списка.

Расшифруйте схему. Расшифровка названия котла dy4ced024aata. Расшифровка наименования. Расшифровка названия. Дверные блоки расшифровка наименования.

Расшифруйте схему. Как расшифровывается схемы Каламити. Как расшифровается схемы цветов. Flor de la Mar схема.

Расшифруйте схему. Фрагмент кодовой таблицы. Мальчики играли в шпионов и закодировали. Мальчики играли в шпионов и закодировали сообщение придуманным. Расшифруйте сообщение если известно что буквы в нём не повторяются.

Расшифруйте схему. Расшифруйте схему предложений. Схема предложения расшифровка. Расшифруй схему. Расшифруйте схемы данных.

Расшифруйте схему. Расшифруйте слово по алгоритму, представленному в виде блок-схемы.. Расшифровка слова по алгоритму. Занимательные алгоритмы. Алгоритм может быть представлен в виде.

Расшифруйте схему

Расшифруйте схему. Интересные задания по математике. Интересные задания по математике 2коасс. Занимательные задания по математике 3 класс. Занимательные задания по математике 2 класс.

Расшифруйте схему. Расшифруйте схемы химических процессов запишите их с помощью. Химия коэффициенты расставить индексы и символы. Запиши с помощью символов индексов и коэффициентов. Записать с помощью знаков.

Расшифруйте схему

Расшифруйте схему

Расшифруйте схему. Обозначения в японских схемах вязания спицами. Расшифровка китайских схем вязания спицами. Условные обозначения в японских схемах вязания спицами. Обозначения в схемах вязания спицами ажурных узоров.

Расшифруйте схему. Расшифровка модельного номера автомобиля. Расшифровка маркировки КАМАЗ 5320. Расшифровка буквенного обозначения крановых двигателей. Маркировка автомобилей расшифровка.

  • Вперед Математика страница 61 3 класс
  • Назад Монтаж деревянных конструкций

Новые страницы

1812 Заграничный поход

Аэроплан рисунок для детей

Бассейн из поликарбоната своими руками

Договор страхования образец заполненный

Эпиретинальная мембрана глаза лечение

Гдз 1184

Гдз по математике гейдман 4 часть

Гдз по русскому упр 447

Как опознать аппендицит

Как пользоваться torque pro

Карта рельефа земли с подписями

Надпись hold на панели мазда

Нича суффикс

Ольга аркадьевна с днем рождения картинки

Поиск эскиза тату по фото

Пропала искра рено логан

Расшифруйте схему

С жемчужной свадьбой картинки с поздравлениями красивые

Схема для промывки форсунок

Схема пол биохимия

Составить штатное расписание образец

Спутниковая карта коми в реальном времени высокого разрешения

Срочный выкуп квартир в спб

Та 57 схема

Такси скопин номера телефонов

Tennis sport game

Турнирная таблица образец пустой бланк

Учебник по математике 4 класс страница 64

Заявление на возврат госпошлины в налоговую образец по справке суда 2019

Жк архитектор москва

cdn.zecar.ru