Skip to content

Фотогалерея

  • Главная
  • Контакты

Привод газораспределительного механизма

Привод газораспределительного механизма — устройство Hyundai Tucson 2 ...

Привод газораспределительного механизма Kia Cerato c 2010 г ...

Привод газораспределительного механизма Kia Mohave | Издательство Монолит

Привод газораспределительного механизма двигателя Профи — купить, цены ...

Цепь привода газораспределительного механизма — описание конструкции ...

УАЗ 236324-0000010-00 Привод газораспределительного механизма двигателя

Volvo S40 Привод газораспределительного механизма

Volkswagen Passat B3 B4 Привод газораспределительного механизма

Замена ремня ГРМ в зависимости от механизма газораспределения

Конструкция двигателя К4М

Устройство газораспределительного механизма ВАЗ-2109, Устройство автомобиля

Особенности двигателей Jaguar Land Rover семейства Ingenium ...

Устройство газораспределительного механизма | AUTO-GL.ru

Газораспределительный механизм ЗМЗ-4021, фазы газораспределения

Цепь или ремень ГРМ: какой привод лучше

Проверка состояния и замена ремня привода ГРМ Lada Priora — журнал За рулем

Моменты затяжки резьбовых соединений на Hyundai Tucson 2. Дизельные ...

Газораспределительный механизм: назначение и устройство

Ремонт и обслуживание газораспределительного механизма Камаз ...

Снятие и установка цепи привода газораспределительного механизма (Мазда ...

Hyundai Solaris | Accent с 2015 года - привод газораспределительного ...

Газораспределительный механизм | Quizizz

Схема газораспределительного механизма двигателя – Схема ...

Замена и регулировка натяжения ремня привода газораспределительного ...

Газораспределительный механизм.

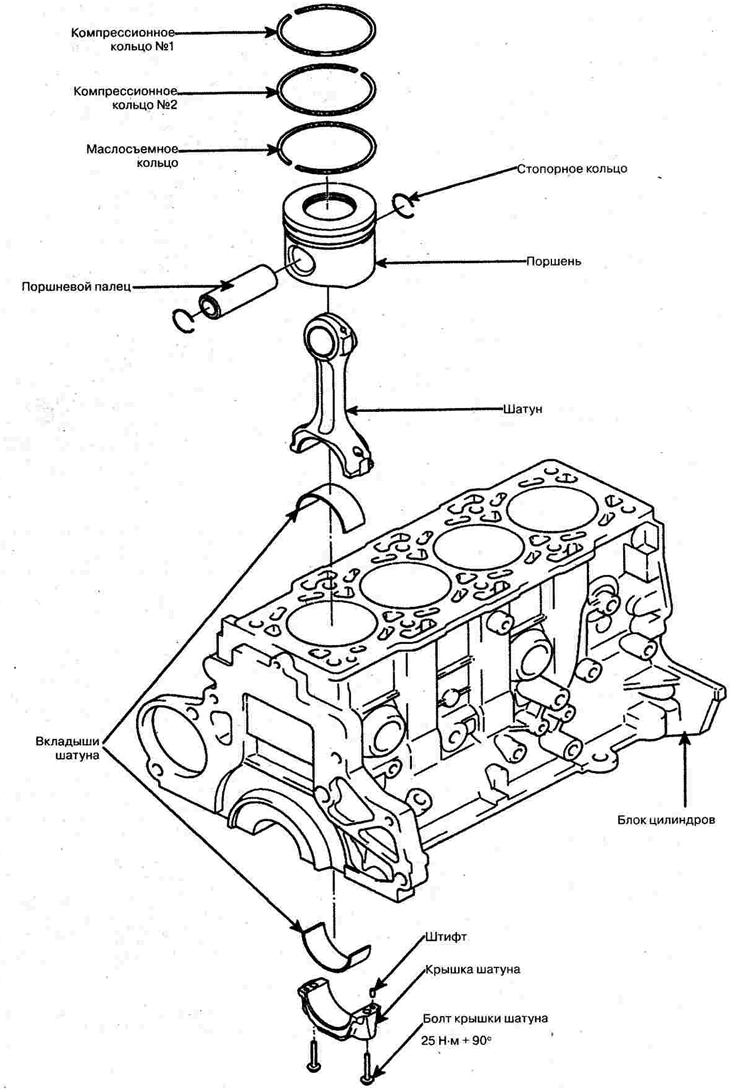
Блок цилиндров — устройство (Хендай Туссан 1 2005-2010: Силовой агрегат ...

Рено Дастер. Проверка состояния и замена ремня привода ...

Honda CBR 400, технические характеристики, обзор, фото - MotoNoob.ru

Рено Дастер. Проверка состояния и замена ремня привода ...

Грм двигателя: типы, устройство и принцип работы

Принцип работы газораспределительного механизма: Устройство ...

Цепь привода газораспределительного механизма - замена. ВАЗ 2101

SsangYong New Actyon | Korando с 2012 года - привод ГРМ

Привод газораспределительного механизма

Привод газораспределительного механизма (ГРМ) Kia Carens | Kia Rondo ...

  • Вперед Портативный dvd плеер panasonic
  • Назад Eva drive краснодар

Новые страницы

20 Тренировочных вариантов экзаменационных работ

Английский язык шестой класс вторая часть афанасьева михеева баранова

Цска спортивный клуб

День завязывания узелков

Додо пицца эжва

Физика 8 класс упр 45 перышкин

Г кисловодск санатории

Гост отвертка

Графическая схема любая

Инвестиционный займ образец договора

Коленный рефлекс схема

Комплект арматуры для бачка унитаза

Нет тяги на 406 двигателе

Приказ о допуске к самостоятельной работе после стажировки образец рб

Программа тренировки без железа

Распиновка фишек приборной панели ваз 2114

Река белая куда впадает схема

Схема резцов

Схема слова 2 класс

Схема стартера 2112

Школа номер 1541

Сквозная коррозия кузова

Согласие на полиграф образец

Спорт синхронное

Справка от гинеколога для санаторно курортной карты образец заполнения

Срочный трудовой договор на период отсутствия основного работника образец

Стрижка когтей у собак

Ветреный турецкая версия

Впр 7 класс русский язык тренировочные работы

Жалоба в роспотребнадзор образец

cdn.zecar.ru