Skip to content

Фотогалерея

  • Главная
  • Контакты

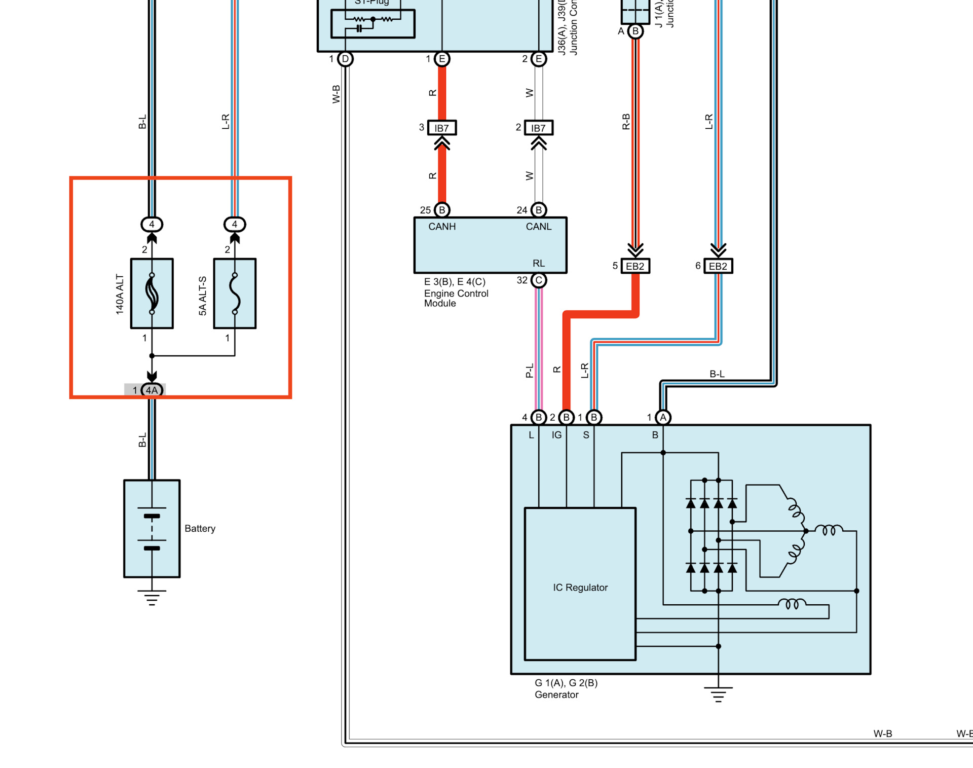
Предохранитель 60 ампер

Предохранитель Тип М 100 Ампер NORD YADA арт. 901826 - где купить в Москве

Виды предохранителей для бытовой техники

Предохранитель Aura FML-N060 miniANL, 60A (2шт.), никель ...

Предохранитель 60 Ампер для электромотора, лебедки

Предохранитель переменного тока 60 ампер для электродвигателей — купить ...

Купить Предохранитель силовой 60 ампер toyota в Новосибирске по цене ...

Купить АВТОМОБИЛЬНЫЙ ПРЕДОХРАНИТЕЛЬ 80 АМПЕР: отзывы, фото и ...

Предохранитель 60 Ампер для электромотора, лебедки

Как узнать на сколько ампер предохранитель

Силовой плавкий предохранитель до 60 ампер DC авто инвертор аккумулятор ...

Как снять монтажный блок предохранителей опель корса д - YouTube

Купить 60 ампер 12v dc выключатель заменить предохранитель 60А 12В в ...

Купить Предохранитель 5 Ампер

Предохранитель 60 А Лада Гранта (Lada Granta) LADA

Знакомый автоэлектрик показал простой способ, как найти сгоревший ...

НПН2-60-60A-У3 60A(Ампер) 380V(Вольт) Вставка плавкая(предохранитель ...

Купить Предохранители AGU 30 ампер (серебро) 1 шт ACV 30.3900-30, цена ...

Предохранитель (60 A) "MAXI" а/м Патриот, Пикап, Профи > Реле ...

ПВ-60(ПВ-2119) 60A(Ампер) 30V(Вольт) Предохранитель (арт. TN-7494 ...

Кабель подключения Инвертор * Аккумулятор * Предохранитель 20 Ампер ...

Предохранитель ABF403 вставка плавкая ( 60 Ампер) 904386 Nord YADA ...

Кабель подключения Инвертор * Аккумулятор * Предохранитель 20 Ампер ...

Предохранитель автомобильный FG MEGA 200 Ампер (5293147) LittelFuse ...

Аккумулятор Тюмень Premium Премиум Емкость - 60 Ампер, ток холодного ...

Силовой Плавкий Предохранитель на 100 Ампер DC Авто Инвертор ...

Opel Astra H. Как снять блок предохранителей - YouTube

Автомобильные предохранители всех маркировок - Маркировка-Про

Рейтинг акб на 60а - ТОП рейтинги

Держатель предохранителя автомобильный – АС Енергія

Конектор MR60. 30 Ампер: 42 грн. - Аксессуары и комплектующие Харьков ...

Дело было не в бобине, а Андрей сидел в кабине. Про генератор и силу ...

Как снять блок предохранителей или монтажный блок Ваз 2107 инжектор ...

Кабель подключения Инвертор * Аккумулятор * Предохранитель 20 Ампер ...

Электронный предохранитель на 10 ампер схема

Сколько весит аккумулятор на 60 ампер часов?

  • Вперед Протираю полки
  • Назад Солярис замена свечей

Новые страницы

2С980а

Бубнит глушитель на холостых

Чистка инжектора в бак

Что поддерживается хрящевыми полукольцами

День рождения жены поздравления

Drt 240 24

Фитнес клуб академия курчатов

Гдз по алгебре 9 класс никольский номер 493

Гдз по математике номер 1139

Как написать отказ от питания в школе образец

Как снять кислородный датчик

Картины с морем в интерьере

Когда выпустили ваз 2109

Монтаж пластиковых дверей

Москва казань новая трасса схема

Нежный поцелуй в шею картинки

Образец заполнения бланка на гражданство рф

Открытый сосуд заполнен водой на каком рисунке правильно изображено направление конвекционных ответ

План чариотир 1948

План работ управляющей компании на год образец

Рим клубы

Схемы кельтских узоров

Щитовидная железа схематичный рисунок

Слышится сдержанный неясный шепот ночи

Согласие на размещение персональных данных на сайте образец

Спортивный любитель

Ттн образец скачать

Ттс карта баланс тюмень

Ux специалист кто это

Водопады в киргизии

cdn.zecar.ru