Skip to content

Фотогалерея

  • Главная
  • Контакты

Подогрев топливопровода дизеля

Как сделать проточный подогрев топлива для дизеля своими руками ...

Подогрев сиденья на мотоцикл, двухрежимный

Подогрев сидений с массажем и вентиляцией.Встраиваемый комплект

Купить ЗИМНИЕ ЭЛЕКТРО ЗАГРУЗКА ПОДОГРЕВ RECE CIEPL в Украине

Комплект подогрева руля. Подогрев руля универсальный: 899 грн. - Кермо ...

Подогрев топливопровода - Уральский Завод Спецтехники

Течь дизеля из подающего топливопровода 320d n47d20c — BMW 3 series ...

Подогрев топливного фильтра своими руками – Эффективный подогрев ...

Первая роль Вина Дизеля была наказанием - Excellence

Презентация к учебному материалу по МДК 04.02 Монтаж, эксплуатация и ...

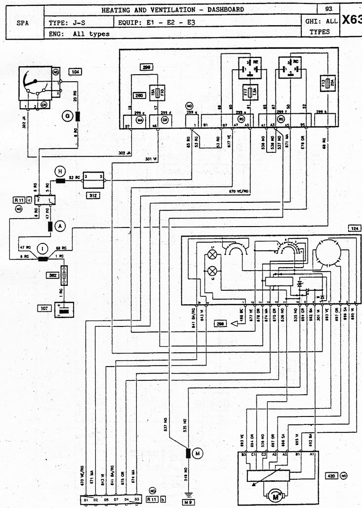
Схема 23. Подогрев и вентиляция — панель приборов (Рено Espace I и II ...

Насос помповый 12V, 175Вт, 50 л/мин. для перекачки топлива, технических ...

Подогрев топливопровода - Уральский Завод Спецтехники

Топливный насос высокого давления дизеля тепловоза

Газопровод дизеля МТЗ-1523

Подогрев дизеля: Всё про подогреватели дизельного топлива. Решение проблем

Техобслуживание топливной системы дизеля - Полезные советы автолюбителям

Электроприводы сидений и подогрев для Toyota Corolla E100, 7 поколение ...

Подогрев дизеля: Всё про подогреватели дизельного топлива. Решение проблем

Определение мощности судового дизельного двигателя

Брутальнее Вина Дизеля: как выглядит «русский голос» Торетто в «Форсаже»

Моделирование топливной системы дизеля КамАЗ с использованием комплекса ...

2Т Дизельные двигатели

Термическая обработка сварных изделий - презентация онлайн

Подогрев дизеля зимой. А точнее топливного фильтра. - YouTube

Авто продано: Jetour Dashing - ID: К-6-97450

Обогрев фильтра топливного – Эффективный подогрев топливного фильтра ...

Презентация на тему: " ДЕПАРТАМЕНТ ЭНЕРГОЭФФЕКТИВНЫХ РЕШЕНИЙ ООО ...

4.18.4. Система подогрева дизеля трактора Т-150К

Схема (деталировка) газонокосилки бензиновые ЗУБР ЗГКБ-510СТ. Подбор по ...

Акт на выдачу из заводского ремонта дизеля - купить книгу в интернет ...

Багажник...⁠⁠

Рудольф Дизель краткая биография, изобретение двигателя

Подогрев дизеля зимой: Предпусковые подогреватели для автомобиля. Какой ...

Теплые Накидки на Сиденье с Подогревом - Комфорт и Тепло в Вашем ...

  • Вперед Схемотехника презентация
  • Назад Мелаксен отзывы пациентов

Новые страницы

Абсцесс миндалины фото

Барселона фото города достопримечательности

Bsm r05 предохранителей распиновка

Директ телефон

Физика 7 класс филонович учебник ответы

Форма акта кс 2 образец

Госуслуги ханты мансийск

Из чего состоит бампер рено дастер

Карта волгограда красноармейский район с улицами и домами

Казанский кремль спасская башня старые

Кто провайдер

Лампа в

Маршрутка сморгонь минск расписание телефон

Мимимишки смешные картинки

Нанолазеры

Предварительный договор купли продажи дома с земельным участком образец

Размножение половое бесполое

Схема цифрового осциллографа

Схема подключения генератора 2141

Sin 4a cos 4a

Спорт правильный образ жизни

Спорт в физическом воспитании студентов

Спортмастер казань

Техника спортивной борьбы

Труба водогазопроводная оцинкованная гост 3262 75

Учебник спортлайт английский язык 5 класс гдз

Вэф 202 схема

Виды спорта в красноярске

Высота брандмауэра над кровлей

Заборы 3д

cdn.zecar.ru