Skip to content

Фотогалерея

  • Главная
  • Контакты

Подключение выключателя массы камаз

Схема подключения лампочки через выключатель. Как нужно правильно ...

- Подключение выключателя массы -- Форум водномоторников.

Подключение выключателя массы 24в схема - 86 фото

Провод выключателя массы камаз 5490 | Festima.Ru - Мониторинг объявлений

Камаз 5320 схема подключения стеклоочистителя

ᐈ Масса Выключатель массы автомобиля МАЗ КАМАЗ КРАЗ УРАЛ идеал новая ...

Подключение реле поворотов камаз: Реле поворотов КАМАЗ 24в схема ...

Схема подключения мастер выключателя

Схема подключения кнопки включения массы камаз - 83 фото

Установка малогабаритного выключателя массы для КАМАЗ-43114 — Каталог ...

НЕ РАБОТАЕТ КНОПКА МАССЫ. КАМАЗ. Масса не включается с кабины - YouTube

Подключение массы на авто

5320-3737001-01 Установка малогабаритного выключателя массы для КАМАЗ ...

КамАЗ-4310 КамАЗ Установка аккумуляторных батарей и выключателя массы ...

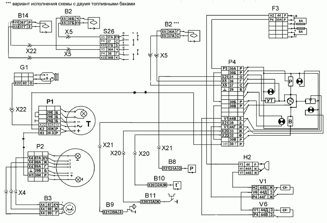
Электросхема выключателя массы камаз

Электросхема выключателя массы камаз

КамАЗ КамАЗ-65115 Установка аккумуляторных батарей и выключателя массы-248

Кнопка выключения массы камаз 5490 - 89 фото

Схема выключателя гидромуфты камаз - 88 фото

Схема выключателя гидромуфты камаз - 88 фото

- Подключение выключателя массы -- Форум водномоторников.

Установка малогабаритного выключателя массы для автомобиля КАМАЗ 6522 ...

Электросхема выключателя массы камаз

Установка малогабаритного выключателя массы для КАМАЗ-5460 — Каталог ...

Электросхема камаз 6520 евро 4 с расшифровкой - 85 фото

Электросхема выключателя массы камаз

Система отопления и вентиляции автомобиля КамАЗ

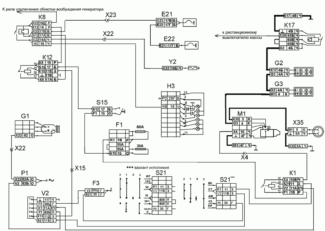
Схема подключения генератора КамАЗ: 5320, 65115, 4310, Евро 2 ...

Нет возбуждения на генераторе камаз - 97 фото

Электросхема камаз 6520

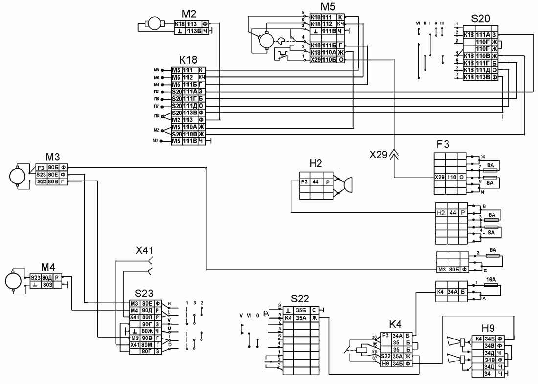
Механизм включения блокировки камаз - 94 фото

Камаз схема подключения аварийки - 84 фото

Камаз 65115 схема включения ком

Пневмосистема камаз 65115 схема цветная - 95 фото

ЗАЧЕМ ВЫКЛЮЧАТЕЛЬ МАССЫ В КАМАЗЕ? И для чего её выключать. - YouTube

  • Вперед Красивые картинки беременных девушек с животиком без лица
  • Назад Спортивная секция на английском

Новые страницы

003L0152 danfoss

1 Из самых любимых традиционных видов спорта

Акт приема передачи автомобиля при продаже образец между физическими лицами

Англ 6 класс стр 80

Автосервис елец коммунаров

Брендбук национальные проекты здравоохранение

Детейлинг полировка кузова

Договор уступки права по договору аренды земельного участка образец

Электрическая схема стиральной машины бош махх 5

Гдз по английскому языку комарова 4 класс учебник

Истратил разбудил престранно привык

К раствору содержащему 39 г сульфида натрия прилили раствор содержащий 80 г хлорида цинка

Как пользоваться автосканером elm327

Карта двери ланос

Карта ильино нижегородской области

Карта махачкалы с улицами и домами со спутника 2022 года

Картинки спортивной формы

Каток ставрополь площадь ленина

Магнитола bolero инструкция

Математика 6 класс упражнение 1230

На каком сроке можно сделать медикаментозный аборт

Николай иванович пирогов рисунок

Образец титульного листа презентации школьника

Пикап санг енг

Пл36

Помпа тза как отличить от подделки

Построить дворец спорта

Пусть все будет хорошо картинки красивые с надписями и пожеланиями

Требование о проведении внеочередного общего собрания снт образец

Установка кондиционера ростов на дону

cdn.zecar.ru