Skip to content

Фотогалерея

  • Главная
  • Контакты

Подключение реле птф

Защелка на реле схема - 98 фото

Правильное подключение ПТФ! Через реле! Как не загореться при ...

Подключение кнопки через реле

Подключение туманок через реле

Противотуманки через реле

Подключение Фар Через Реле С Фото – Telegraph

Подключение фар через реле

Подключение ПТФ через реле контроля напряжения. — Сообщество ...

Подключение противотуманок через реле

Подключение фар через реле

Противотуманки через реле

Схема подключения кнопки фар

Как подключить птф через реле - Sbvauto.ru

Через реле схема

Подключение птф через реле и кнопку приора

Подключение птф через реле и кнопку приора

Подключение птф через реле и кнопку. Установка противотуманок на Лада ...

Как подключить ПТФ через реле?как это работает и зачем нужно. - YouTube

Подключение птф через реле и кнопку приора

Схема подключения птф 2114: схема, установка в бампер, подключение ...

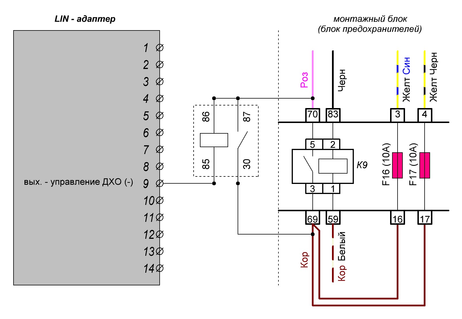
Подключение ДХО через реле на ближний свет или ПТФ | comfortLIN.ru

Установка и подключение ПТФ Киа Рио, 2007 — DRIVE2

Подключение птф через реле и кнопку приора

Подключение реле и кнопки на птф - YouTube

Подключение птф через реле и кнопку приора

Схема подключение туманок через реле с кнопкой с подсветкой

ПОДКЛЮЧЕНИЕ ИНДИКАТОРА ПТФ НА ПРИБОРКЕ ПРИОРЫ 2 — DRIVE2

Подключение птф через реле и кнопку приора

Подключение птф через 5 контактное реле: Схема Подключения ...

Подключение птф через 4 контактное реле: Схема Подключения ...

Подключение Птф На Ланос - zavodplatform

Схема за включване на фарове за мъгла и фарове за мъгла в задните ...

Схема подключения светодиодной балки

Последовательное и параллельное подключение элементов: что это такое ...

Техника: «Подключение к источнику.» - YouTube

  • Вперед Картинка осьминог для детей на прозрачном фоне для детей
  • Назад Scp 512

Новые страницы

Бланк жалобы в прокуратуру образец скачать бесплатно

Как отключить тормоз starline

Красивая инопланетянка картинки

Кружка печать

Кв м схема

Lcd 1602a

Микросхемы контроллеры

Министр спорта красноярск

Оао лмз семенов

Образец заполнения путевых листов грузового автомобиля

Образец заполнения ведомости на выплату зарплаты по ведомости

Очень красивое фото моря

Подключение реле птф

Продолжительность палеогена

Производственная характеристика на студента практиканта образец повар кондитер

Регулятор плавного пуска

Рептилии и млекопитающие отличия

Самара театр оперы и балета

Себорейная алопеция

Схема мест ледового дворца спб с местами

Схема проезда петербург

Схему метро 2021 год

Старый буян красноярский район самарская область карта

Трансформатор на схеме

Тренировки ума тома вуджека

Ульяновск пекин

Установка соленоида в дверь

Вандикова мадонна картина

Заказать пиво домой

Журнал осмотра на гнойничковые заболевания работников пищеблока образец

cdn.zecar.ru