Skip to content

Фотогалерея

  • Главная
  • Контакты

Подключение бк multitronics

Подключение БК Multitronics RC-700 Часть 1 (вступительная) — Nissan ...

Подключение БК Multitronics SL-50V на Nissan X-trail T30 — Nissan X ...

Подключение БК Multitronics VC730 — Chevrolet Lacetti 5D, 1,4 л, 2011 ...

Подключение БК Multitronics SL-50V на Nissan X-trail T30 — Nissan X ...

Подключение БК Multitronics SL-50V на Nissan X-trail T30 — Nissan X ...

БК Multitronics CL-570 подключение на авто с ГБО — Chevrolet Niva GLX ...

Подключение БК Multitronics SL-50V на Nissan X-trail T30 — Nissan X ...

Подключение БК — DRIVE2

Подключение БК Multitronics VC731 на Sonata — Hyundai Sonata IV (EF), 2 ...

Подключение БК Multitronics VC731 на Sonata — Hyundai Sonata IV (EF), 2 ...

Открытие БК, подключение датчика темп-ры окруж.среды. — Chevrolet Aveo ...

БК Multitronics (подключение, настройка и эксплуатация) - Страница 5 ...

БК Multitronics TC 740 в ларгус: подключение и установка. — Lada Ларгус ...

БК Multitronics TC 740 в ларгус: подключение и установка. — Lada Ларгус ...

Подключение БК Multitronics к ГБО, КТО В ТЕМЕ? — Сообщество «Ремонт и ...

БК Multitronics TC 740 в ларгус: подключение и установка. — Lada Ларгус ...

Подключение БК Multitronics SL-50V на Nissan X-trail T30 — Nissan X ...

БК Multitronics TC 740 в ларгус: подключение и установка. — Lada Ларгус ...

БК Multitronics CL-570 подключение на авто с ГБО — Chevrolet Niva GLX ...

Подключение БК Multitronics к ГБО, КТО В ТЕМЕ? — Сообщество «Ремонт и ...

Подключение БК Multitronics к ГБО, КТО В ТЕМЕ? — Сообщество «Ремонт и ...

Подключение БК Multitronics VC731 на Sonata — Hyundai Sonata IV (EF), 2 ...

Подключение БК Multitronics SL-50V на Nissan X-trail T30 — Nissan X ...

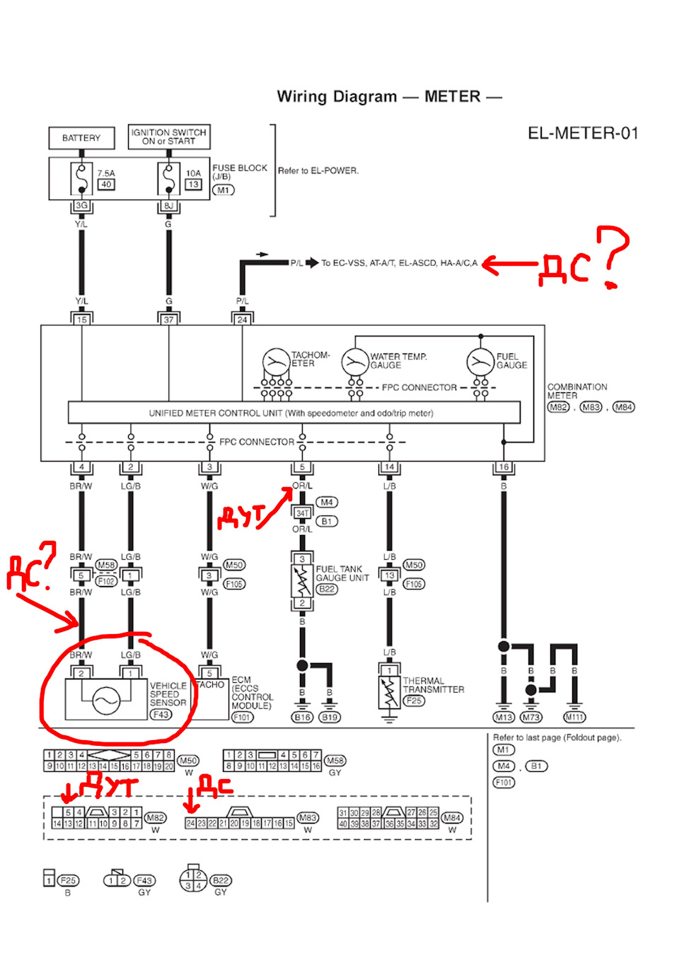
Подключение БК multitronics к ДУТ - Тех. вопросы 4Runner и HiLux 3го ...

Установка БК Multitronics VC731 — Great Wall Deer, 2,2 л., 2005 года ...

Подключение БК Multitronics VC731 на Sonata — Hyundai Sonata IV (EF), 2 ...

БК Multitronics CL-570 подключение на авто с ГБО — Chevrolet Niva GLX ...

Установка и подключение Multitronics VC730 — DRIVE2

БК компьютер multitronics tc 750 — Ford Ranger (2G), 2,5 л, 2009 года ...

Multitronics C-900 [9/58] Подключение к автомобилям с разъемом obd 2 ...

Схема подключения бк

Подключение БК Multitronics VC731 на Sonata — Hyundai Sonata IV (EF), 2 ...

Выбор и подключение БК (краткий обзор) - Гаечный ключ - Журнал Club ...

Выбор и подключение БК (краткий обзор) - Гаечный ключ - Журнал Club ...

Коды ошибок бортового компьютера Multitronics. Расшифровка | - OverComp.ru

  • Вперед Договор о прохождении практики студентами образец
  • Назад Мощи елизаветы федоровны в иерусалиме

Новые страницы

Английский язык spotlight пятый класс учебник

Баня из осб плиты своими руками проекты фото

Что такое наплавной мост через реку

Два спортсмена бегут навстречу друг другу

Гамлет в театре

Где по математике 4 класс моро учебник

Гдз информатика 3 класс учебник рудченко

Гдз учебник по английскому 2 класс афанасьева

Характеристика на сотрудника для награждения почетной грамотой образец

Ir2156

Junior программист вакансии

Калькулятор конденсаторов smd

Лечение при тонзиллите у взрослых

Окна rehau официальный сайт

Отель шератон шарджа бич резорт

Пв 3 4

Раскраски спортивные

Рисунки объемные легкие для срисовки легкие

Схема коммутатора ауди 80 б3

Схема расположения моста

Спортзал на бассейной

Спутниковая карта россии 2022

Свн 2 02 счетчик времени наработки

Тефлоновые прокладки

Tv 3 sport 2

Установите соответствие между графиками функций и формулами которые их задают у х 2

Ватикан достопримечательности

Военный мост уаз в разрезе

Заказать создание приложения

Заявление на восстановление срока и отмене судебного приказа образец

cdn.zecar.ru