Skip to content

Фотогалерея

  • Главная
  • Контакты

Ph2369

PH2369 Datasheet - NPN switching transistor

PH2369 Datasheet pdf - LGE

PH2369 DataSheet | NXP

PH2369 Datasheet PDF - BLUE ROCKET ELECTRONICS

PH2369 DataSheet | BLUE ROCKET ELECTRONICS

PH2323-5 DataSheet | Tyco Electronics

Philips PH2369 NPN switching transistor TO-92 15V 200mA | eBay

PH2323-5 DataSheet | Tyco Electronics

PH2369 Datasheet PDF - NPN Transistor

OEM Original Headliner

OEM Original Headliner

50PCS Transistor PHILIPS TO-92(SOT-54) PH2369 (=PN2369 =2N2369) | eBay

Joseph Capano's Instagram, Twitter & Facebook on IDCrawl

MPS2369 is Switching Transistors

Buy MBT2222A - SOT23 - General Purpose NPN Transistor - 30VDC - 600mA ...

MPS2369 is Switching Transistors

Semiconductor: PH2369 (PH 2369) - SILICON NPN 15V / 0.5A / 0.5W / 12 ...

PH2369 PHILIPS TRANSISTOR PREFORMED X2PCS - Langrex

PNP transistor selection for the ADP2291 at 1 Amp continuous current ...

acpower.1

2SD2227S 50V DC 0.15A General Purpose Transistor NPN Type Single ...

Buy PN2369 NPN General Purpose Transistor | Robomart India

Transistor | Working Principle | Properties | Electrical Academia

Solved 5. (25 points) An npn BJT with grounded emitter is | Chegg.com

Solved 5. (25 points) An npn BJT with grounded emitter is | Chegg.com

Solved 3. (25') 1). Take a CMOS inverter in Figure 3(a) as | Chegg.com

Penthouse for sale in Marbella - Ref: OLP-PH2369-SSC

Penthouse for sale in Marbella - Ref: OLP-PH2369-SSC

SIFCON - 13x18 Photo frame Bibloo.com

BD682G npn darlington power transistor Power Mosfet Transistor Plastic ...

PH2369 Datasheet by NXP USA Inc. | Digi-Key Electronics

PH2369 Datasheet by NXP USA Inc. | Digi-Key Electronics

PH2369 Datasheet by NXP USA Inc. | Digi-Key Electronics

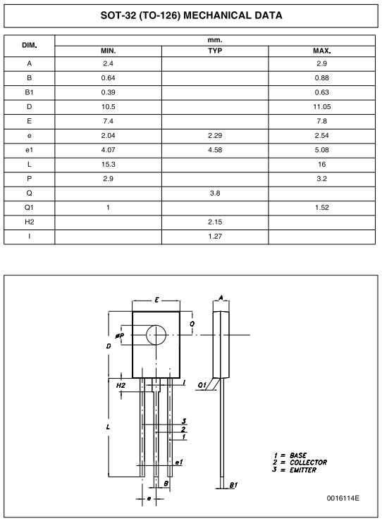
PH2369 datasheet(2/8 Pages) PHILIPS | NPN switching transistor

House and Lot For Sale in Antipolo with 5 Bedrooms and 2 Car Garage PH2369

  • Вперед Взрыв схема ушм интерскол 125 1100э
  • Назад Анкета обратной связи после мероприятия образец

Новые страницы

Афины турбаза

Анкер забивной латунный м10

Бородавка на стопе фото

Доставка цветов мск

Джампинг тренировка для похудения

Гдз английский язык о в афанасьева и в михеева 4 класс рабочая тетрадь

Gold fitness нижний

Грачев александр сергеевич

Как перевозить надувную лодку

Как заполнить карточки на вайлдберриз товара образец

Картинка пули на белом фоне

Кривошея лечение

Крючок квадраты видео схемы

Кто любит спорт тот здоров и бодр

Лабиринты египетских пирамид

Литература в схемах и таблицах егэ 2023

Мма это вид спорта

Назовите спортивный

Ninja esports

Нитрат натрия и серная кислота концентрированная

Образец кассационной жалобы по гражданскому делу в кассационный суд

Ph2369

Пивной бар в подвале

Разборка мерседес свао

Схема обоеполого цветка

Спортмастер работа в новогодние праздники 2023

Тема спорта в литературе

Универсальный скалер rr52c 81a

Заявление в арбитражный суд об исправлении описки в решении суда образец

Жирорастворимые витамины список

cdn.zecar.ru