Skip to content

Фотогалерея

  • Главная
  • Контакты

Пежо 406 электрические схемы

Пежо 406 электрические схемы - фото

Контрольные лампочки и указатели (Пежо 406, 1995-2004) — «Электрические ...

Пежо 406 электрические схемы - фото

Пежо 406 электрические схемы - фото

Пежо 406 электрические схемы - фото

Вентилятор радиатора, вентилятор отопителя, ABS (Пежо 406, 1995-2004 ...

Пежо 406 электрические схемы - фото

Система управления двигателем Magneti Marelli MM8P (Пежо 406, 1995-2004 ...

Указатели поворотов и аварийная сигнализация, противотуманный свет ...

Пежо 406 электрические схемы - фото

Передние и задние электростеклоподъемники (Пежо 406, 1995-2004 ...

Обозначения на схемах электрооборудования (Пежо 406, 1995-2004 ...

Распиновка пежо 406: найдено 83 изображений

Пежо 406 электрические схемы - фото

Пежо 406 электрические схемы - фото

Магнитола, CD-проигрыватель, часы и бортовой компьютер (Пежо 406, 1995 ...

Обозначения на схемах электрооборудования (Пежо 406, 1995-2004 ...

Пежо 406 электрические схемы - фото

Подсветка прикуривателя, обогрев сидений, заднего стекла и зеркал, люк ...

Пежо 406 электрические схемы - фото

Просто оставлю это сдесь. Схемы Пежо 406 Рестайлинг — Peugeot 406, 2 л ...

408 пежо найдись пожалуйста! — Peugeot 406, 1,8 л, 2002 года ...

Пежо 406 электрические схемы - фото

Электросхема стеклоподъемников (Пежо 207, 2006-2014) — «Электрические ...

13.26.16 Электрические зеркала Peugeot 406

Вътрешни стопове за Пежо 406 Фарове, Стопове, Мигачи | Резервни части ...

Пежо партнер схема генератора

Пежо 406 схема электропроводки: Peugeot 406 | Электрические схемы ...

Замена термостата пежо 406 — Peugeot 406, 2 л, 1998 года | своими ...

Peugeot 206 Sagem S2000 Wiring Diagram - Wiring Diagram

Мод на пежо 406 и газель реанимация!!!!! - YouTube

Диффузор радиатора (седан) (комби) на Peugeot 406 - Запчасти для Пежо ...

Система впрыска и зажигания (XU5M2-3Z MMBA G5) (Пежо 405, 1987-1997 ...

Peugeot 406 - предохранители и реле

Установка ЦЗ Пежо 406 дорестайлинг - YouTube

  • Вперед С днем рождения николаич прикольные картинки
  • Назад Занимательная математика 2 класс 2 часть ответы

Новые страницы

25L4006e

Что умеют делать дети посмотри на картинки и скажи используя образец

Cxg rohs 936d

Десногорское водохранилище отдых в домиках цены на берегу недорого

Домашняя работа по математике учебник 2 класс

Гдз английский язык учебник 2 класс афанасьева михеева

Гдз по английскому языку 10 класс биболетова рабочая

Гдз по биологии 5кл

Греко римский спортсмен

Как рисуют писюн

Карта stalcraft exbo

Математика 5 класс мерзляк 2021 год

Нефрит почек симптомы лечение

Отделка окна

Петроинтрейд

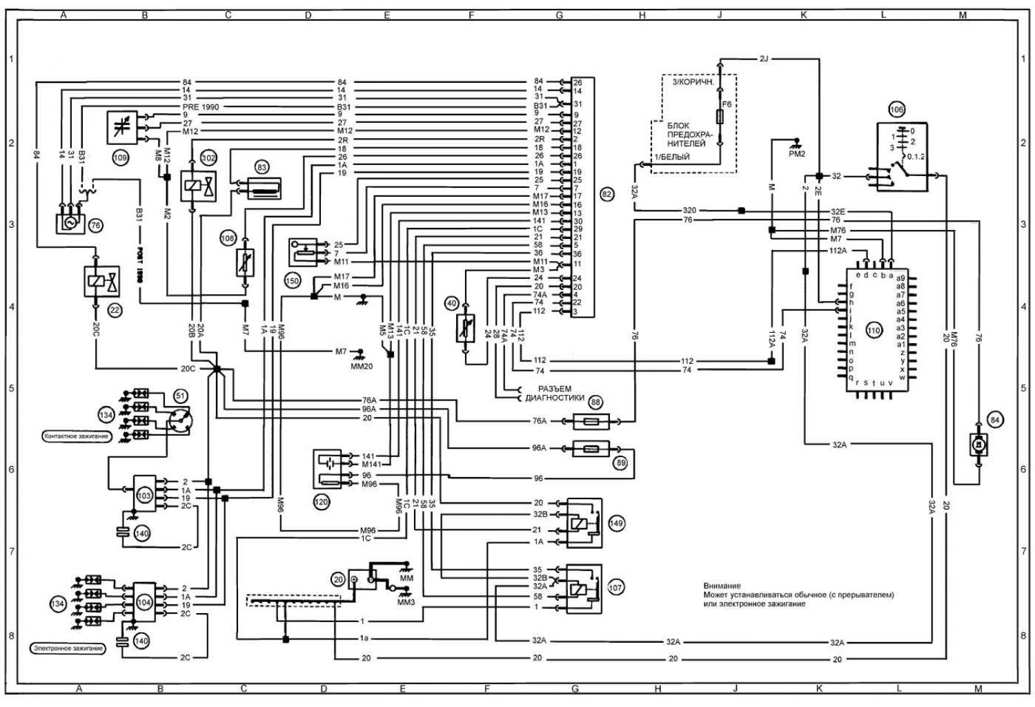
Пежо 406 электрические схемы

Ремонт main платы телевизора

Русский 5 класс упр 532

Схема передней подвески тойота креста 90 кузов

Схема сварочный аппарат telwin tecnica 164

Шкафы купе в электростали

Спортивный комплекс волейбол

Тарталетки с начинкой для детей на день рождения

Тату бмв е34 эскиз

Тренировочное электронное голосование

Трудная задача картина богданова бельского

Вопреки предсказания

Заклеивать рулевой

Желет

Желтокорая ива

cdn.zecar.ru