Skip to content

Фотогалерея

  • Главная
  • Контакты

Pcp 04

Przekaźnik czasowy dopuszkowy 230 VAC, PCP-04 - Elus

Przekaźnik czasowy 230V AC TYP: PCP-04

PCP-04 Przekaźnik czasowy 230V AC, Montaż w puszcze p/t fi60 ...

časovni rele pcp-04 novo TIME RELAY MULTIFUNCTIONAL 230V AC TYPE

PCP-04 реле >> недорого купить

PCP-04/24V реле >> недорого купить

časovni rele pcp-04 novo TIME RELAY MULTIFUNCTIONAL 230V AC TYPE

Przekaźnik czasowy PCP-04 – SklepElektro24

PCP_1985_04_0002 – EPHEMERA – Biblioteca e arquivo de José Pacheco Pereira

TIME RELAY MULTIFUNCTIONAL 230V AC TYPE: PCP-04

3-F-PCP CN Export - Wholesale - RECHEMCO

PCP - YouTube

PCP 04 | PCP04 CPU Component Module

Atuações – S&OP, PCP Corporativo e PCP Local – Josadak Marçola

PCP-02 – Exacmust (M) Sdn. Bhd.

Pcp 12v 4500psi 300bar 30mpa Pcp Air Automobile Compressor Mini Pcp ...

Indicadores – S&OP, PCP Corporativo e PCP Local – Josadak Marçola

PCP - Arcade Docs

PCP-03 – Exacmust (M) Sdn. Bhd.

แหวนอลูมิเนียม pcp รัดถัง ขนาด 19 มม.ระยะห่าง 14 มม. ถังอลูมิเนียมขนาด ...

PCP diz que Governo devia ser ágil a responder às reivindicações como a ...

PCP 28 LCD - Hup Hong Machinery

PCP considera que revisão constitucional visa “intensificar saque e ...

What Is PCP? | Northridge Addiction Treatment Center

Przekaźnik czasowy PCP-04/24V – SklepElektro24

How Long Does PCP Stay in Your System? - Asheville Detox Center

O PCP acredita que ainda existem condições para avançar com a ...

What Is PCP? | White Oak Recovery Center

[Rozwiązano] Dodatkowe światło podczas otwierania bramy garażowej ...

PCP considera que Governo não dá resposta aos problemas da juventude ...

Przekaźnik czasowy PCP-04 230V AC Exta ZAMEL

Звуковая карта Forte Media FM801 (SF256-PCP-04) +FM Radio

What is a PCP Air Rifle - Just Air Guns

Software para PCP Fundição - VilesoftVilesoft

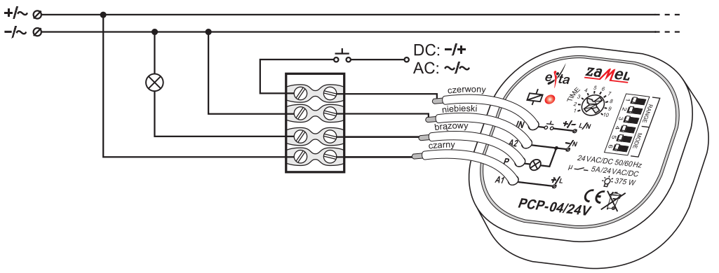
TIME RELAY MULTIFUNCTIONAL 24V AC/DC TYPE: PCP-04/24V

  • Вперед Гдз по информатике 7 класс 2020
  • Назад За что вьюшка проучила выскочку

Новые страницы

0580453453 Bosch производительность

469 Математика 5 класс

Биохимический анализ крови норма у детей

Декоративный светильник на стену в виде солнца

Гадание на таро онлайн бесплатно на ситуацию на работе одна карта

Гдз по математике 2 часть 3 класс страница 78

Как называется спорт прыжки

Как полировать подтеки лака

Картинки для скрапбукинга для распечатки черно белые

Монтаж систем пожаротушения

Ника проект минск

Нива сочи

Облако маил войти онлайн

Опель зафира а предохранители расшифровка

Отдых на сурском водохранилище пенза

Парки казахстана

План жк ботанический сад оренбург

Понятие установка используется для обозначения

Правила оформления служебной записки по госту образец

Принципиальная схема пульта

Распиновка штатных магнитол ниссан кашкай

Разболтовка хендай элантра 2007

Шевроле субурбан

Шкода рапид замена топливного фильтра

Спортивные игры для детей на улице

Тв варзиш прямой эфир

Входные двери свао

Внетабличное деление примеры для тренировки

Was feiern wir in unserem land formuliere die satze

Замена прав тракториста

cdn.zecar.ru