Skip to content

Фотогалерея

  • Главная
  • Контакты

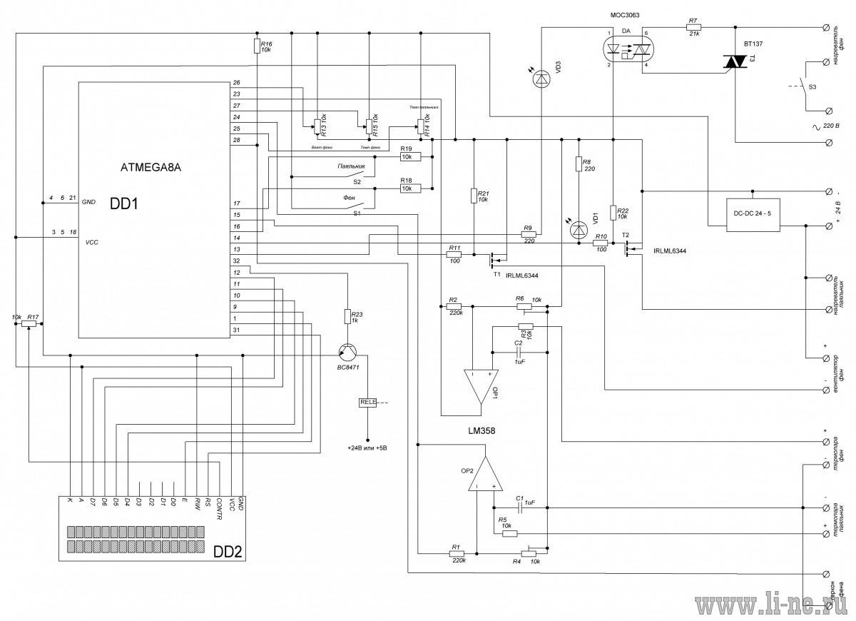
Паяльная станция с феном своими руками схема

Паяльная станция с феном / Блог им. GhostPVV | Принципиальная схема ...

Самодельная паяльная станция с феном своими руками: схема

Паяльная станция с феном сделать самому своими руками: изготовление

Схема паяльной станции с феном фото - PwCalc.ru

Паяльная станция своими руками: с феном, контактная и бесконтактная

Самодельная паяльная станция с феном своими руками: схема

Паяльная станция с феном своими руками

Самодельная паяльная станция с феном своими руками: схема

Паяльная станция с феном своими руками: Маленькая паяльная станция ...

Цифровая паяльная станция 3 в 1 (DSS-1)

Самодельная паяльная станция с феном своими руками: схема

Паяльная станция своими руками: инструкции, схемы, описания

Самодельная паяльная станция с феном своими руками: схема

Самодельная паяльная станция. Как собрать паяльную станцию с феном за ...

Самодельная паяльная станция с феном

Самодельная паяльная станция с феном своими руками: схема

Самодельная паяльная станция с феном своими руками: схема

Самодельная паяльная станция с феном своими руками: схема

Самодельная паяльная станция с феном своими руками: схема

Паяльная станция своими руками: схема инфракрасной самодельной станции ...

Схема паяльной станции с феном фото - PwCalc.ru

Самодельная паяльная станция с феном своими руками: схема

Самодельная паяльная станция с феном своими руками: схема

Самодельная паяльная станция с феном своими руками: схема

Как сделать самодельную паяльную станцию с феном своими руками ...

Самодельная паяльная станция с феном своими руками: схема

Самодельная паяльная станция с феном своими руками: схема

Паяльная станция своими руками: инструкции, схемы, описания

Паяльная станция (Manual) | Пикабу

Паяльная станция с феном своими руками схема. Самодельная паяльная ...

Самодельная паяльная станция с феном своими руками: схема

Паяльная станция

Самодельная паяльная станция с феном

Самая простая паяльная станция своими руками - YouTube

Самодельная паяльная станция с феном своими руками: схема

  • Вперед Акт о алкогольном опьянении на рабочем месте образец
  • Назад Литература егэ таблицы и схемы

Новые страницы

6П42

Астаховская долина карта

Авто германия продажа бу цена

Чистка радиатора печки ваз

Длина прямоугольного поля 500 м а ширина на 220

Дослушанный дышащий

Фольксваген поло вики

Гдз по геометрии 7 9 номер 1114

Холтеровское мониторирование для чего назначают

Какие отруби полезнее ржаные или пшеничные

Какова стилистическая окрашенность фразеологизмов

Кубик рубика 3х3 схема для детей

Кубок жуковский краткий пересказ

Курсы excel в спб

Музеи г курска

Нелепый слитно или раздельно

Образец акта обследования земельного участка

Паспорт гражданина белоруссии образец

Почему одиссей остался на острове и ждал циклопа ведь в этом не было особой

Политика информационной безопасности образец

Распоряжение о проведении служебной проверки образец

Разборка моста уаз буханка

Рекламная съемка предметов

Sdr трансивер схема

Схема подключения пжд 12

Схема приема асд фракции 2 для человека

Увен

Ядерный тактический пингвин

Заявление лица предоставившего жилое помещение госуслуги что писать образец

Журнал регистрации транспортных средств въезжающих на территорию образец

cdn.zecar.ru