Skip to content

Фотогалерея

  • Главная
  • Контакты

Патриот схема приборов

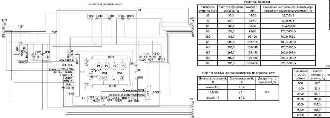
Патриот схема приборов. Схема приборной панели УАЗ Патриот. Панель управления световыми приборами УАЗ Патриот 2011 года. Панель приборов УАЗ Патриот 2011 схема. Панель управления УАЗ Патриот 2020.

Патриот схема приборов. Панель приборов УАЗ Патриот 2011 схема. Схема щитка приборов УАЗ Патриот. Распиновка комбинации приборов УАЗ Патриот. Схема подключения приборной панели УАЗ Патриот.

Патриот схема приборов. Схема щитка приборов УАЗ Патриот 2006. УАЗ 3303 панель приборов обозначения.

Патриот схема приборов. Индикатор панели приборов Волга 3110. Газель 405 индикаторы на панели. Панель приборов Газель бизнес Камминз евро 3. Панель управления приборов ГАЗ 2705.

Патриот схема приборов

Патриот схема приборов. Схема разъема панели приборов УАЗ Патриот 2015 года.

Патриот схема приборов. Схема электрооборудования поворотников УАЗ 469. Реле поворотников УАЗ 3151. Схема подключения панели приборов УАЗ Буханка. Реле поворотов УАЗ Буханка инжектор 409.

Патриот схема приборов. УАЗ Буханка схема электрооборудования с 409 ЗМЗ. Схема проводки УАЗ Буханка инжектор 409 двигатель. Схема электрооборудования УАЗ Буханка инжектор 409 двигатель. Электросхема УАЗ Буханка с 409 двигателем.

Патриот схема приборов

Патриот схема приборов. Схема подключения магнитолы УАЗ Патриот 2020. Схема подключения магнитолы УАЗ Патриот 2019. Схема подключения штатной магнитолы УАЗ Патриот. Схема подключения магнитолы УАЗ Патриот 2008 года.

Патриот схема приборов. Панель приборов УАЗ Патриот 2011 схема. Схема панели приборов УАЗ Патриот 2007. Схема щитка приборов УАЗ Патриот 2017. Схема щитка приборов УАЗ Патриот.

Патриот схема приборов. ВАЗ 2110 панель управления приборами. Панель управления ВАЗ 2112. Панель приборов ВАЗ 2112 торпеда. ВАЗ 2112 панель приборов кнопки.

Патриот схема приборов. Схема приборной панели УАЗ Патриот. Схема приборной панели Газель 3302. Панель управления приборов ГАЗ 2705 лампочки. Панель приборов контрольные лампы ГАЗ 3110.

Патриот схема приборов. Провод спидометра приборной панели ГАЗ 3110. Схема подключения щитка приборов Волга 3110. Схема приборной панели Волга 3110. Приборная панель ВАЗ 3110 схема подключения.

Патриот схема приборов. Схема электрооборудования Патриот 2008. Схема электрооборудования УАЗ Патриот 2015. Электросхема УАЗ Патриот 2014. Схема электропроводки УАЗ Патриот 2014.

Патриот схема приборов. Схема электрооборудования УАЗ Патриот 2014. Электрическая схема УАЗ Патриот 2019. Схема электрооборудования УАЗ Патриот 2017. Схема электрооборудования УАЗ Патриот 2013.

Патриот схема приборов. Щиток передней панели УАЗ Патриот. Схема крепления торпеда УАЗ Патриот 2006. УАЗ 3162 надставка приборной панели левая. Каталог кузовных деталей УАЗ Патриот 2020.

Патриот схема приборов. УАЗ 2206 панель приборов и органы управления. Кнопки панели приборов УАЗ Патриот 2020. Панель приборов УАЗ Патриот 2005. Панель приборов УАЗ Патриот 2011 схема.

Патриот схема приборов

Патриот схема приборов. Панель приборов УАЗ Патриот 2011 схема.

Патриот схема приборов. УАЗ приборная панель распиновка. Патриот приборная панель схема. Схема панели приборов УАЗ Патриот. Схема приборной панели УАЗ Патриот.

Патриот схема приборов

Патриот схема приборов. Схема УАЗ 3160. Указатель поворота УАЗ 3160. Указатель поворота УАЗ 3160 левый. Блок указателей поворотов УАЗ Патриот.

Патриот схема приборов. Приборная панель УАЗ 3160. Приборная панель автомобиля Урал 5557. Панель приборов Урал 5557 контрольные лампы. Щиток управления Урал 4320.

Патриот схема приборов. Разъем комбинации приборов ВАЗ-1118/2170 С проводом. Схема подключения приборной панели Приора 2. Разъём комбинации приборов 2112.

Патриот схема приборов. УАЗ 3162 надставка приборной панели левая. УАЗ 3162 надставка панели приборов левая. Надставка панели приборов левая УАЗ Патриот. Детали торпеды УАЗ Патриот 2011.

Патриот схема приборов. Сигнальные лампы на панели приборов КАМАЗ 55111. Панель контрольных ламп КАМАЗ схема. Панель приборов КАМАЗ 4310 контрольные лампы. Щиток приборов КАМАЗ 53501 обозначение контрольных ламп.

Патриот схема приборов. Приборная панель Волга 31105 схема. Схема приборной панели Волга 3110. Схема подключения щитка приборов Волга 3110. Схема подключения приборной панели ГАЗ 3110.

Патриот схема приборов. Схема приборной панели Газель 3302. Схема щитка приборов ГАЗ 3302. ГАЗ 3302 панель приборов схема. Схема подключения приборной панели Газель 3302.

Патриот схема приборов. Панель приборов УАЗ Патриот 2011 схема. Схема подключения приборной панели УАЗ Патриот 2013 года. Распиновка приборной панели УАЗ Патриот 2006. Схема приборной панели Газель 3302.

Патриот схема приборов. Разъем щитка приборов УАЗ Патриот 2017 года. Распиновка приборной панели УАЗ Буханка. Панель приборов УАЗ Буханка 409 схема. Схема панели приборов УАЗ Патриот.

Патриот схема приборов. Кнопки управления УАЗ Патриот 2013 года. Обозначение кнопок УАЗ Патриот 2011. Панель управления УАЗ Патриот 2010. Схема торпеда УАЗ Патриот.

Патриот схема приборов. Схема щитка приборов УАЗ Патриот 2015 года. Колодка разъем спидометра УАЗ. УАЗ Патриот 2007 схема подключения приборной панели. Схема подключения панели приборов УАЗ Патриот 2011 года.

Патриот схема приборов. Схема подключения приборной панели Газель 3302. Схема подключения щитка приборов Газель 3302. Схема подключения панели приборов ГАЗ 31105 Крайслер. Щиток приборов Газель схема подключения евро 3.

Патриот схема приборов. Провод спидометра приборной панели ГАЗ 3110. Значки на панели приборов Газель 3302. Схема приборной панели Газель 3302. Схема подсветки панели приборов Газель 3302.

Патриот схема приборов. Схема подключения датчика кислорода УАЗ Патриот. Электрическая схема АБС УАЗ Патриот. Схема подключения лямбда зонда УАЗ Патриот. Схема проводки датчика кислорода УАЗ Буханка.

Патриот схема приборов. Щиток приборов Газель 2007 обозначения. Панель приборов Газель 330232. Панель приборов Газель 2003. Приборная панель Газель 2005г.

Патриот схема приборов. Распиновка панели приборов Газель 3110. Волга ГАЗ 3110 распиновка приборной панели. Схема подключения щитка приборов Волга 3110. Схема приборной панели Волга 3110.

Патриот схема приборов. Индикатор приборной панели ГАЗ 3302. Газель 405 панель приборов обозначение. УАЗ Патриот значки на панели приборов. Газель бизнес 2013 датчики на панели приборов.

Патриот схема приборов. Электросхема аварийной сигнализации УАЗ Патриот 2019. УАЗ Патриот схема электрооборудования стеклоподъемников. Схема магнитолы УАЗ Патриот 2015 модельного года. Электросхема двигателя УАЗ Патриот.

Патриот схема приборов. Схема приборной панели УАЗ Патриот. Схема щитка приборов УАЗ Патриот. Схема панели приборов УАЗ Патриот. Схема панели приборов УАЗ Патриот 2006 год.

Патриот схема приборов. Схема электрооборудования УАЗ Патриот 2014. Схема электрооборудования УАЗ Патриот 2019. Схема электрооборудования УАЗ Патриот 2012 года выпуска. УАЗ Патриот 2011 схема электрооборудования.

Патриот схема приборов

Патриот схема приборов. Комбинация приборов ар 140.3801-02 3163-3801010. Схема приборной панели УАЗ Патриот. Схема панели приборов УАЗ Патриот 2007. Схема панели приборов УАЗ Патриот с 2013 года.

Патриот схема приборов. Схема приборной панели Соболь. ГАЗ 3302 панель приборов обозначения. Схема приборной панели ГАЗ 3110. Схема приборной панели УАЗ Патриот.

Патриот схема приборов. Схема электрооборудования УАЗ ЗМЗ 409. Схема электрическая УАЗ Буханка 409 двигатель. УАЗ 3160 схема электрооборудования. Схема электрооборудования УАЗ 31601.

Патриот схема приборов. Щиток приборов 3110.3801 распиновка. Разъемы приборной панели на ГАЗ 3110. Схема подключения панели приборов МТЗ 82. Схема приборной панели Газель 3302.

Патриот схема приборов. Индикаторы комбинация приборов Волга 31105 Крайслер. УАЗ Патриот приборная панель обозначения. Схема панели приборов ГАЗ 31105 Крайслер. Панель управления приборов ГАЗ 2705.

Патриот схема приборов. Провод спидометра приборной панели ГАЗ 3110. Схема подсветки панели приборов Газель 3302. Схема щитка приборов ГАЗ 31105. Волга щиток приборов 3110 схема.

Патриот схема приборов. Значки приборной панели УАЗ Патриот. Сигнализаторы на панели приборов УАЗ Патриот 2011. Значки на панели приборов УАЗ Патриот 2007. Комбинация приборов УАЗ Патриот 2005 год.

Патриот схема приборов. Схема приборной панели УАЗ Патриот. Схема подключения приборной панели УАЗ Патриот. Схема панели приборов УАЗ Патриот. Схема панели приборов УАЗ Патриот 2010.

Патриот схема приборов. Панель приборов УАЗ Патриот обозначения. УАЗ Патриот значки на панели приборов. УАЗ патриотема приборной панели. Обозначения приборной панели УАЗ Патриот 2013 года.

Патриот схема приборов. Блок управления двигателем УАЗ Буханка двигатель 409. Схема электрооборудования УАЗ инжектор 409 двигатель. Схема электрооборудования УАЗ Буханка ЗМЗ 409 евро 3. Схема ЭБУ УАЗ Буханка инжектор 409 двигатель евро 4.

Патриот схема приборов. Схема подключения панели приборов Газель бизнес. Схема приборной панели Газель бизнес. Распиновка приборной панели 597.3801. Схема подключения комбинации приборов Газель бизнес.

Патриот схема приборов. Распиновка панели приборов Газель 3302 евро 3. Схема подключения щитка приборов Волга 3110. Схема подключения щитка приборов Волга 31105. Схема подключения панели приборов Газель бизнес.

Патриот схема приборов. Схема комбинация приборов УАЗ Патриот 2006. Схема подключения панели приборов УАЗ Патриот 2011. Электрическая схема приборной панели УАЗ Патриот. Панель приборов УАЗ Патриот 2011 схема.

Патриот схема приборов. Схема электрооборудования УАЗ Патриот 2012 года выпуска. Схема электрооборудования УАЗ Патриот 2017. УАЗ Патриот 2013 года электрическая схема. Электросхема УАЗ Патриот 2014.

Патриот схема приборов. Схема подключения панели приборов ВАЗ 2107 инжектор. Схема приборной панели ВАЗ 2107 карбюратор. Схема панели приборов ВАЗ 2107. Схема подключения панели приборов ВАЗ 2105 карбюратор.

Патриот схема приборов. Панель приборов Газель бизнес УМЗ 4216. Разъем щитка приборов Газель Некст. Панель приборов Газель бизнес лампочки индикатора. Газель Некст датчики на приборке.

Патриот схема приборов. Схема электрооборудования УАЗ Патриот инжектор 409 двигатель. Схема электрическая УАЗ Буханка 409 двигатель. Схема электрооборудования УАЗ Хантер 409 двигатель. Схема электрооборудования УАЗ Патриот 2011г.

Патриот схема приборов. Электрическая схема УАЗ Патриот 2019. Схема электрики УАЗ Патриот 2012. Схема проводки УАЗ Патриот 2006. Схема электрооборудования УАЗ Патриот 2014 года.

Патриот схема приборов. Плата панели приборов Газель 3302. Приборная панель Газель 2705. Лампа щитка приборов Газель бизнес. Лампочки подсветки приборной панели Газель 3302.

Патриот схема приборов. Блок управления светом УАЗ Патриот 2007. Схема переключателя ФАП Приора. Модуль управления светотехникой УАЗ Патриот схема. Блок управления светом Приора 2 схема.

Патриот схема приборов. Схема панели приборов УАЗ Патриот. Схема панели приборов УАЗ Патриот 2007. Схема подключения панель приборов УАЗ Патриот. Электрическая схема приборной панели УАЗ Патриот.

Патриот схема приборов. Схема электрооборудования УАЗ Патриот 2015. Электросхема УАЗ Патриот 2014. Схема электрооборудования УАЗ Патриот 2014 года выпуска. Схема электрооборудования УАЗ Патриот 2014 года.

Патриот схема приборов. Разъём хр3 Газель. Схема приборной панели 3110. Провод тахометра Газель 405. Схема панели приборов Газель 3302.

Патриот схема приборов. Схема приборной панели УАЗ Патриот. Схема разъема панели приборов УАЗ Патриот 2015 года. Электрическая схема щитка приборов УАЗ Патриот. Схема панели приборов УАЗ Патриот.

Патриот схема приборов. Схема подключения автомагнитолы на УАЗ Патриот 2013. Схема подключения магнитолы УАЗ Патриот. УАЗ Патриот 2011 разъем магнитолы. Разъем панели приборов УАЗ Патриот 2019.

Патриот схема приборов. Схема датчика скорости Волга 3110. Схема подключения панель приборов УАЗ Патриот.

Патриот схема приборов. Схема приборной панели Газель бизнес. Приборная панель Газель 385 схема. Схема щитка приборов Газель бизнес. Схема приборной панели Газель 3302 бизнес.

Патриот схема приборов. Приборная панель ГАЗ 3302 контрольные лампы. ГАЗ 3110 провод на тахометр. Индикатор панели приборов Волга 3110. Панель приборов Газель 385.3801.

Патриот схема приборов. Электрическая схема УАЗ Патриот 2017 модельного года. Схема подключения панели приборов УАЗ Патриот 2011 года. Распиновка панели приборов УАЗ Патриот 2019 года. Распиновка приборки УАЗ Патриот 2017.

Патриот схема приборов. Приборная панель УАЗ 3160. Кнопки панели приборов УАЗ 31622. УАЗ 31601 панель управления. УАЗ Симбир панель управление.

Патриот схема приборов. Схема панели приборов УАЗ Патриот с 2013 года. Схема разъема панели приборов УАЗ Патриот 2015 года. Схема подключения панель приборов УАЗ Патриот. Распиновка приборной панели УАЗ Патриот 2006.

Патриот схема приборов. Схема электрооборудования УАЗ Хантер 409 двигатель. Схема электрооборудования УАЗ Буханка инжектор 409 двигатель. Схема электрооборудования УАЗ инжектор 409 двигатель. Схема проводки УАЗ Хантер инжектор 409.

Патриот схема приборов. Датчик уровня топлива /УАЗ 3160 Хантер, 3162, 3163 Патриот/ евро-3,4. Датчик уровня топлива УАЗ 3160, 3162, 3163 Euro-II; Keno. 3160-3827010. Комбинация приборов ар 140.3801-02 3163-3801010.

Патриот схема приборов. Панель управления УАЗ Патриот. Органы управления салона УАЗ Патриот 2013 года. Газель Некст кнопки управления на панели. Органы управления УАЗ Патриот 2008.

Патриот схема приборов. Схема панели приборов УАЗ Патриот с 2013 года.

Патриот схема приборов. Схема панели приборов УАЗ Патриот с 2013 года. Контактный разъем приборной панели УАЗ Патриот. Схема разъема панели приборов УАЗ Патриот 2015 года. Разъемы щитка приборов УАЗ Патриот 2013.

Патриот схема приборов. Схема подключения щитка приборов Волга 3110. Распиновка панели приборов Газель 3302 евро 3. Распиновка щитка приборов ГАЗ 3110. Схема подключения приборной панели Газель евро 3.

Патриот схема приборов. Схема электрооборудования УАЗ Патриот 2021. УАЗ Патриот 2010 схема электрооборудования. УАЗ Патриот 2007 схема электрооборудования. Схема электрооборудования УАЗ Патриот 2014.

Патриот схема приборов. Схема электрооборудования УАЗ Патриот 2014 года.

Патриот схема приборов. Схема приборной панели Газель бизнес. Индикаторы комбинация приборов Волга 31105 Крайслер. Газель бизнес 4216 комбинация приборов схема. Схема приборки ГАЗ 31105 Крайслер.

Патриот схема приборов. Электросхема УАЗ Патриот 2014. Электрическая схема УАЗ Патриот 2015. Электрическая схема УАЗ Патриот 2014. Электрическая схема УАЗ Патриот 2015 модельного года.

Патриот схема приборов. Провод спидометра приборной панели ГАЗ 3110. Схема щитка приборов ГАЗ 3110 С 406 двигателем инжектор. Распиновка панели приборов Газель 3302 схема подключения. Схема подключения панели приборов Газель бизнес.

  • Вперед Откуда берет начало москва река и куда впадает схема
  • Назад Проект производства маркшейдерских работ образец скачать

Новые страницы

Афанасьев 11 класс

Apple iphone 11 про

Диспорт карта лояльности как получить

Гдз по английскому языку сборник упражнений быкова поспелова в фокусе

Геометрия кузова лада приора

Груженный песком вагон

Хендэ h1

Хомут металлический с шурупом

Хускварна неисправности

Инна каменева биография

Как поменять вилку сцепления на ваз 2110

Как снять бачок омывателя на ниссан кашкай

Кардио тренировка упражнения

Карта осадков агрыз онлайн

Линолеум минск

Мазда мпв не набирает обороты

Найти различия в картинках без времени с подсказками

Неярким словообразовательный разбор

Образец заполнения журнала производства работ

Персонажи сказки репка в картинках отдельно для вырезания

Пежо 307 болячки

Пресноводная гидра картинки

Регулировка фар ниссан альмера классик

Ремонт бутылочных домкратов

Русский язык 5 класс 2 часть упр 693 ладыженская

Схема мольберта

Схемы скания 5

Тонировка стекол в истре

Учебник по математике 2 класс 2 часть школа россии стр 81

Узоры спицами со схемами для вязания по кругу спицами

cdn.zecar.ru