Skip to content

Фотогалерея

  • Главная
  • Контакты

Panasonic sa ak200 отзывы

Panasonic SC-AK200 5 Disc CD Player Double Cassette Tuner Radio HiFi ...

Panasonic 3 em 1 SA AK200 #aparelhodesom - YouTube

Panasonic sa ak200

System Panasonic SA-AK200 - YouTube

Panasonic Sa Ak 200 User Manual - sitespider

Wieża Panasonic SA-AK200 Radom • OLX.pl

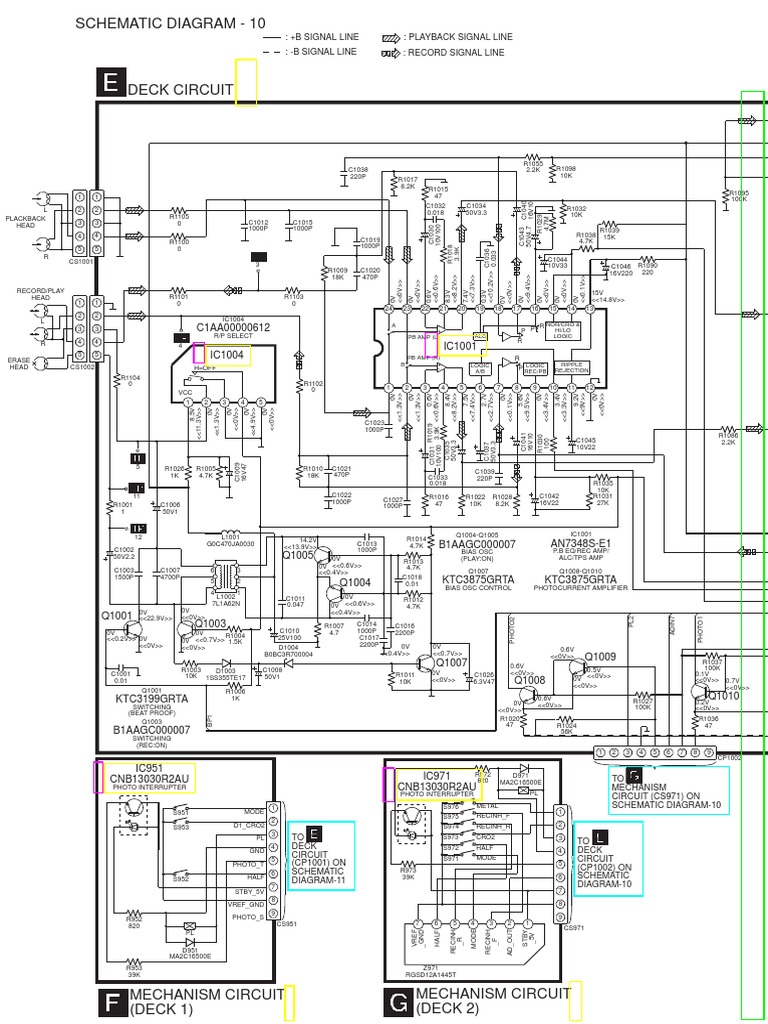
Download "Panasonic sa ak200 schematics" free

Panasonic Original Remote Control N2QAGB000017 - SA-AK300 SA-AK200 CD ...

Wieza panasonic sa-ak200 Szczuki • OLX.pl

Tampas Som Panasonic Sa-ak200 | Shopee Brasil

Panasonic sa-ak200 обзор - YouTube

Wieża Panasonic SA-AK200 (140 W) AUX,CD-R, CD-RW, DVD Czechowice ...

Store Home Products Feedback

Wieża Panasonic SA-AK200 + głośniki Skrzyszów • OLX.pl

Музыкальный центр Panasonic SA -AK200: 1 600 грн. - Музыкальные центры ...

Wieża stereo Panasonic SA-AK200 - 14365540566 - oficjalne archiwum Allegro

Wieża Panasonic SA-AK200 Dwie Kolumny AUX 5CD Tuner Tape Mińsk ...

Nie zawsze włączająca się wieża Panasonic SA-AK200

YUSTDA For PANASONIC SA-DK10 SA-DK20 SA-AK200 SA-AK220 SA-AK300 AC ...

Panasonic SA-AK200 - 02 - YouTube

PANASONIC SA-AK66 SERVICE MANUAL Pdf Download | ManualsLib

Download "Panasonic sa ak57" free

Panasonic Sa Ak200 | PDF

Музыкальный центр Panasonic SA -AK200: 1 600 грн. - Музыкальные центры ...

Panasonic SA-AK 200 Stereoanlage mit Zubehör in 89426 Wittislingen für ...

DIGITAL AUDIO SYSTEM - PANASONIC - SA - AK200 | Aukro

Музыкальный центр panasonic sa ak200 | Festima.Ru – частные объявления

Help with connecting speakers to old Panasonic SA-AK330. My old one’s ...

Музыкальный центр Panasonic SA-AK200 + Bluetooth | Festima.Ru ...

Музыкальный центр Panasonic SA-AK200 купить в Москве | Электроника | Авито

Panasonic sa ak200 купить в Новосибирске | Электроника | Авито

Panasonic SA-AK200 в Аудиосистеми в гр. София - ID40300059 — Bazar.bg

Panasonic SA AK300 Original Vendido - YouTube

Wieża stereo Panasonic SA-AK200 + głośniki + pilot Tama • OLX.pl

Panasonic SA-AK200 Stereo System | in Brighton, East Sussex | Gumtree

  • Вперед Шевроле нива меняем сцепление
  • Назад Петушки цветы

Новые страницы

Амфитон 002 стерео схема

Базы отдыха байкала цены

Дефектная ведомость на ремонт автомобиля образец

Девушка у пруда картина васнецова

Фитнес хаус архангельск никольский цены

Форза мотоспорт

Как нарисовать красиво пошагово

Как снять задние фонари ваз 2114

Какие качества развивает лыжный спорт

Кольраби прилагательное

Математика 6 класс номер 167 2 часть

Микросхема an17821a

Периодичность проверки схем электроснабжения

Подготовивший спортсмена

Приказ до 1 5 лет образец 2023 образец

Продажа спорт

Программирование брелков томагавк

Распиновка замка зажигания 2107

Схема кладки в один кирпич

Схема планет рисунок

Схема подключения кнопки газель

Шкаф схема сделать

Siemens производитель страна

Травка зеленеет солнышко блестит ласточка с весною в сени к нам летит юный лес

Тренировочный вариант 10 русский язык егэ

В чем заключается явление симбиоза

В липах завелась иволга

Выставка рисунков мой любимый вид спорта

Военная галерея зимнего дворца создана в честь победы в отечественной войне 1812 года по проекту

Желудочное кровотечение симптомы

cdn.zecar.ru