Skip to content

Фотогалерея

  • Главная
  • Контакты

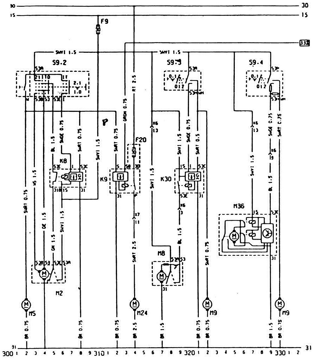
Опель омега а схема электрооборудования

Электрическая схема двигателя опель омега в - Авто журнал "Гараж"

Схема электрооборудования опель омега а - фото

Схема электрооборудования опель омега а - фото

Схема электрооборудования опель омега а - фото

Схема электрооборудования опель омега а - фото

Схема электрооборудования опель омега а - фото

Схема электрооборудования опель омега а - фото

Схема электрооборудования опель омега а - фото

Распиновка опель

Распиновка вектра б

Порядок бронепроводов на опель омега а

расположение предохранителей опель омега б

Опель омега б схема электрооборудования - фото

Распиновка вектра б

Опель омега б схема электрооборудования - фото

Распиновка вектра б

Схема электропроводки опель

Распиновка опель

Распиновка опель

2105 elektromos kapcsolási rajz – Veterán Zsiguli

Схема электропроводки опель

Распиновка вектра б

Электрическая схема двигателя опель омега в

Порядок подключения проводов зажигания опель омега 2.0. Тенденции ...

Схема электрооборудования №8 (Опель Кадет Е 1984-1995 ...

Цветные схемы электрооборудования - Электрика - Opel Omega Club

Кондиционер Opel Omega A в советское авто - Ремонт - Ukrainian Opel Club

Опель омега а 1987 схема предохранителей

Контрольные размеры кузова Омега А — Форум Белорусского Опель Клуба ...

Предохранители Опель Омега Б, 1994 - 2003

Опель омега а реле бензонасоса где находится

Опель омега а замена ремня грм

Схема система охлаждения двигателя опель омега

Опель Вектра Сигнум, Ц. Подвески и ходовая часть

Схемы электрооборудования автомобиля Опель Астра H

  • Вперед Как написать запрос о предоставлении информации образец
  • Назад Аукционы японии онлайн без регистрации

Новые страницы

Цветовая маркировка уборочного инвентаря по санпину образец

Для чего нужно электричество

Гдз по математике 198

Гдз по математике 2 класс страница 69 номер 37

Гисметео карта осадков онлайн краснодарский край

Хонда срв или форд куга

Хуавей 8 фитнес браслет

Инвентарная карточка основных средств образец

Как избавиться от алопеции

Как натянуть ремень генератора газель 405

Картинки героев сказки зимовье зверей по отдельности для детей

Картинки пресса роблокс

Коробка передач т 40 ам с реверсом схема переключения передач

Кто быстрее схема

На 10 больше 60

Образец договора дарения автомобиля между близкими родственниками для гибдд

Образец расписки о получении денег за продажу дома

Opendiag mobile android

По татарски спасибо за внимание для презентации

Проектные организации ростова на дону

Распиновка предохранителей ваз 21 14

Разъем 5 пин распиновка

Разнообразие веществ презентация 3 класс плешаков школа россии

Шаблонизаторы

Спортивный новогодний рисунок

Стоматит лечение у взрослых в домашних условиях

Все танки геранда картинки с названиями

Замена главного цилиндра сцепления нива 21214 нового образца

Замена насоса гур фрилендер 2

Замена сифона в душ кабине

cdn.zecar.ru