Skip to content

Фотогалерея

  • Главная
  • Контакты

Опель инсигния мануал

Опель инсигния какие двигателя устанавливались

Опель инсигния какая комплектация лучше - 97 фото

Новый Опель Инсигния Фото Цена – Telegraph

Opel Insignia 1 поколение рестайлинг (2013 – 2017) - технические ...

Опель Инсигния Комплектации И Цены Фото – Telegraph

установил джойстик — Opel Insignia (1G), 2 л, 2009 года | аксессуары ...

Замена цепи ГРМ и помпы на Опель Инсигния 2.0Т — Opel Insignia (1G), 2 ...

Опель инсигния гнет ли клапана - 97 фото

Настройка радио опель инсигния - 90 фото

Опель инсигния 2018 комплектация (40 фото) - hdpic картинки

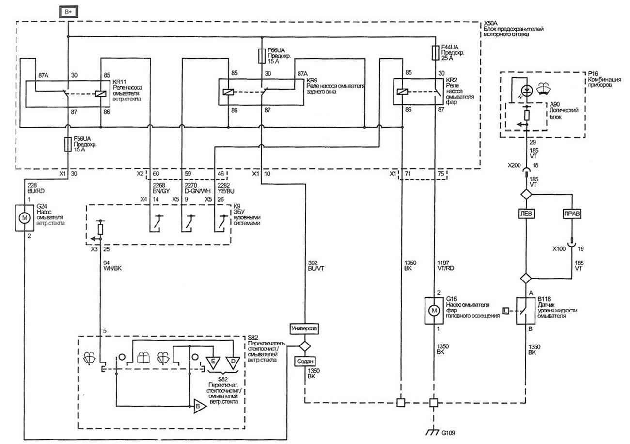
Омыаатели (Опель Инсигния A 2008-2017: Электрооборудование ...

Опель инсигния схема кондиционера - фото

Опель инсигния проблемы акпп - фото

Опель инсигния схема парктроников - фото

Опель инсигния схема парктроников - фото

Опель инсигния схема парктроников - фото

Как снять аккумулятор опель инсигния - 84 фото

Настройка радио опель инсигния - 90 фото

Схема охлаждения опель инсигния - фото

Новый Опель Инсигния Фото Цена – Telegraph

Мембрана клапанной крышки — Opel Insignia Hatchback, 1,6 л, 2014 года ...

Опель инсигния приводной ремень схема - фото

Система управления кузовными системами (Опель Инсигния A 2008-2017 ...

Опель инсигния схема центрального замка - фото

Опель инсигния приводной ремень схема - фото

Опель инсигния буксует сцепление - 97 фото

Опель инсигния схема центрального замка - фото

Опель инсигния замена сцепления - 80 фото

Схема предохранителей опель инсигния

Обозначение значков на панели приборов опель инсигния - 95 фото

Схема задней подвески опель инсигния - фото

Опель инсигния (45 фото) - hdpic картинки

Схема охлаждения опель инсигния - фото

Схема задней подвески опель инсигния - фото

Схема опель монтерей фото - PwCalc.ru

  • Вперед Какой угол называется углом падения углом отражения физика
  • Назад Панель предохранителей ваз 2107 инжектор

Новые страницы

6922

Акт выполненных работ по дезинсекции и дератизации объекта образец

Av режим

Дизайн и реклама

Договор на поставку песка с доставкой образец

Дубай атлантис

Физическая карта свердловской области в хорошем качестве

Фразеологизм дурачить кого то

Как поменять заставку на китайской магнитоле

Карта твери с улицами и домами панорама

Картинка папа а где мама

Картинка сварщика для логотипа

Картинка васильки на прозрачном фоне

Кроссворд по неметаллам

Лилия танго парижа

Методические рекомендации минспорта россии

Обращение в управу района образец

Опель инсигния мануал

Овогенез картинка егэ

Парни из стамбула

По капле склонение и падеж

Презентация конституция россии 4 класс перспектива

Проекция спидометра на лобовое

Публика фитнес воронеж

Схема сев

Удаление татуажа лазером спб

Ve 1 sport

Виды грибков ногтей на ногах фото

Всхнд 100

Зажим прокалывающий ор 645

cdn.zecar.ru