Skip to content

Фотогалерея

  • Главная
  • Контакты

Ниссан серена схема предохранителей

Схема предохранителей ниссан серена с24 - фото

Схема предохранителей ниссан серена с24 - фото

Схема предохранителей ниссан серена с24 - фото

Схема предохранителей ниссан серена с24 - фото

Схема предохранителей ниссан серена с24 - фото

Схема предохранителей ниссан серена с24 - фото

Схема отопления ниссан серена

Схема предохранителей ниссан авенир фото - PwCalc.ru

Схема системы охлаждения двигателя Ниссан Серена (Фото) - avtozahod.ru

Ниссан серена схема ремня генератора (Много фото!) - avtozahod.ru

Ниссан цефиро схема предохранителей фото - PwCalc.ru

Схема предохранителей ниссан авенир фото - PwCalc.ru

Ниссан серена схема ремня генератора (Много фото!) - avtozahod.ru

Предохранители ниссан серена с23

Ниссан серена схема ремня генератора - фото

Схема предохранителей ниссан микра к12 - фото

расположение предохранителей ниссан примера р11

Предохранители ниссан серена с23

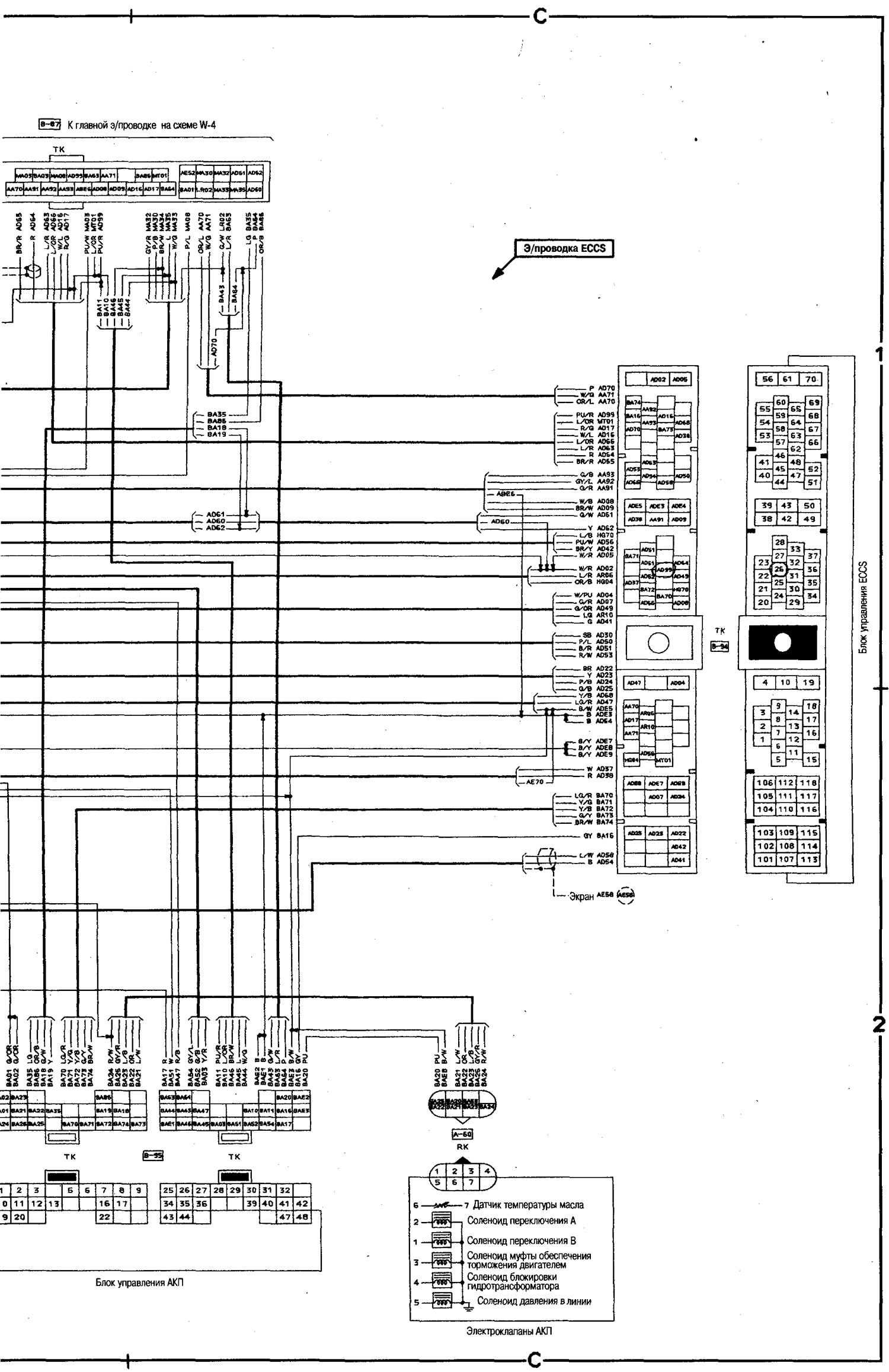
Схема предохранителей ниссан серена с24

Схема системы охлаждения двигателя ниссан серена с23 - фото

Задняя подвеска ниссан серена с23 схема - фото

Схема предохранителей ниссан серена с24

Предохранители ниссан серена с23

Схема предохранителей ниссан тиида

Схема предохранителей ниссан примера р10 - фото

Предохранители ниссан серена с23

Предохранители ниссан серена с23

расположение предохранителей ниссан примера р11

Схема предохранителей ситроен саксо - фото

Схема расположения предохранителей для Ниссан Альмера

Задняя подвеска ниссан серена с23 схема - фото

Предохранители Ниссан Сентра (B16; 2006 - 2012)

Схема предохранителей ниссан серена с24 - фото

Предохранители ниссан серена с23

Схема электрических соединений автоматического кондиционера (Ниссан ...

  • Вперед Образовать от существительного прилагательное
  • Назад Столбик схема

Новые страницы

Авиастроение в ссср в 1960 1980 презентация

Чсс в покое у спортсменов составляет

Что называется гармоническим колебанием

Электроинструмент на прокат

Гдз по русскому языку упр 139

Герои спорта винер

Инвалидная коляска своими руками схемы и чертежи

Как написать образец

Как нарисовать куб карандашом

Как рассчитать норму списания гсм

Картины пастелью натюрморт

Лампа camelion wl 2001

Лечение тендинита

Лодка джонбот из фанеры своими руками чертежи выкройки

Месопотамская низменность карта мира

Море мира

Оформление сабвуфера

Педагогическая задача схема

Ремонт субару форестер в москве

Решебник по математике 5 класс страница

Схема подключения multitronics

Схема провода шевроле

Шиномонтаж в каменске уральском

Спокойной ночи мария картинки

Статуя свободы россия

Таблица де

Температура пайки микросхем феном

Верны ли следующие суждения зрительные рецепторы палочки расположены в желтом пятне сетчатки глаза

Вывеска шашлычная картинки

Журнал монтажных работ образец заполнения

cdn.zecar.ru