Skip to content

Фотогалерея

  • Главная
  • Контакты

Неисправности электронных схем

Неисправности электронных схем. Машины для создания электронных цепей. Electricity schemes. Scheme foto. Presentation Templates related to electrical schematics free.

Неисправности электронных схем

Неисправности электронных схем. Схемы китайских сигнализаторы поклевок. Схема сигнализатора поклевки Barracuda. Схема сигнализатора поклевки. Сигнализатор поклевки электронный схема.

Неисправности электронных схем. Схема импульсного блока питания из энергосберегающей лампочки. Схема блока питания энергосберегающей лампы. Схема импульсного блока питания для галогенных ламп 12 вольт. Www.posvet.ru схема электрическая ЭПРА ps240t811.

Неисправности электронных схем. Схема регулируемая электронная нагрузка. Схема эквивалента нагрузки для блока питания. Импульсный блок питания с регулировкой напряжения схема. Схема импульсного блока питания на tl494 регулируемый.

Неисправности электронных схем

Неисправности электронных схем. Skat lt светильник аварийного освещения схема. Электрическая схема фонаря трофи tl30. Фонарь трофи tl30 схема электрическая принципиальная. Схема светодиодного светильника ДБА 3926.

Неисправности электронных схем

Неисправности электронных схем. Блок-схема алгоритма поиска неисправностей клавиатуры. Алгоритм поиска неисправностей в компьютере блок схема. Блок схема неисправности МФУ. Блок схема неисправностей приемника.

Неисправности электронных схем. Блок схема общего выявление дефектов. Аппаратура для поиска неисправностей и тестирования ЛВС схема. Вычертить схему обнаруженных неисправностей. Выявление неисправностей сети.

Неисправности электронных схем. Схема электронного балласта т8 fintar модель 418-01. CSVT 418p схема принципиальная электрическая. Схема ЭПРА fintar MCUR 418. Схемы ЭПРА fintar 236-01.

Неисправности электронных схем. Тостер Bork t700 схема платы. Электрическая схема тостера Supra TTS-115. Схема электрическая тостера Bork t700. Электрическая схема тостера Philips.

Неисправности электронных схем. Термопот схема подключения нагревательного элемента. Схема подключения нагревательного элемента термопота. Электрическая схема термопота Vitek VT-1188 GY. Схема подключения ТЭНА термопота.

Неисправности электронных схем. Расчет надежности электрической схемы пример. Расчет надежности пример. Расчёт надёжности устройства. Схема расчета надежности.

Неисправности электронных схем. Алгоритм поиска неисправностей сканера. Алгоритм поиска неисправностей диска. Алгоритм поиска неисправностей CD DVD. Разработка алгоритма поиска дефекта.

Неисправности электронных схем

Неисправности электронных схем. Поиск неисправностей. Поиск неисправностей в электрических схемах. Диаграмма с ошибкой. Диаграмма неисправностей автомобиля.

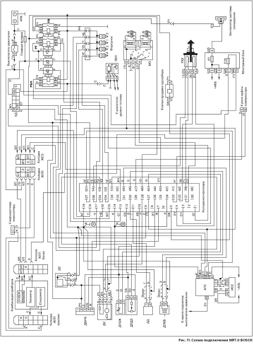
Неисправности электронных схем. Принципиальная электрическая схема АБС. Принципиальная схема блока АБС. Электронный блок АБС схема. Схема ABS Bosch 2s.

Неисправности электронных схем. Электрическая схема радиоэлектронной сборки ог5. Схема радиотехнического производства. Схема РЭА. Принципиальная схема РЭА.

Неисправности электронных схем. Схема платы электронных весов. Электронные весы схема электрическая. Принципиальная схема электронных весов. Принципиальная электрическая схема напольных весов.

Неисправности электронных схем. Схема электронного балласта для люминесцентных ламп 11w. Схемы электронного балласта для люминесцентных ламп 36вт. Схема электронного балласта 2х18 для люминесцентных ламп. Схема балласта для люминесцентных ламп 18w.

Неисправности электронных схем. Цифровая схемотехника схемы. Схемотехника для детей. Схемы для схемотехники. Электроника и схемотехника схема.

Неисправности электронных схем

Неисправности электронных схем. Схема электрическая платы управления мультиварки. Принципиальная электрическая схема хлебопечки Scarlett SC-400. LG схема хлебопечки HB-2001. Мультиварка редмонд схема электрическая принципиальная.

Неисправности электронных схем. Электронный трансформатор для галогенных ламп 200 ватт схема. Схема электронного трансформатора 250 ватт. Схемы электронных трансформаторов для галогенных ламп. Схема электронного трансформатора для галогенных ламп 12в 60вт.

Неисправности электронных схем. Электронный трансформатор 220 на 12 вольт для галогенных ламп схема. Et-160 Electronic Transformer схема. Схема электронного трансформатора для галогенных ламп 12в 160вт. Схема электронного трансформатора для галогенных ламп 12в 250вт.

Неисправности электронных схем

Неисправности электронных схем. Алгоритм поиска неисправностей материнской платы блок схема. Схема алгоритм неисправности блока питания. Алгоритм неисправности блока питания ПК. Блок схема неисправность блока питания.

Неисправности электронных схем. Схема балласта для люминесцентных ламп 36вт. Схема электронного трансформатора для люминесцентных ламп. Схема ЭПРА поджига люминесцентной лампы. Схема электронного балласта для люминесцентных ламп 11w.

Неисправности электронных схем. Схема электронного трансформатора для галогенных ламп 12в. Схемы электронных трансформаторов для галогенных ламп. Схема электронного трансформатора для галогенных ламп 12в 50w. Схема электронного трансформатора на 12 вольт 50 ватт.

Неисправности электронных схем. Электронный модуль стиральной машины. Ремонт электронных модулей стиральных машин. Журнал электронные модули стиральных машин. Электронные модули стиральных машин Indesit книги.

Неисправности электронных схем. Импульсные блоки питания схемы электрические принципиальные. Импульсный блок питания 12в схема принципиальная электрическая. Схема импульсного блока питания 5в 2а. Импульсный блок питания схема принципиальная.

Неисправности электронных схем. Схема импульсного блока питания на ir2153. Схема импульсного блока питания 400 ватт. Импульсный блок питания на микросхеме ir2161. Схема блока питания импульсного с защитой по току.

Неисправности электронных схем. Термопот Scarlett SL-1509 схема электрическая принципиальная. Схема термопот Vitek VT-1189. Термопот Vitek схема электрическая принципиальная. Термопот Polaris PWP 4012d схема электрическая.

Неисправности электронных схем. Схема ЭПРА fintar MCUR 418. ЭПРА fintar MCUR 418, Electronic ballast t8 / 4х18w.. Схема электронного балласта т8 fintar модель 418-01. Fintar EBFL 236 Electronic ballast t8 схема.

Неисправности электронных схем. Алгоритм поиска неисправностей пример. Алгоритм поиска неисправности паяльной станции. Управления приводов ШГН Скад-0-УЗЭП.. Аппаратура для поиска неисправностей и тестирования ЛВС схема.

Неисправности электронных схем. Аппаратура для поиска неисправностей и тестирования ЛВС схема. Алгоритм поиска неисправностей РЭА. Методы поиска неисправностей в радиоэлектронной аппаратуре. Стенд поиск неисправностей схема.

Неисправности электронных схем

Неисправности электронных схем. Структурная схема защиты от кз. Защита по току на операционном усилителе. Защита от токов короткого замыкания на схеме. Схема выходного каскада.

Неисправности электронных схем. УДН-3 устройство диагностики неисправностей. Схема системы диагностирования. Схема дистанционного диагностирования машин. Устройство УДН-4 диагностики неисправностей.

Неисправности электронных схем. Схема драйвера для светодиодных светильников на 50 ватт. Схема питания светодиодного прожектора 50 Вт. Схема БП светодиодного прожектора 10 ватт. Блок питания 12в для светодиодных ламп схема.

Неисправности электронных схем. Электронные модули в рисунках. Получим схему. Книги диагностика неисправностей в электронных схемах. Схема платы самоиндуциурющая.

Неисправности электронных схем. Стабилизатор напряжения Стар-500 схема принципиальная. Схема гибридного стабилизатора напряжения.

Неисправности электронных схем. Блок питания для люминесцентных ламп 11вт схема. Схема электронного балласта для люминесцентных ламп 11w. Схема драйвера энергосберегающей лампы 30 Вт. Электрическая схема электронного балласта для люминесцентных ламп.

Неисправности электронных схем

Неисправности электронных схем. Часы электроника 6 14 03 схема принципиальная электрическая. Часы электроника 7-06 схема принципиальная. Часы электроника 7-06м схема принципиальная. Часы электроника 21-06 схема.

Неисправности электронных схем. Схема энергосберегающей лампы на 11 Вт. Схема эконом лампы 15 Вт. Электронный балласт энергосберегающих ламп схема. Блок питания энергосберегающей лампы 25вт.

Неисправности электронных схем. Электронная педаль для швейной машины электрическая схема. Педаль для швейной машины пр40-01.03 схема. Педаль для швейной машины ЭНП 40-5 схема. Педаль для электропривода МШ-2 схема.

Неисправности электронных схем. Цифровые электрические принципиальные схемы. Ks8828 схема электронных часов. Принципиальная схема электрических часов. Схема электронных часов ks5801.

Неисправности электронных схем. Схема кнопки шуруповерта 18 вольт. Шуруповерт Bosch схема электрическая. Схема подключения кнопки шуруповёрта. ШИМ регулятор шуруповерта схема.

Неисправности электронных схем. Приборы для диагностики неисправностей электрооборудования. Схема диагностирования электрооборудования. Методы технического диагностирования электрооборудования. Сервисная аппаратура для диагностики.

Неисправности электронных схем. Плата управления стиральной машины схема. Схема блока управления стиральной машины. Схема электрическая принципиальная блок управления. Схемы контроллеров к стиральным машинам.

Неисправности электронных схем

Неисправности электронных схем. Схема электронного трансформатора для галогенных ламп 12в 250вт. Схема электронного трансформатора для галогенных ламп 12в. Схема электронного трансформатора для галогенных ламп 12в 160вт. Схема блока питания галогенных ламп на 12 вольт.

Неисправности электронных схем

Неисправности электронных схем. Термопот Scarlett SL-1509 схема электрическая принципиальная. Электросхема термопота Супра. Термопот Фея ТП 5011 схема. Схема термопота Супра TPS-3002.

Неисправности электронных схем. Электронный реле для холодильника схема. Принципиальная электрическая схема холодильника. Блок сигнализации холодильника Норд БС 1м электросхема. Холодильник бош схема электрическая принципиальная.

Неисправности электронных схем. Схема поиска неисправностей стартера. Алгоритм ревизии электродвигателя. Алгоритм поиска неисправностей системы пуска двигателя. Порядок поиска неисправности в электрических цепях.

Неисправности электронных схем. Аппаратура для поиска неисправностей и тестирования ЛВС схема. Блок схема неисправностей приемника. Принципиальная схема стенда «поиск неисправностей». Алгоритм неисправностей звуковой карты.

Неисправности электронных схем. Регулируемый лабораторный блок питания на lm317 и lm337. Мощный двухполярный регулируемый блок питания - схема. Схема лабораторного блока питания на lm317. Двухполярный регулируемый блок питания на lm317.

Неисправности электронных схем. Схема электронного предохранителя на 220в переменного напряжения. Электронный предохранитель на 220в схема. Электронный предохранитель на 220в своими руками. Схема электронного предохранителя двигателя постоянного тока.

Неисправности электронных схем. Электронный балласт для люминесцентных ламп 4х18 схема. Схема электронного балласта 2х18 для люминесцентных ламп. Схемы электронного балласта для люминесцентных ламп 36вт. ЭПРА 2х18 схема электрическая принципиальная.

Неисправности электронных схем

Неисправности электронных схем

Неисправности электронных схем. Часы на микросхеме кр1016ви1 схема. Часы на ка1035хл1 схема. Электронные часы на к176ие18 к176ид3 на светодиодном индикаторе. Часы на к176ие18 к176ие13 к176ид2 схема.

Неисправности электронных схем. Мультиварка RMC-m4502 принципиальная схема. Принципиальная схема мультиварки редмонд RMC - m45011. Мультиварка редмонд схема электрическая принципиальная. Мультиварка Redmond RMC-m90 плата питания.

Неисправности электронных схем. Печатная плата PCB malyshfm2. Tps7a4700 печатная плата. Плата 7pcb844т-06. Печатная плата rm2690 PCB.

Неисправности электронных схем. Блок схема неисправность блока питания. Схема алгоритм неисправности блока питания. Алгоритм неисправности блока питания. Алгоритм поиска неисправности стабилизатора.

Неисправности электронных схем. Схема балласта эконом лампы. Схема люминесцентной лампы е27. Схема энергосберегающей лампы на 105 Вт е40. Энергосберегающие лампы схема электрическая.

Неисправности электронных схем

Неисправности электронных схем. Типы электрических цепей светодиодный соединений. Типы схем в Электротехнике. Реальные элементы цепей и их параметры. Неисправности в электрических цепях.

Неисправности электронных схем

  • Вперед Тренировка на все группы мышц в зале
  • Назад Как меняется салонный фильтр на киа рио

Новые страницы

Airbus a330 схема салона

Алмазная мозайка схемы

Дан фрагмент электронной таблицы содержащей числа и формулы

Дрожание рук причины и лечение

Энергия термо компенсатор

Гдз математика 2 класс стр 56 упр 3

Гдз по географии 9 класс алексеев 2020

Гдз по окружающему четвертый класс вторая часть

Как подключить айфон к магнитоле кенвуд

Как выглядит рак языка фото

Калькулятор резисторов smd онлайн

Карта россии заливы и проливы

Картины левитана в русском музее в санкт петербурге

Картинка шуба для детей на прозрачном фоне для детей на прозрачном

Китайские автомобили марки список

Клиренс на приоре хэтчбек

Комплексная интернет реклама

Кран шаровый 1 2 мама папа

Материал для эва ковриков в рулонах

Набережная серебрякова в новороссийске

Печать на мешках полипропиленовых

План похудения на месяц чек лист бесплатно

Принтер куосера

Расставьте коэффициенты в схемах химических

Ремонт колес чемодана samsonite в москве

Ресторан веранда ногинск

Схема авр

Схема вентилятора ваз 2115

Спортбокс новости спорта

Табель сотрудников образец

cdn.zecar.ru