Skip to content

Фотогалерея

  • Главная
  • Контакты

Не загорается панель приборов

Решено! Горят постоянно поворотники и не загорается панель приборов и ...

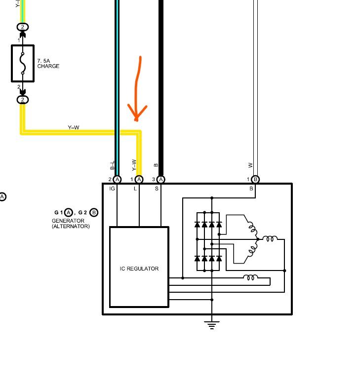
Не загорается панель приборов рено логан - 95 фото

Не загорается панель приборов рено логан - 95 фото

Не загорается панель приборов рено логан - 95 фото

Не загорается панель приборов рено логан - 95 фото

Не загорается панель приборов рено логан - 95 фото

Не загорается панель приборов рено логан - 95 фото

Не загорается панель приборов рено логан - 95 фото

Не загорается панель приборов рено логан - 95 фото

Не загорается панель приборов рено логан - 95 фото

Tiguan 2012 2.0 CAWA Не включается зажигание, не загорается панель ...

Не заводится фольксваген туран 2009 дизель 2.0 ключ поворачиваешь ...

После ДТП не загорается приборная панель — Honda Fit (3G), 1,5 л, 2014 ...

Форд Транзит 2.4 . 2008 год выпуска . Не загорается , горит,( панель ...

Не загорается панель приборов при повороте ключа зажигания: при ...

Нажимаю на тормоз - загорается панель приборов. Причина оказалась там ...

Не загорается панель приборов - Страница 2 - Тех. вопросы Landcruiser ...

Нажимаю на тормоз - загорается панель приборов. Причина оказалась там ...

Не загорается приборная панель — DRIVE2

Произвольно загорается панель приборов!!при нажатии тормоза - YouTube

НЕ ЗАГОРАЕТСЯ ЗАЖИГАНИЕ (ТАБЛО) ПРИ ПОВОРОТЕ КЛЮЧА. НЕ ГОРИТ ПРИБОРНАЯ ...

Не загорается панель приборов при повороте ключа зажигания: при ...

Не загорается панель приборов при повороте ключа зажигания: при ...

Простые шаги по устранению неисправности дальнего света Solaris 2011

При повороте ключа зажигания не загорается панель приборов ваз 2115

Не загорается панель приборов при повороте ключа зажигания: при ...

При включении зажигания не загорается панель приборов. Нет зарядки ...

Не загорается панель приборов при повороте ключа зажигания: при ...

При повороте ключа зажигания не загорается панель приборов ваз 2115

МЕРСЕДЕС ВИТО W447 НЕ ЗАГОРАЕТСЯ ПРИБОРНАЯ ПАНЕЛЬ НЕ ЗАВОДИТСЯ НЕ ...

При нажатии на тормоз загорается панель приборов FF2 дорест — Ford ...

При повороте ключа зажигания не загорается панель приборов ваз 2115

Не загорается панель приборов и не заводится нива шевроле

Не загорается панель приборов рено логан - 95 фото

Не загорается панель приборов при повороте ключа зажигания: при ...

  • Вперед 1 Как вы понимаете смысл слова доброта
  • Назад Кафе пандок воронеж официальный сайт

Новые страницы

Алгебра 7 класс 659

Балет ромео и джульетта автор

Центр спортивной подготовки имени римы баталовой

Делают ли мусульмане обрезание

Двигатель шевроле кобальт описание

Электронный блок управления двигателем

Гдз по английскому языку 5 класс учебник рудницкая

Гдз по русскому лыжднедская 5 класс

Гдз русский иванов

Как делать реферат образец 7 класс

Как написать портфолио о себе образец для работы

Как получить гражданство сша гражданину россии

Краткая автобиография образец на работу для женщины

Матем стр 58 3 класс 2 часть

Microlab pro 2 схема усилителя

Налоговый консультант электроугли

Подвесной реечный потолок демонтаж

Покраска гитары

Поплавковый выключатель расценка в смете

Пп2 10 н2

Схема трехконтактного реле поворотов

Спао ингосстрах официальный сайт

Спортивные брюки купить интернет

Справка об удержании из заработной платы образец

Срочные новости спорта

Упражнение 513 русский язык ладыженская 6 класс

Википедия терминатор

Ворота для частного дома кованые с деревом

Замена лампы дальнего света

Заявление о процессуальном правопреемстве гпк образец

cdn.zecar.ru