Skip to content

Фотогалерея

  • Главная
  • Контакты

Не включается вентилятор охлаждения

Не включается вентилятор радиатора автомобиля - Ремонт и обслуживание авто

Не включается вентилятор радиатора охлаждения ВАЗ. - YouTube

Не включается вентилятор охлаждения радиатора? - YouTube

Причины почему не включается вентилятор охлаждения ваз 2114

Лада Калина Не Включается Вентилятор Охлаждения - schooleisk

Пежо 206 не работает вентилятор охлаждения - 90 фото

Не включается вентилятор охлаждения опель омега б - 81 фото

Не включается вентилятор охлаждения ваз 2109 карбюратор причины - 96 фото

Как проверить вентилятор охлаждения на приоре

Не включается вентилятор охлаждения ланос

Не включается вентилятор охлаждения на шевроле каптива - 91 фото

Не включается вентилятор охлаждения на Шевроле Ланос

Вентилятор системы охлаждения (Мерседес-Бенц W220 1998-2005 ...

Почему не включается вентилятор охлаждения ВАЗ-2110 инжектор

Не Включается Вентилятор Охлаждения Радиатора Лада Калина - libraryshoe

Информация к размышлению: не включается вентилятор охлаждения ваз 2107 ...

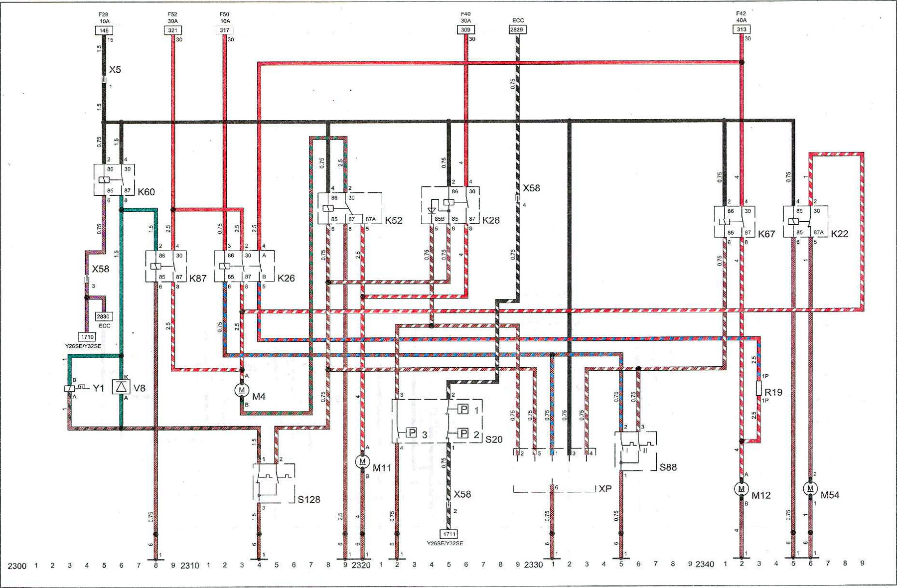
Схема включения вентилятора охлаждения ВАЗ 2110

Где стоит реле вентилятора охлаждения на ниве шевроле

ВАЗ 2110 / 2111 / 2112 Система охлаждения

Предохранители Мерседес W212, 2009 - 2016

Не работает вентилятор охлаждения мерседес w203 - 94 фото

Nissan X-Trail (T30) - Не работает вентилятор в салоне. - YouTube

Как подключить вентилятор на ваз 2107 через кнопку

Не работает вентилятор охлаждения на Пежо 206: не включается

Как отключить вентилятор на опель астра j

Не включается вентилятор охлаждения датсун он до - 81 фото

Схема 10. Система охлаждения и вентиляции. Автомобили с двигателем ...

Не работает вентилятор охлаждения. Причины, ремонт

Не включается вентилятор радиатора – Не включается вентилятор ...

⚠Карлсон всё… Замена вентилятора охлаждения⚠ — Nissan X-Trail III (t32 ...

Схемы включения вентилятора охлаждения радиатора автомобиля

Не включается вентилятор радиатора – Не включается вентилятор ...

Не включается вентилятор радиатора – Не включается вентилятор ...

Схема вентилятора охлаждения опель вектра б

Почему не включается вентилятор: Почему не работает вентилятор ...

  • Вперед 587 Алгебра
  • Назад Как правильно переключать скорость на механике

Новые страницы

Гдз по иностранному языку 5 класс учебник 2 часть

Гдз по математике автор моро третий класс часть вторая

Гелик черный цена

Герметизация лоджии

Глохнет мерседес а 168

Как поменять датчик температуры на приоре

Как правильно написать жалобу в управляющую компанию образец

Как проверить тарифный план на вин мобайл крым

Картинки из пинтерест черно белые эстетика для оформления комнаты

Компьютер включается но не запускается

Крутые картинки на аватарку телефона

Не включается вентилятор охлаждения

Образец написания расписки о получении денег

Перерва текстильщики

Популярный спорт в америке

Презентация влияние магнитных бурь на человека

Приказ о продлении категории педработнику образец

Применения спортивных игр

Приспособление дождевых червей

Проект по технологии 8 класс моя будущая профессия сварщик

Решебник по алгебре 10 класс мордкович база

Схемы питания собственных нужд

Союзное предложения схема

Спорт жизни вредные привычки

Спортивный костюм больший размеров

Starlight starter my food

Тойота маленькая машина

Упражнение разноспрягаемые глаголы

Заполните пустые ячейки на схеме выбрав необходимые слова из приведенного списка тайга заяц беляк

Зажим контактный винтовой зви 3

cdn.zecar.ru