Skip to content

Фотогалерея

  • Главная
  • Контакты

Не выключаются вентиляторы охлаждения нива шевроле

Не включаются вентиляторы охлаждения на Ниве Шевроле - диагностика и ремонт

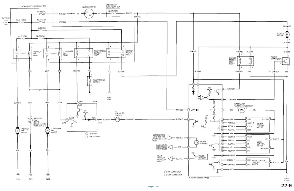
Не выключаются оба вентилятора охлаждения — Сообщество «Honda CR-V I ...

Не выключаются вентиляторы — Audi A8 (D2), 3,3 л, 2001 года | поломка ...

Нива шевроле вентилятор не выключается вентилятор охлаждения - 88 фото

Не выключаются вентиляторы охлаждения skoda octavia tour 1.6 bfq mk1 ...

Не выключаются фары — Lada 2114, 1,6 л, 2011 года | поломка | DRIVE2

Как проверить вентиляторы охлаждения на Шевроле Нива - ProDemio.ru

Как проверить вентиляторы охлаждения на Шевроле Нива - ProDemio.ru

Не включаются вентиляторы охлаждения

#100 Ремонт проводки VW T5. Вентиляторы охлаждения, которые не ...

Вентиляторы охлаждения Нива Шевроле 2123 в сборе - FEHU арт. FFC1129h ...

Как проверить вентиляторы охлаждения на Шевроле Нива - ProDemio.ru

Пежо 406. Вентиляторы охлаждения. Не включаются, не выключаются. Реле ...

Пежо 406. Вентиляторы охлаждения. Не включаются, не выключаются. Реле ...

Не выключаются вентиляторы? Есть ответ! — Chrysler Grand Voyager III ...

Как включить вентиляторы охлаждения на Шевроле Нива: полезные советы и ...

Вентиляторы шевроле нива схема

Радиатор охлаждения ВАЗ 2123 НИВА ШЕВРОЛЕ (основной) АЛЮМИНИЙ (ДААЗ ...

Радиатор охлаждения нива шевроле с кондиционером

Не выключаются вентиляторы? Есть ответ! — Chrysler Grand Voyager III ...

Chevrolet Niva Manual; Система охлаждения

не выключаются вентиляторы! — Volkswagen Golf Mk5, 1,4 л, 2007 года ...

Где находится реле вентилятора охлаждения нива шевроле - фото

Устройство и ремонт вентиляторов системы охлаждения нива шевроле

Схема подключения нива

Вентиляторы шевроле нива схема

Шевроле нива схема подключения вентилятора охлаждения радиатора - 81 фото

Место под вентилятором: даже маленький обдув для котиков, как спасение ...

Вентиляторы системы охлаждения двигателя Шевроле-Нива (контроллер М7.9.7)

Работает только один вентилятор у chevrolet niva

Не выключаются вентиляторы (Решен) — Volkswagen Golf Plus, 1,4 л, 2009 ...

Почему на ниве не срабатывает вентилятор охлаждения

Вентиляторы шевроле нива схема

Как снять вентилятор охлаждения на шевроле нива - ProDemio.ru

Продам Название: Нива-ЛАУРА (инкассация) Объем двигателя: 1.8л Мощность ...

  • Вперед Диагностическая колодка ваз
  • Назад Акты скрытых работ образец

Новые страницы

А также другой спортивной

Ацетил l карнитин

Авито мастер электрик

Берегите лес от пожара рисунки для детей в садик

Биология 9 класс учебник сонин гдз

Что такое башня на колесах

Доходы бюджета от экспорта

Карта белокурихи с санаториями и улицами и достопримечательностями

Карта истории огэ

Коллегиальное заключение психолого педагогического консилиума школы заполненный образец

Логические головоломки тренировка мозга

Логотип тик тока картинки

Мехенди на руке

Отзыв на исковое заявление образец от ответчика

План расположения эпу ленэнерго

Покраска авто в электростали

Рецепт карбонара

Ремонт отпаривателя zauber

Схема скрещивания гибридов

Схемы плетения фенечек из ниток

Шкаф гардероб в квартире

Сколько стоит установка сплит системы в москве

Сколько времени лечат пневмонию

Скважинный насос с автоматикой

Соглашение о продлении трудового договора с директором образец

Территория фитнеса королев

Tp5000 datasheet

Тренировки установить

Выпрямить тормозной диск на велосипеде

Записка расчет 0504425 образец заполнения

cdn.zecar.ru