Skip to content

Фотогалерея

  • Главная
  • Контакты

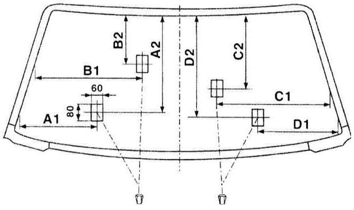
Настройка форсунок омывателя

Настройка форсунок омывателя лобового стекла — ЗАЗ Lanos, 1,5 л, 2011 ...

Правильная настройка форсунок омывателя ! — Audi S8 (D2), 4,2 л, 1998 ...

Настройка форсунок омывателя лобового стекла MB — DRIVE2

Настройка форсунок омывателя лобового стекла MB — DRIVE2

Настройка форсунок омывателя лобового стекла Mercedes W210 — Mercedes ...

Замена и настройка форсунок омывателя — BMW 3 series (E46), 2,8 л ...

Самая правильная настройка форсунок омывателя стекла | IISR | Дзен

Настройка форсунок омывателя стекла — BMW 7 series (E32), 4 л, 1993 ...

Настройка форсунок омывателя лобового. — Mercedes-Benz E-class Coupe ...

ЧИСТКА И НАСТРОЙКА ФОРСУНОК ОМЫВАТЕЛЯ ЛОБОВОГО СТЕКЛА VAG: VOLKSWAGEN ...

Настройка веерных форсунок омывателя - ProDemio.ru

Настройка форсунок омывателя — BMW 5 series (E34), 2,5 л, 1994 года ...

ХАВЕЙЛ Н9 НАСТРОЙКА ФОРСУНОК ОМЫВАТЕЛЯ БЫВАЕТ - YouTube

Замена и настройка форсунок омывателя — BMW 3 series (E46), 2,8 л ...

Настройка веерных форсунок омывателя - ProDemio.ru

Вопрос к знающим. Настройка струйных форсунок омывателя (set the washer ...

Мокрые дела или настройка форсунок омывателя стекла — Renault Espace V ...

Замена и настройка форсунок омывателя — BMW 3 series (E46), 2,8 л ...

Настройка веерных форсунок омывателя: Регулировка веерных форсунок ...

Настройка форсунок омывателя лобового стекла — BMW 3 series (E36/5), 1 ...

Настройка веерных форсунок омывателя - ProDemio.ru

Настройка форсунок омывателя лобового стекла — BMW 3 series (E36/5), 1 ...

Настройка форсунок омывателя лобового стекла — BMW 3 series (E36/5), 1 ...

Генератор Ланос 1.5 разбираю генератор подписчика - YouTube

Чистка форсунок на ланосе + замер сопротивления — Chevrolet Lanos, 1,5 ...

Что делать, если не работает омыватель лобового стекла в машине

Функция № 17. "Включение форсунок омывателя передних фар и настройка ...

Настройка веерных форсунок омывателя: Регулировка веерных форсунок ...

Функция № 17. "Включение форсунок омывателя передних фар и настройка ...

Как отрегулировать форсунки омывателя: пошаговая инструкция

Замена форсунок омывателя — Lada Приора хэтчбек, 1,6 л, 2011 года ...

Замена уплотнительных колец топливных форсунок. - YouTube

Замена форсунок омывателя стекла на Калине. - YouTube

Настройка веерных форсунок омывателя: Регулировка веерных форсунок ...

Как правильно настроить форсунки омывателя автомобиля, типы форсунок ...

  • Вперед Домики своими руками схема
  • Назад Место впадения москвы реки в оку

Новые страницы

Башня таро значение

Что такое запирающий слой полупроводников

Cip и дип

Электросхема g15

Физкультурно оздоровительные спортивные залы

Фотоклуб галерея

Гдз по русскому четвертый класс канакина горецкий учебник

Гостиницы мытищи

Гуриев марат аликович

Химчистка обуви из замши спб

Коврик крючком круглый схемы и описания из разных ниток

Магнитола киа сид 2008 распиновка

Матросская тишина психиатрическая больница

Мега теплый стан в москве

Мерседес w180

Монтаж водосточной системы металлпрофиль

Обучение профессии с последующим трудоустройством в москве

Оклейка карбоновой пленкой авто

Отдел защиты прав потребителей

Подробная карта туркмении на русском языке с городами и поселками

Принципиальная схема предприятия

Проф схема

Расписание автобусов великий новгород онлайн карта

Русский язык 5 класс гдз ладыженская баранов 1 часть ответы

Спорт решает

Спортивные мероприятия февраль

Спортивное ориентирование соревнования 2023

Утренний поцелуй для любимой женщине картинки с надписью

Возражение к исковому заявлению образец

Заявление на возврат обуви в магазин образец

cdn.zecar.ru