Skip to content

Фотогалерея

  • Главная
  • Контакты

Mt6572

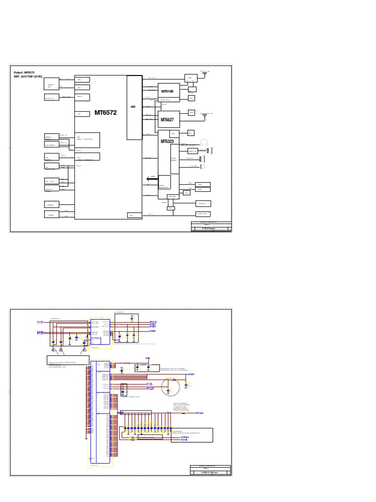
MT6572 Datasheet - Dual-core ARM Cortex-A7 - Mediatek

X-Bo_V12_MT6572_Cm2_Read_100_Tested - Phulbari Gsm

mt6572 PDF | PDF | Data Transmission | Digital Electronics

MT6572__alps__M706__m72_emmc_s6_pcb22_to1024_ddr1__4.4.2__ALPS.JB3.MP ...

Flash & Firmware X27 | MT6572__alps__X27__x6_v5_x50__4.4.2__HY_W116_W17 ...

ma telecom: MT6572_NAND_I7__I7__I7__4.4.2__HS_KUNLIN_FOREIGN_F4_I7_V0.2 ...

MT6572 Процессор - Notebookcheck-ru.com

Mediatek Announces MTK6572 Dual Core Cortex A7 SoC For Entry-Level ...

samsung clone firmware: GALAXY TAB 7 MT6572__Tab__Tab__m72_emmc_s6 ...

plăcintă Constitui aceste mt6572 rom consultant lacom Peave

MT6572 Datasheet pdf - MediaTek

GALAXY TAB7 MT6572 FIRMWARE 100% TESTED - BEST FLASH FILE & STOCK ROM

50 TK ONLE FILE PRICE: MT6572__B706__B706__B706__4.2.2__NIPDA-JDQ39 ...

G-TAB P709M MT6572 4.4.2 DEAD FIX, LCD FIX,HANG LOGO FIX FLASH FILE 100 ...

MT6572 PDF Datasheet - HSPA Smartphone Processor

FIRMWARE RINO 3 MT6572 - FIRMWARE TESTED PREMIUM

MediaTek launches MT6572 A7 Quad Core processor packs with Mali 400 GPU ...

MT6572 Datasheet pdf - MediaTek

Eblu.Berry B732+ FIRMWARE MT6572 4.4.2 OFFICIAL FLASH FILE 100% TESTED ...

MT6572 2G 3G modem配置-一牛网论坛

MT6572__B706__P08__B706__4.4.2__ALPS.KK1.MP7.V1.22 - BEST FLASH FILE ...

ImmiX Air MT6572 China Tab KT07_MB_MT6572_V15 Firmware | Android Flash ...

M-ANDROID: mt6572 drivers

SPORTS SP10 FIRMWARE FLASH FILE MT6572 4.4.2 STOCK ROM - BEST FLASH ...

MT6572__alps__PR360__q20_a1_bn__5.1__ALPS.KK1.MP7.V1.5 - BEST FLASH ...

** SUJON TELECOM **: Samsung gt-s7582 flash file clone MT6572 Official ...

MT6572 下载问题 S_DA_NAND_UNKNOWN_ERR-MTK/联发科-MTK硬件-一牛网论坛

AKT AMAOE MU-2 STENCIL For MTK CPU MT6582, MT6735, MT6589, MT6572 ...

SAMSUNG A12+ MT6572 CLONE FIRMWARE ~ FIRMWARE1

GSM FIRMWARE.COM: MT6572__K706-3G-HD-2__SK703__kt07c_honghd__4.4.2 ...

GSM SONGRAM: SAMSUNG GT-S7582 MT6572 Board ID A872_M_V1.1 T 100% Tested ...

FIRMWARE X27 PLUS MT6572 - FIRMWARE TESTED PREMIUM

BOSS FIRMWARE: MICRODIGIT TAB M7506 MT6572 4.2.2 FLASH FILE

kt07-mb-mt6572-v18 firmware

** NAOGAON TEL **: KT07_MB_MT6572_V15 Flash File (no password) By ...

  • Вперед Volkswagen jetta или toyota corolla
  • Назад Спортивная реабилитация

Новые страницы

Альф сериал картинки

Баннер наружная реклама

Буквенное обозначение ибп на схемах

Электрика умный дом

Fill in global adoption vegetable compost environmental

Фланец 350 размеры

Гдз по алгебре 7 класс номер 330

Гдз по биологии 11 класс каменский учебник

Гражданский процесс в схемах и таблицах

Как почистить форсунки самостоятельно

Картинки ютуберов по майнкрафту

Котел конвекционный

Математика 6 класс 2 часть виленкин номер 207

Натяжные потолки новогиреево

Образец заявления на перерасчет за электроэнергию

Osu карта where is my mind

Озеро чаны ударение

Подключение саба в мост

Рассмотри предложенную схему регуляция работы сердца

Сбросной клапан для воды регулируемый

Сценарий к фильму образец

Шпилька резьбовая м16х1000

Скачать образец штатного расписания

Тренировки в школе 1

Установка флагштока

Утиные истории 2017 картинки поночка

Вакансии инженер конструктор в москве

Выпуск воды уголок штанги душевой кабины

Визометрия

Задания на тему зимние виды спорта

cdn.zecar.ru