Skip to content

Фотогалерея

  • Главная
  • Контакты

Mp4012 datasheet

MP4012DS-LF-Z Monolithic Power Systems - Datasheet PDF & Technical Specs

HCC/HCF4013B Datasheet PDF (280 KB) SGS Thomson Microelectronics ...

‫مشخصات، دیتاشیت، قیمت و خرید MP4012‬

【木子3C】MP4012 MP4012DS LED驅動芯片 SOP-16 全新原裝 ic元件【零件】 - 木子3C-3C產品銷售維修 ...

全新原装 MP4012 MP4012DS-LF-Z LED驱动芯片IC贴片SOP16_虎窝淘

R-HS066D-1MF12 схема | Все для ремонта электроники

MP4012 | PDF | Field Effect Transistor | Mosfet

【二手拆機】全新原裝正品 MP4012 MP4012DS LED驅動 SOP-16 157-04022 | 露天市集 | 全台最大的網路購物市集

Драйвер подсветки mp4012 даташит

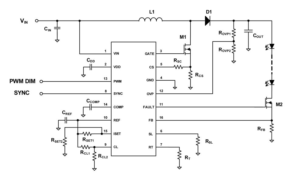
LED背光控制芯片MP4012工作特点与故障维修 - 家电维修资料网

Generic MP4012 authentic new SOP - 16 LED driver IC chip packaging ...

LED背光控制芯片MP4012工作特点与故障维修 - 家电维修资料网

Só Tudo - CIRCUITO INTEGRADO MP4012 SMD

MA42217 Datasheet - Low Noise Bipolar Transistors

MC1540G Datasheet PDF - Sense Amplifiers

【尚敏】全新原裝 MP4012 4012 (5PCS) | 蝦皮購物

Mp4012 Circuito Integrado Sge11603 | MercadoLibre

Ci Mp4012ds Mp4012 Mp4012ds-lf-z Sop16 Original | MercadoLivre

CD4038A Data Sheet | RCA

JUC7.820.00117550 как уменьшить ток подсветки | Секреты телемастера

CD4048B Data Sheet | RCA

JUC7.820.00117550 как уменьшить ток подсветки | Секреты телемастера

MPX2010 DataSheet | NXP

142241_3914098.PDF Datasheet Download --- IC-ON-LINE

ML100PS2PG SENSORS Datasheet, Distributor, Stock and Price

UPC4061 Data Sheet | NEC

100% New&original MP4012 MP4012DS MP4012DS LF Z LED SOP 16|Replacement ...

Mp4012ds - Mp4012 - Mp4012ds-lf-z - Sop16 - Original | MercadoLivre

MB84VA2104 RAM Datasheet, Distribuidor, stock y mejor precio

MBM29F040C-90 Fujitsu Media Devices MEMORY, Hoja de datos, Ficha ...

10pcs/lot Mp4012 4012 Lcd Power Supply Driver Chip Sop16 - Replacement ...

10pcs/lot Mp4012 Mp4012ds Mp4012ds-lf-z Sop-16 New Original - Speaker ...

Ci Mp4012ds Mp4012 Mp4012ds-lf-z Sop16 Original | MercadoLivre

Imported original spot MP4012 LED MP4012DS dedicated driver chip|chip ...

LED背光控制芯片MP4012工作特点与故障维修 - 家电维修资料网

  • Вперед Как часто можно делать маски для лица
  • Назад Не списывая составь схемы вот он кричит

Новые страницы

3 Класс математика 2 часть страница 70 номер

5D 3kv конденсатор расшифровка

Английский язык 3 класс рабочая тетрадь 2 часть страница 55

Что такое биоразнообразия

Где у человека находятся почки фото со спины женщины картинка боль

Гдз по русскому номер 518 6 класс

Киста яичника лечение препараты

Конькобежный спорт юниоры

Косинус угла а прямоугольного треугольника

Красивая буква к нарисовать

Красивые картинки с надписями со смыслом про детей

Надежность пежо 408

Не с наречиями пишется слитно или раздельно

Номер 437 по русскому языку 7 класс

Образец договора продажи

Почему все таки нужно быть хорошим человеком изложение

Серый король ахматова анализ

Схемы роботов

Схемы усадьба

Шистосома лечение

Спортзал в россии

Судебная система рф схема

Тренировка

Унитаз встроенный в стену ремонт

Услуги автоманипулятора

Верны ли следующие суждения о местном самоуправлении в рф местное самоуправление в рф обеспечивает

Все императоры японии

Запишите уравнения реакций разложения схемы которых fe

Завязка кульминация схема

Заявление об изменении исковых требований в гражданском процессе образец

cdn.zecar.ru