Skip to content

Фотогалерея

  • Главная
  • Контакты

Mp1008es

MP1008ES ไอซ๊ CCFL อินเวอร์เตอร์คอนโทรล

Pentax SMCP-DA 70mm f/2.4 Limited Series Lens (Silver) 22050 B&H

MP1008ES MPS Integrated Circuits (ICs) - Jotrin Electronics

MP1008ES-GHM Microelectronics limited

PDF MP1008ES Components

FA5571N MP1008ES IPL22C IPL22L CCFL INVERTER SCH Service Manual ...

MP1008ES ถูกที่สุด พร้อมโปรโมชั่น มี.ค. 2023|BigGoเช็คราคาง่ายๆ

MP1008ES MPS Integrated Circuits (ICs) - Jotrin Electronics

MP1008ES Diode - 800V, 10A, Silicon Bridge Rectifier

5db MP1008ES MP1008ES-LF-Z SOP-16 illesztőprogram chip

MP1008ES MPS SOP-16 | eBay

MP1008ES микросхема >> недорого купить

Circuito Integrado MP1008ES-LF-Z Soic-16

MP1008ES-LF-Z ,SILICON BRIDGE RECTIFIERS MP1008ES-LF-Z Original supply ...

MP1008ES loại thường | Cửa hàng thiết bị - Linh kiện điện tử A to Z

MP1008ES LF Z MP1008ES|mp1008es| - AliExpress

FA5571N MP1008ES IPL22C IPL22L CCFL INVERTER SCH Service Manual ...

New original MP1008ES LF Z MP1008ES SOP 16 3 best match|match companies ...

Circuit intégré MP1008ES. Avtronic

In Stock Free Shipping MP1008ES LF Z MP1008ES LF MP1008ES MP1008 SOP16 ...

10PCS PT2328 X MP1008ES LF PT8A978BPE FSA2269UMX PT2328 2328 MP1008ES ...

MP15PInternet thinking Electronics Co., Electronic data resources ...

MP1008ES Free LCD power chip SOP 16 original Shipping|chip device|chip ...

MP2309DS MP2367DNE MP2305SDS MP1493DS MP1418DS MP8666DN MP2372DN ...

Sigma 70-300 4-5.6 with focus motor for Nikon: Digital Photography Review

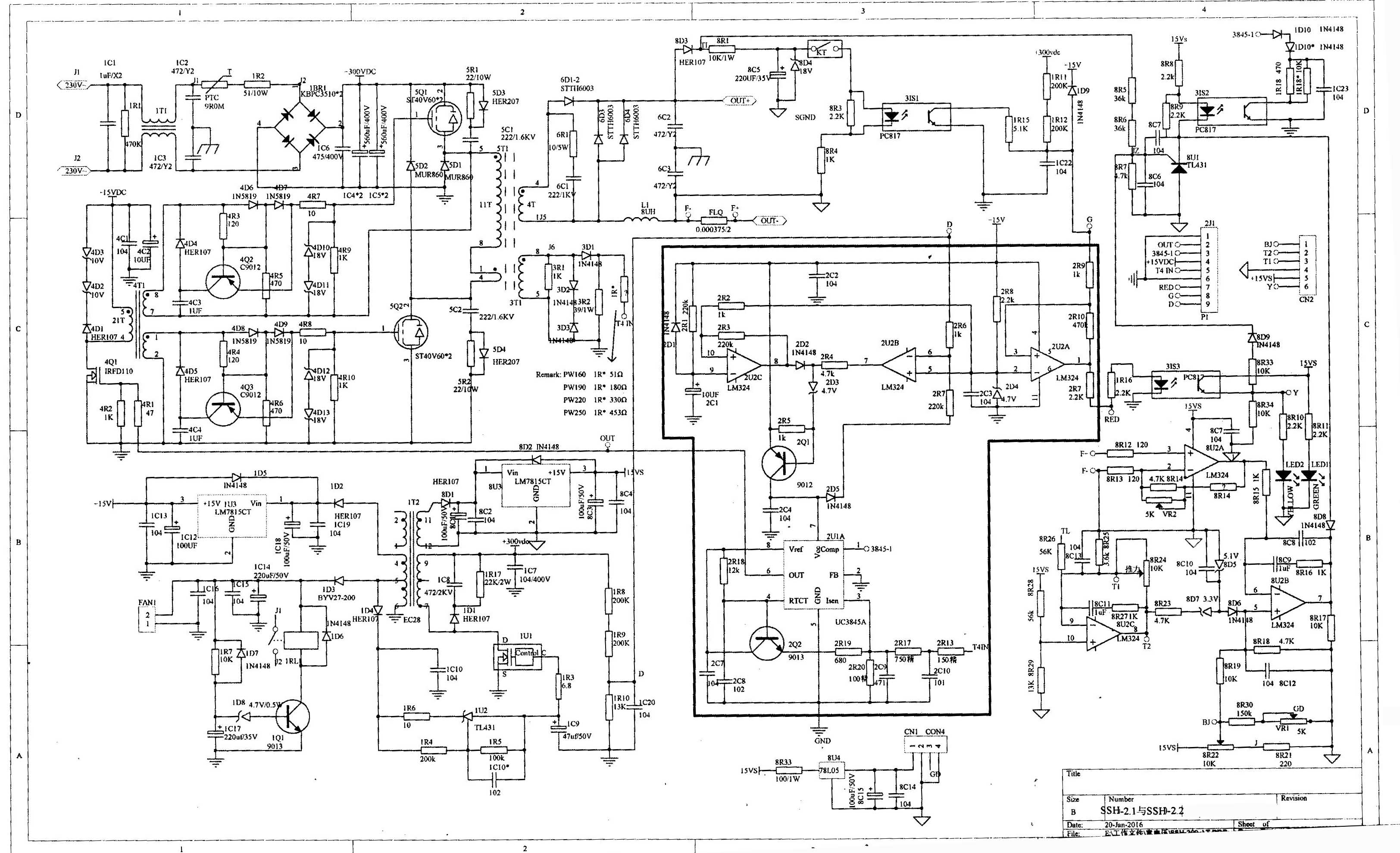
Mp1008Es схема инвертора: Практика ремонта портативных ЖК телевизоров ...

Схема инвертора подсветки MP1008 - Data Sheet - и др.техническая ...

Mp1008Es схема инвертора: Практика ремонта портативных ЖК телевизоров ...

Mp1008Es схема инвертора: Практика ремонта портативных ЖК телевизоров ...

Mp1008Es схема инвертора: Практика ремонта портативных ЖК телевизоров ...

Mp1008Es схема инвертора: Практика ремонта портативных ЖК телевизоров ...

Vendita Mp 44 full metal, vendita online Mp 44 full metal | Target Soft ...

KBPC3510 PDF Datasheet - 35A, 1000V, Bridge Rectifier

20pcs X Chips For Ricoh Aficio Mpc2800 Mpc 2800 Mp C2800 Mpc3300 Mpc ...

Mp1008Es схема инвертора: Практика ремонта портативных ЖК телевизоров ...

  • Вперед Триема
  • Назад Приказ о порядке согласования документов в организации образец

Новые страницы

Алгебра 7 класс упр 1017

Автопутешествие во владивосток

Blasphemous карта со всеми секретами

Блок схемы значение фигур

Дубликат трудового договора при утере образец

Экспорт нерезиденту

Гдз по алгебре 8 класс макарычев номер 113

Гдз по математике 5 класс учебник 1

Гдз по математике 6 класс виленкин 2 часть номер 319

Индпошив

Как правильно вставать после кесарева сечения с кровати картинки

Картины гойи мрачные

Книга дневник памяти

Лампочка габарита солярис

Марки машин китай

Москва сити с далека

Mp1008es

Мультик видео канал по плану

Письменное поручение работнику образец

Прадо дизель или бензин

Причины крупнейших мировых авиакатастроф презентация

Пусть все будет хорошо картинки красивые с надписями и пожеланиями

Схема автоматического управления освещением

Советский спорт архив

Tec1 12715

Треугольная бирка

Вышивка ассизи схемы

Застава сари гор

Желтая эмульсия на крышке маслозаливной горловины

Женская описанием и схемами

cdn.zecar.ru