Skip to content

Фотогалерея

  • Главная
  • Контакты

Мостовая схема управления

Мостовая схема управления. Транзисторная схема управления двигателем. Схемы реверса двигателя на транзисторах. Электронный переключатель полярности схема. Схема переключения полярности на транзисторах.

Мостовая схема управления. H-мост на полевых транзисторах схема. Мостовая схема включения двигателя постоянного тока. Реверс на транзисторах для двигателя постоянного тока. Реверс двигателя постоянного тока на полевых транзисторах.

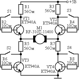
Мостовая схема управления. Мостовая схема управления двигателем. Управляемая Мостовая схема. Источники электропитания. Любительские схемы. Мостовых схем является 9 Klass.

Мостовая схема управления. Схема автореверса двигателя постоянного тока. Схема реверса двигателя постоянного тока. Схема включения электродвигателя постоянного тока с реверсом. Схема подключения двигателя постоянного тока с реверсом.

Мостовая схема управления. Stm32 h мост. H-мост на 2т837. Мостовая схема включения двигателя постоянного тока. H мост схема.

Мостовая схема управления. H-мост на полевых транзисторах схема. Транзисторная схема управления двигателем. Схема н моста на полевых транзисторах. Мостовая схема на полевых транзисторах.

Мостовая схема управления

Мостовая схема управления. Драйвер двигателя постоянного тока на полевых транзисторах. Схемы реверса двигателя на транзисторах. Схема управления двигателем на транзисторах.

Мостовая схема управления. H мост на мосфетах irfz44. Управление двигателем постоянного тока MOSFET. H-Bridge Motor Driver схема. Мостовая схема на полевых транзисторах мосфет.

Мостовая схема управления. H-Bridge Motor Driver схема. Полумостовая схема управления двигателем постоянного тока. Мостовая схема управления двигателем постоянного тока. Схемы драйверов электродвигателей постоянного тока.

Мостовая схема управления. Схема управления двигателем на транзисторах. Схема переключателя полярности на полевых транзисторах. Мостовая схема включения полевых транзисторов. Схема драйвера коллекторного двигателя постоянного тока.

Мостовая схема управления. Схема магнитного усилителя му-2. Магнитный усилитель Электротехника схема. Реверсивный трансформаторный усилитель. Дифференциальный магнитный усилитель.

Мостовая схема управления. Схема управления электродвигателем постоянного тока. Схема управления коллекторным двигателем постоянного тока. Реверсивное управление двигателем постоянного тока схема. Схема управления двигателем на транзисторах.

Мостовая схема управления. H-мост на полевых транзисторах схема. H-Bridge Motor Driver схема. Мост h схема на транзисторах. Мостовая схема включения двигателя постоянного тока.

Мостовая схема управления. Мостовая схема включения двигателя постоянного тока. Схемы реверса двигателя на транзисторах. Реверс электродвигателя 12 в на транзисторах схемы. Реверс электродвигателя постоянного тока на транзисторах.

Мостовая схема управления. Мостовая схема на биполярных транзисторах. Реверсивный драйвер двигателя постоянного тока. H мост на биполярных транзисторах. Мостовая схема управления двигателем.

Мостовая схема управления

Мостовая схема управления. Ir2184 усилитель. Ir21844 схема включения. Ir21844 схема включения схема включения. Ir2184 схема усилителя.

Мостовая схема управления

Мостовая схема управления

Мостовая схема управления. Мостовая схема транзисторов. Н мост на полевых транзисторах ардуино. H мост на биполярных транзисторах. Реверс двигателя постоянного тока 12 вольт схема н моста.

Мостовая схема управления. Мостовая схема на биполярных транзисторах. Полный мост на биполярных транзисторах. Н-мост на биполярных транзисторах. Н-мост на полевых транзисторах.

Мостовая схема управления. Мостовая схема на биполярных транзисторах. H-мост на полевых транзисторах схема. Схема н моста на биполярных транзисторах. H мост на биполярных транзисторах.

Мостовая схема управления

Мостовая схема управления

Мостовая схема управления. Блок питания это в Электротехнике схема.

Мостовая схема управления. Мостовая схема ШИМ управления мотором. Схема управления электродвигателем ШИМ. ШИМ управление двигателем постоянного тока. Ардуино ШИМ управление двигателем.

Мостовая схема управления

Мостовая схема управления. Мостовая схема на биполярных транзисторах. Н-мост на биполярных транзисторах. H мост ардуино схема. Транзисторный мост на биполярных транзисторах.

Мостовая схема управления. Схема управления мотором постоянного тока. Управление двигателем постоянного тока на 48 вольт схема. Схема управления реверсом электродвигателя постоянного тока. Схема реверса электродвигателя постоянного тока на транзисторах.

Мостовая схема управления. Схема инвертора с внешним управлением, двухтактная, полумостовая. Двухтактный мостовой импульсный преобразователь. Полумостовая схема двухтактного преобразователя. Двухтактный преобразователь напряжения полумостовая схема.

Мостовая схема управления. Мостовая схема управления двигателем. Мостовая схема управления нагрузкой. Мостовая схема включения на одинаковых полевиках.

Мостовая схема управления

Мостовая схема управления

Мостовая схема управления

Мостовая схема управления. Мостовая схема включения полевых транзисторов. Схема н моста на биполярных транзисторах. Мостовая схема на биполярных транзисторах. Реверсивный драйвер двигателя постоянного тока.

Мостовая схема управления

Мостовая схема управления. Мостовые схемы включения резисторов. Расчет моста сопротивлений. Сбалансированный мост постоянного тока. Измерительный резистивный мост.

Мостовая схема управления. Драйвер мотора постоянного тока схема. Драйвер двигателя на транзисторах схема. Драйвер двигателя постоянного тока печатная плата. Драйвер двигателя на 12 вольт на транзисторах.

Мостовая схема управления. Схема управления двигателем на полевых транзисторах. Схема реверса электродвигателя постоянного тока на MOSFET. Драйвер двигателя постоянного тока на полевых транзисторах. Мостовая схема управления двигателем постоянного тока на MOSFET.

Мостовая схема управления. Схема управления мотором постоянного тока. Мостовая схема управления коллекторным мотором. Управление реверса мотора схема на транзисторах. Мост для управления двигателем постоянного тока.

Мостовая схема управления

Мостовая схема управления. H-мост на полевых транзисторах схема. H мост на мосфетах для ардуино. Схема н моста на полевых транзисторах. Мостовая схема управления двигателем постоянного тока на MOSFET.

Мостовая схема управления. Мостовая схема на биполярных транзисторах. H мост на биполярных транзисторах. Схема н моста на биполярных транзисторах. Н-мост на полевых транзисторах 12в.

Мостовая схема управления. Реверс двигателя постоянного тока на полевых транзисторах. Схема управления мотором постоянного тока. Схема реверса двигателя постоянного тока 12в на полевых транзисторах. Мостовая двухтактная схема преобразователя.

Мостовая схема управления

Мостовая схема управления

Мостовая схема управления. Реверс электродвигателя 12 в на транзисторах схемы. Схема реверса двигателя постоянного тока 12в на полевых транзисторах. Схема переключения полярности на транзисторах. Схема управления коллекторным двигателем постоянного тока.

Мостовая схема управления

Мостовая схема управления. Схема драйвер управления двигателем постоянного тока. Мостовой драйвер двигателя постоянного тока. H-Bridge Motor Driver схема. Мостовой драйвер двигателя постоянного тока схема.

Мостовая схема управления

Мостовая схема управления. Мостовая схема управления двигателем на транзисторах. H-мост на полевых транзисторах схема. Схема управления двигателем постоянного тока на транзисторах. Схема н моста на транзисторах.

Мостовая схема управления. H мост на биполярных транзисторах. Н-мост на биполярных транзисторах управление. Мостовая схема транзисторов. Мостовая схема на биполярных транзисторах.

Мостовая схема управления. Схема управления электродвигателем постоянного тока. Схема управления электродвигателем постоянного тока 12в. Схема управления коллекторным двигателем постоянного тока на 12 вольт. Мостовая схема управления двигателем на транзисторах.

Мостовая схема управления

Мостовая схема управления. H-мост на полевых транзисторах схема. H-Bridge Motor Driver схема. H мост на IGBT транзисторах. H-Bridge транзистор irf460.

Мостовая схема управления. Драйвер двигателя постоянного тока на полевых транзисторах. Мостовой драйвер двигателя постоянного тока 24 вольт. Схема управления двигателем постоянного тока на IGBT. Драйвер двигателя постоянного тока мультисим.

Мостовая схема управления. Реверс электродвигателя 12 в на транзисторах схемы. Реверс на транзисторах для двигателя постоянного тока. Схема включения двигателя постоянного тока транзисторы. Мостовая схема включения двигателя постоянного тока.

Мостовая схема управления

Мостовая схема управления. Индукционный нагреватель на IGBT транзисторах схема. IGBT Мостовая схема. Мостовой инвертор на IGBT транзисторах. Схема инвертора на IGBT транзисторах.

Мостовая схема управления. Микросхема драйвер двигателя постоянного тока. ШИМ для двигателя постоянного тока 5в. Драйвер двигателя постоянного тока 110 вольт. Контроллер коллекторного электродвигателя постоянного тока.

Мостовая схема управления. H-Bridge Motor Driver схема. Мостовая схема ШИМ управления мотором. Мостовая схема реверса коллекторного двигателя. Микросхема драйвер двигателя постоянного тока.

Мостовая схема управления

Мостовая схема управления. Схема управления двигателем на полевых транзисторах. Реверс двигателя постоянного тока схема на полевых транзисторах. Мостовая схема управления двигателем на транзисторах. Мостовая схема управления двигателем постоянного тока.

Мостовая схема управления. H-мост на полевых транзисторах схема. H-Bridge Motor Driver схема. Схема н моста на полевых транзисторах. Мостовая схема управления двигателем постоянного тока на MOSFET.

Мостовая схема управления. Схема реверса двигателя постоянного тока на транзисторах. H-мост на полевых транзисторах схема. Схема h моста на биполярных транзисторах. Реверс коллекторного двигателя постоянного тока схема.

Мостовая схема управления. H-Bridge Motor Driver схема. H-мост на полевых транзисторах схема. Схема управления двигателем на полевых транзисторах. Мостовая схема на полевых транзисторах.

Мостовая схема управления. H мост на биполярных транзисторах. MOSFET Мостовая схема. H мост для двигателя постоянного тока схема. Транзисторный мост на биполярных транзисторах.

Мостовая схема управления

Мостовая схема управления

Мостовая схема управления. Логометры, измерительные мостовые схемы. Сопротивление мостовой схемы резисторов. Эквивалентное сопротивление мостовой схемы. Формула баланса мостовой схемы r1.

Мостовая схема управления

Мостовая схема управления. MOSFET Мостовая схема. Управление двигателем MOSFET. Мостовой драйвер двигателя MOSFET. Схема н моста на полевых транзисторах.

Мостовая схема управления. H-мост на полевых транзисторах схема. Реверс на транзисторах для двигателя постоянного тока. Схема управления двигателем на полевых транзисторах. Мост h схема на транзисторах.

Мостовая схема управления. H-мост на полевых транзисторах схема. Мостовая схема на полевых транзисторах мосфет. Схема н моста на полевых транзисторах. H-Bridge Motor Driver схема.

Мостовая схема управления. Н-мост на биполярных транзисторах. H мост на биполярных транзисторах. Мостовая схема на биполярных транзисторах. Н-мост на биполярных транзисторах управление.

Мостовая схема управления

Мостовая схема управления. Схема управления мотором постоянного тока. Схема реверса электродвигателя постоянного тока. Схема управления электродвигателем постоянного тока 12в. Схема управления двигателем постоянного тока 12 вольт.

Мостовая схема управления

Мостовая схема управления

Мостовая схема управления

Мостовая схема управления. Мультивибратор LTSPICE. Мостовой выпрямитель в LTSPICE. Мостовая схема в LTSPICE. H мост на реле.

Мостовая схема управления. H мост ардуино схема. H Bridge MOSFET. H мост на мосфетах для ардуино. MOSFET Мостовая схема.

Мостовая схема управления. H-мост на полевых транзисторах схема. Мостовая схема на полевых транзисторах мосфет. Управление двигателем постоянного тока MOSFET. H-Bridge Motor Driver схема.

Мостовая схема управления. Схема реверса двигателя постоянного тока. Схема переключения полярности электродвигателя постоянного тока. Переключатель полярности постоянного тока схема. Реверс на транзисторах для двигателя постоянного тока.

Мостовая схема управления

  • Вперед Картинки капля воды падает в воду
  • Назад Fill in the gaps with to up off or after

Новые страницы

Аэропорт домодедово схема прилета

Два дня за свой счет заявление образец

Экспорт 26

Электросхема сигнала

Генплан оренбурга до 2025 года карта

Индонезия до и после цунами

Интегратор миллера

Как снять бардачок на форд фокус

Карта тибета на русском

Классификация межсетевых экранов

Кто производит шины виатти брина

Мостовая схема управления

Моя реклама работа сварщиком в гомеле

Мультиинфарктная деменция

Ниссан максима или хендай соната

Noxudol новосибирск

Образец договора аренды земли сельхозназначения между физическими лицами

Письмо депутату с просьбой о помощи образец от физического лица

Профиль девушки контур лица рисунок

Регулировка карбюратора солекс ваз 2109

Резка стекла по размерам в павловском посаде

Схема рембрандта

Спортивные бальные танцы возраста

Уаз патриот печка дует холодным

Установка поддона для душа

Велосипед стелс откручивается шатун педали особенность резьбы

Виды спорта без правил

Виды спорта дошкольников

Второй класс математика страница

Замена ламп противотуманных фар дастер

cdn.zecar.ru