Skip to content

Фотогалерея

  • Главная
  • Контакты

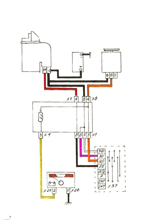
Москвич не заводится

Не заводится в мороз — Москвич 2140, 1,5 л, 1983 года | наблюдение | DRIVE2

Не заводится машина — Москвич Святогор, 2 л, 1997 года | поломка | DRIVE2

Не заводится! — Москвич 2141, 1,7 л, 1991 года | поломка | DRIVE2

Нужна помощь НЕ ЗАВОДИТСЯ — ИЖ Москвич 412, 1,5 л, 1990 года | поломка ...

Продажа Москвич 412 1977 в Иркутске, x2757;Москвич не заводится нужно ...

Москвич не смог самостоятельно вытащить из себя огурец после массажа ...

Машина иногда не заводится — Москвич Святогор, 1,7 л, 2001 года ...

Квест: "Москвич" не заводится :( — Москвич 2140, 1,5 л, 1977 года ...

Выезд 1 — Москвич 2140, 1,5 л, 1979 года | тест-драйв | DRIVE2

Снял крышку трамблёра а там такое… — Москвич 412, 1,7 л, 1978 года ...

Не заводится.) — Москвич Святогор, 2 л, 1999 года | электроника | DRIVE2

Детали и проблемы — ИЖ Москвич 412, 1,5 л, 1982 года | запчасти | DRIVE2

Заводится. :-) — Москвич Святогор, 2 л, 1998 года | своими руками | DRIVE2

Если ты купил новый "Москвич", не забудь обработать его напильником

Не заводится машина — Москвич Святогор, 2 л, 1997 года | поломка | DRIVE2

Эрик Давидыч: "Я бы в "Москвич" не сел, но я люблю эту страну"

обещание фотографии — ИЖ Москвич 412, 1,4 л, 1983 года | фотография ...

Новый «Москвич» с китайским прищуром: что предлагают россиянам по цене ...

колесики — ИЖ Москвич 412, 2 л, 1988 года | колёсные диски | DRIVE2

Москвич не дождался пиццу и разгромил пиццерию - Мослента

Aqua ferro levior est — Москвич 2140, 1,5 л, 1979 года | своими руками ...

Выезд 1 — Москвич 2140, 1,5 л, 1979 года | тест-драйв | DRIVE2

обещание фотографии — ИЖ Москвич 412, 1,4 л, 1983 года | фотография ...

На заводе "Москвич" началась серийная сборка автомобилей

обещание фотографии — ИЖ Москвич 412, 1,4 л, 1983 года | фотография ...

обещание фотографии — ИЖ Москвич 412, 1,4 л, 1983 года | фотография ...

Завод "Москвич" получил новую вывеску - Российская газета

Москвич (Владимир Фельдман) / Стихи.ру

История бренда Москвич - создание, развитие, полная информация

Детали и проблемы — ИЖ Москвич 412, 1,5 л, 1982 года | запчасти | DRIVE2

Он живой! — ИЖ Москвич 412, 1,5 л, 1989 года | своими руками | DRIVE2

Просто рисунок — Москвич 2140, 1,5 л, 1978 года | просто так | DRIVE2

1896. Москвич Г. Практический путеводитель по Крыму | Flickr

Новый «Москвич» – быть или не быть? :: Автопортал Третий Рим

  • Вперед Нахимовское озеро ленинградская область карта
  • Назад Картинки утки лалафанфан распечатать раскраски

Новые страницы

713 Математика 5 класс

Берже фрисби астрид

Договор купли продажи квартиры образец 2023 между физическими лицами за наличные

Думающий смайлик картинки

Электроприводы для ворот

Full hd webcam

Каро 11 октябрь схема зала 1

Карта полетных зон россии

Картина святой михаил и дьявол рафаэль

Колоректальный рак онкология

Магазин спорт костюмов

Образец обжалования постановления о возбуждении исполнительного производства

Образовательный проект профориентация

План 3 комнатной квартиры п44т с размерами

Подключение зеркала с монитором

Порезанные колеса

Программа тренировок для мужчин после 40

Рассмотрение жалоб и обращений граждан

Регулировка клапанов на дизельном двигателе

Резка стекла в измайлово адреса

Рисунок к сказке иван крестьянский сын и чудо юдо 5 класс

Схема рав 4 3 поколения

Схемы выкроек сумок сшить своими руками

Шланг заливной для стиральной

Специалист по составлению чертежей поверхности земли 9 букв кроссворд

Влксм схема

Ядерный реактор ic2 classic схемы

Yandexmaps wince zip скачать

Запись в трудовой при выборе электронной трудовой книжки образец

Животные австралии динго

cdn.zecar.ru