Skip to content

Фотогалерея

  • Главная
  • Контакты

Moc3083 datasheet

MOC3083 datasheet(4/6 Pages) MOTOROLA | 6-Pin DIP Zero-Cross ...

MOC3083_145585.PDF Datasheet Download --- IC-ON-LINE

MOC3083 datasheet(3/11 Pages) FAIRCHILD | 6-Pin DIP Zero-Cross ...

MOC3083 Datasheet(PDF) - Motorola, Inc

MOC3083 datasheet(1/6 Pages) MOTOROLA | 6-Pin DIP Zero-Cross ...

MOC3083 OPTOACOPLADOR CON SALIDA A TRIAC Y SCR

MOC3083-M Datasheet PDF (533 KB) Fairchild | Pobierz z Elenota.pl

MOC3083 datasheet(4/8 Pages) LITEON | Property of Lite-On Only

MOC3083-M Datasheet PDF (533 KB) Fairchild | Pobierz z Elenota.pl

MOC3083-M Datasheet PDF (533 KB) Fairchild | Pobierz z Elenota.pl

MOC3083-M Datasheet PDF (533 KB) Fairchild | Pobierz z Elenota.pl

MOC3083 datasheet(1/11 Pages) FAIRCHILD | 6-Pin DIP Zero-Cross ...

MOC3083-M Datasheet PDF (533 KB) Fairchild | Pobierz z Elenota.pl

4N35 Optocoupler: Pinout, Datasheet, Applications

MOC3083 datasheet(2/11 Pages) FAIRCHILD | 6-Pin DIP Zero-Cross ...

switches - I am using a triac bta41-600b with MOC3083, doesn't work ...

Circuito Integrado MOC3083 SMD branco

MOC3082 Datasheet PDF - (MOC3081 - MOC3083) 6-Pin DIP Zero-C Cross ...

MOC3083-M Datasheet PDF (533 KB) Fairchild | Pobierz z Elenota.pl

MOC3083 Opto Driver Sop-6 Fairchild

MOC3021 Datasheet - Optoisolators Triac Driver - Fairchild

MOC3083 Zero cross optoisolators Triac Optocoupler Pack of 10 : Amazon ...

Симисторный Оптодрайвер Moc3041 - adviserinstruction

MOC3083 Original supply, US $ 0.1-0.2 , [Fairchild] Fairchild ...

Мос3063 характеристики схема подключения - 80 фото

MOC3083 MOC3083M 3083 Zero-Cross Triac Driver Optocoupler IC

MOC3083 – จำหน่ายไอซี โมดูล แอลซีดี ทัชสกรีน อะไหล่อิเล็กทรอนิกส์สำหรับ ...

Optotriac + triac : 게이트 저항 계산 방법

opto isolator - TRIAC holding current - Electrical Engineering Stack ...

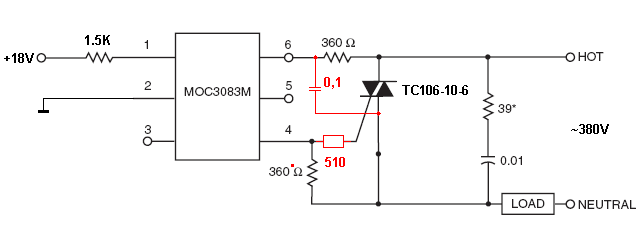
Moc3083 схема

Moc3062 datasheet на русском: Даташиты (Datasheets MOC3062) электронных ...

Moc3062 datasheet на русском: Даташиты (Datasheets MOC3062) электронных ...

GMP-Compliant CPC

AKD2304_365186.PDF Datasheet Download --- IC-ON-LINE

Driving Triac With MOC3021 for 12 v ac - Electrical Engineering Stack ...

  • Вперед Москва сити и старая москва
  • Назад Справка формы 086 у образец

Новые страницы

Акт о передаче денежных средств образец

Английский язык 3 класс учебник спортлайн 2 часть

Английский язык 4 класс учебник страница 46

Автодель симферополь бмв

Банкетный зал венеция махачкала

Bohemia посуда

Что значит сигнализация с автозапуском

Фитнес северный расписание

Гдз скайсмарт бесплатно

Хаят гостиница

Кафе в хмельницком

Как написать заявление на два дня в счет отпуска образец заявления

Карта п заречье оренбург

Литературное чтение 4 класс учебник 1 часть ефросинина оморокова

Математика шестой класс номер 371

Очистка нагара на поршнях

Платья напрокат спб для фотосессии

Причудливая волшебница

Ревматоидный артрит суставов симптомы и лечение

Рисунок мимозы для детей

С днем рождения наталья вячеславовна картинки

Схема проводки иж планета 5 цветная крупным планом

Схема структурного анализа

Сказка гуси лебеди план

Сколько стоит монтаж черепицы

Страница 74 номер 3

Связать круг схема

Теория личности адлера кратко

Уаз эволюция

Война в финляндии на

cdn.zecar.ru