Skip to content

Фотогалерея

  • Главная
  • Контакты

Меркурий 230 трехфазный схема подключения

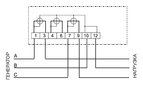
Меркурий 230 трехфазный схема подключения. Схема подключения счетчика Меркурий 230 с трансформаторами тока. Семипроводная схема подключения счетчика через трансформаторы тока. Схема включения счетчика Меркурий 230 через трансформаторы тока. Схема соединения счетчика через трансформаторы тока.

Меркурий 230 трехфазный схема подключения. Схема соединения трехфазного счетчика через трансформаторы тока. Схема включения счетчика электроэнергии Меркурий 230. Схема подключения 3х фазного счетчика с трансформаторами тока. Схема подключения Эл счётчика с трансформаторами тока.

Меркурий 230 трехфазный схема подключения. Схема подключения счетчика Меркурий 230 через трансформаторы. Схема соединения 3х фазного счетчика с трансформаторами тока. Схема подключения счетчика Меркурий 230. Схема соединения счетчика Меркурий 230.

Меркурий 230 трехфазный схема подключения. Схема включения счетчика электроэнергии Меркурий 230. Меркурий 230 схема подключения без трансформаторов тока. Схема подключения счетчика Меркурий 230 ам-02. Схема подключения счётчика Меркурий 230 Art.

Меркурий 230 трехфазный схема подключения. Схема включения счетчика электроэнергии Меркурий 230. Схема трехфазного счетчика Меркурий 230. Схема подключения счетчика Меркурий 230. Схема подключения трёхфазного счётчика Меркурий 230 прямого включения.

Меркурий 230 трехфазный схема подключения

Меркурий 230 трехфазный схема подключения

Меркурий 230 трехфазный схема подключения. Схема включения счетчика электроэнергии Меркурий 230. Схема подключения трансформаторов тока к трехфазному счетчику. Схема подключения трехфазного счетчика через трансформаторы тока. Схема включения счетчика Меркурий 230 через трансформаторы тока.

Меркурий 230 трехфазный схема подключения

Меркурий 230 трехфазный схема подключения. Схема включения счетчика электроэнергии Меркурий 230. Схема подключения трехфазного счетчика прямого включения Меркурий. Схема электросчетчика Меркурий трехфазный. 7 Проводная схема подключения трехфазного электросчетчика.

Меркурий 230 трехфазный схема подключения

Меркурий 230 трехфазный схема подключения. Схема соединения счетчика через трансформаторы тока. Схема подключения трехфазного счетчика через трансформаторы тока. Схема соединения трехфазного счетчика через трансформаторы тока. Подключение счетчика через трансформаторы тока звездой.схема..

Меркурий 230 трехфазный схема подключения. Подключить счетчик через трансформаторы тока схема подключения. Схема трансформаторного включения трехфазного счетчика. Схема подключения Эл счётчика с трансформаторами тока. Схема подключения трансформаторов тока к трехфазному счетчику.

Меркурий 230 трехфазный схема подключения. Схема подключения электросчетчика Меркурий 231. Схема включения - счетчик Меркурий 231. Схема подключения трёхфазного счётчика Меркурий 231. Схема подключения счётчика электроэнергии Меркурий 231.

Меркурий 230 трехфазный схема подключения. Счётчик Меркурий 230 ам-03 схема подключения. Схема подключения счетчика Меркурий через трансформаторы тока. Схема подключения счетчика Меркурий 230 ам-03 через трансформаторы тока. Схема подключения счётчика Меркурий 230 через трансформаторы тока.

Меркурий 230 трехфазный схема подключения. Счётчик Меркурий 230 ам-03 схема подключения. Схема подключения счетчика Меркурий 230 ам-02. Меркурий 230 схема подключения без трансформаторов тока. Меркурий 230 ам-02 подключение без трансформатора схема.

Меркурий 230 трехфазный схема подключения. Схема подключения счетчика Меркурий 3 фазы. Схема подключения трёхфазного счётчика Меркурий. Схема подключения трехфазного счетчика прямого включения Меркурий. Схема подключения 3 фазного счетчика прямого включения.

Меркурий 230 трехфазный схема подключения. Схема подключения счетчик Меркурий 230 Art 02. Трёхфазный счётчик Меркурий 230 схема подключения. Схема подключения счётчика Меркурий 230 Art 01rn. Подключение трёхфазного счётчика Меркурий 230 схема подключения.

Меркурий 230 трехфазный схема подключения. Схема подключения трансформаторов тока к счетчику Меркурий 234. Схема подключения счётчика электроэнергии Меркурий 230. Схема подключения счетчика Меркурий 230 с трансформаторами тока. Схема подключения счетчика Меркурий 230 ам-01.

Меркурий 230 трехфазный схема подключения. Схема подключения счётчика электроэнергии трехфазного. Схема подключения 3х фазного счетчика косвенного включения. Схема подключения трансформаторов тока к трехфазному счетчику. 7 Проводная схема подключения трехфазного электросчетчика.

Меркурий 230 трехфазный схема подключения. Схема подключения счетчика Меркурий ам 230. Схема подключения счетчика Меркурий 230 ам-01. Схема подключения счетчика Меркурий 230 ам-02. Счётчик Меркурий 230 ам-03 схема подключения.

Меркурий 230 трехфазный схема подключения

Меркурий 230 трехфазный схема подключения. Схема подключения счетчика Меркурий через трансформаторы тока. Схема включения счетчика Меркурий 230 через трансформаторы тока. Схема подключения счетчика Меркурий 236 через трансформаторы тока.

Меркурий 230 трехфазный схема подключения. Схема подключения счетчика через трансформаторы тока 10кв. Схема подключения счётчика электроэнергии Меркурий 234.

Меркурий 230 трехфазный схема подключения. Схема подключения счетчика Меркурий 230 с трансформаторами тока. Схема расключения счетчика Меркурий 230 через трансформаторы. Схема подключения счётчика Меркурий 230 через трансформаторы тока. Схема подключения счетчика Меркурий 230.

Меркурий 230 трехфазный схема подключения. Схема полукосвенного включения электросчетчика. Схема подключения счетчика Меркурий 3 фазы. Счетчик Меркурий схема подключения трехфазного счетчика. Трёхфазный счётчик Меркурий 230 схема подключения.

Меркурий 230 трехфазный схема подключения. Схема подключения счетчика ПСЧ-4тм.05м. Счетчик Меркурий прямого включения 380в схема подключения. Схема косвенного подключения трехфазного счетчика. Схема подключения счётчика электроэнергии Меркурий 230.

Меркурий 230 трехфазный схема подключения. Схема включения счетчика электроэнергии Меркурий 230. Схема включения трехфазного счетчика Меркурий 230. Схема включения счетчика Меркурий 230 через трансформаторы тока. Схема подключения счётчика Меркурий 230 через трансформаторы тока.

Меркурий 230 трехфазный схема подключения. Схема включения счетчика электроэнергии Меркурий 230. Схема подключения Меркурий 230 с трансформаторами тока. Схема включения трехфазного счетчика Меркурий 230. Схема подключения счётчика электроэнергии Меркурий 230.

Меркурий 230 трехфазный схема подключения. 7 Проводная схема подключения трехфазного электросчетчика. Схема включения счетчика Меркурий 230 через трансформаторы тока. Схема включения счетчика Меркурий 230 ам 01 трехфазный. Схема подключения счётчика Меркурий 230 через трансформаторы тока.

Меркурий 230 трехфазный схема подключения

Меркурий 230 трехфазный схема подключения. Схема включения трехфазного счетчика Меркурий 230. Схема подключения счетчика Меркурий 230. Схема подключения трёхфазного счётчика Меркурий 230 прямого включения. Схема подключения электросчетчика Меркурий 230.

Меркурий 230 трехфазный схема подключения. Счётчик Меркурий 230 ам-03 схема подключения. Клеммная колодка счетчика Меркурий 230. Схема подключения счетчика Меркурий 230. Счётчик электроэнергии Меркурий 230 Art-03 схема подключения.

Меркурий 230 трехфазный схема подключения

Меркурий 230 трехфазный схема подключения. Схема включения счетчика электроэнергии Меркурий 230. Схема подключения счетчика Меркурий 234 через трансформаторы. Схема подключения счетчика Меркурий 234. Меркурий 234 схема подключения через трансформаторы.

Меркурий 230 трехфазный схема подключения. Схема подключения токовых трансформаторов к трехфазному счетчику. Схема включения 3 фазного счетчика через трансформаторы тока. Схема подключения трехфазного счетчика с ТТ. Схема подключения однофазного счетчика с трансформатором тока.

Меркурий 230 трехфазный схема подключения

Меркурий 230 трехфазный схема подключения. Меркурий 230 арт 02 схема подключения. Меркурий 230 ам-01 схема подключения.

Меркурий 230 трехфазный схема подключения. Схема трехфазного счетчика Меркурий 230. Подключить счетчик Меркурий 230 трехфазный. Трёхфазный счётчик Меркурий 230 схема подключения. Схема подключения счетчика Меркурий 230 ам-01.

Меркурий 230 трехфазный схема подключения. Схема подключения трёхфазного счётчика Меркурий 230 прямого включения. Схема подключения трехфазного счетчика прямого включения Меркурий. Схема включения трехфазного счетчика Меркурий 230. Схема подключения 3х фазного счетчика Меркурий.

Меркурий 230 трехфазный схема подключения

Меркурий 230 трехфазный схема подключения

Меркурий 230 трехфазный схема подключения. Трёхфазный счётчик Меркурий 230 схема подключения. Схема подключения счетчика Меркурий 230 с трансформаторами тока. Схема подключения 3-х фазного счётчика электроэнергии. Схема подключения счётчика на 380 в через трансформаторы.

Меркурий 230 трехфазный схема подключения. Схема подключения электрического счeтчика через трансформаторы тока. Схема подключения однофазного счетчика с трансформатором тока. 7 Проводная схема подключения трехфазного электросчетчика. Подключение 3х фазного счетчика через трансформаторы тока.

Меркурий 230 трехфазный схема подключения. Счётчик Меркурий 230 ам-03 схема подключения. Схема подключения счетчика Меркурий 230. Схема подключения счетчика Меркурий 230 с трансформаторами тока. Трёхфазный счётчик Меркурий 230 схема подключения.

Меркурий 230 трехфазный схема подключения. Схема включения трехфазного счетчика Меркурий 230. Схема подключения счётчика электроэнергии трехфазного Меркурий 231. Подключить счетчик Меркурий 230 трехфазный. Схема подключения трехфазного счетчика прямого включения Меркурий.

Меркурий 230 трехфазный схема подключения. Схема соединения 3х фазного счетчика с трансформаторами тока. Схема подключения счетчика через трансформаторы тока. Схема подключения счетчика через трансформатор напряжения. Схема подключения 3-ф счетчика через трансформаторы тока.

Меркурий 230 трехфазный схема подключения. Схема подключения Меркурий 230 через трансформаторы тока. Схема подключения счетчика Меркурий 230 через трансформаторы. Трёхфазный счётчик Меркурий 230 схема подключения.

Меркурий 230 трехфазный схема подключения. Схема включения 3 фазного счетчика через трансформаторы тока. Трансформатор тока для счетчика трехфазного Меркурий 230. Схема подключения Меркурий 230 через трансформаторы тока. Схема подключения счётчика Меркурий 230 через трансформаторы тока.

Меркурий 230 трехфазный схема подключения. Схема включения трехфазного счетчика Меркурий 230. Схема включения счетчика электроэнергии Меркурий 230. Подключение трёхфазного счётчика Меркурий 230 схема подключения. Схема подключения счётчика электроэнергии Меркурий 230.

Меркурий 230 трехфазный схема подключения. Схема подключения 3 фазного счетчика через трансформаторы тока. Схема подключения счётчика электроэнергии Меркурий 230. Схема подключения счётчика электроэнергии трехфазного Меркурий 234. Схема подключения трансформаторов тока к трехфазному счетчику.

Меркурий 230 трехфазный схема подключения. Схема включения трехфазного счетчика Меркурий 230. Схема соединения 3х фазного счетчика с трансформаторами тока. Схема подключения 3 фазного счетчика с трансформаторами тока. Схема включения счетчика электроэнергии Меркурий 230.

Меркурий 230 трехфазный схема подключения. Схема подключения трехфазного счетчика через трансформаторы тока. Схема включения 3 фазного счетчика через трансформаторы тока. Схема подключения счетчика Меркурий 234 через трансформаторы. Схема подключения счетчика через трансформаторы тока 10кв.

Меркурий 230 трехфазный схема подключения. Схема косвенного включения электросчетчика. Схема подключения счетчика Меркурий 234 прямого включения. Схема подключения клеммной колодки трехфазного счетчика. Схема подключения импульсного электросчетчика.

Меркурий 230 трехфазный схема подключения. Схема подключения модема к счетчику Меркурий 230. Схема подключения счетчика Меркурий 230. Схема соединения счетчика Меркурий 230. Схема подключения прибора учета Меркурий 230.

Меркурий 230 трехфазный схема подключения. Схема подключения трёхфазного счётчика Меркурий 230 прямого включения. Схема включения счетчика электроэнергии Меркурий 230. Трёхфазный счётчик Меркурий 230 схема подключения. Схема включения счетчика Меркурий 230 через трансформаторы тока.

Меркурий 230 трехфазный схема подключения

Меркурий 230 трехфазный схема подключения. Схема подключения счетчика Меркурий 230 с трансформаторами тока. Схема подключения счетчика Меркурий 230 через испытательную коробку. Схема подключения счётчика Меркурий 230 через трансформаторы тока. Схема подключения Меркурий 230 ам-03 трансформаторы тока.

Меркурий 230 трехфазный схема подключения. Подключение счётчика Меркурий 230 через трансформаторы. Схема подключения трёхфазного счётчика Меркурий 230 ам-03. Трёхфазный счётчик Меркурий 230 схема подключения. Расключение счетчика Меркурий 230 с трансформаторами тока.

Меркурий 230 трехфазный схема подключения. Схема подключения счетчика Меркурий через трансформаторы тока. Схема подключения счётчика Меркурий 230 через трансформаторы тока. Схема подключения счетчика Меркурий 230 с трансформаторами тока. Схема подключения трёхфазного счётчика Меркурий 230 ам-03.

Меркурий 230 трехфазный схема подключения

Меркурий 230 трехфазный схема подключения. Схема трехфазного счетчика Меркурий 230. Трёхфазный счётчик Меркурий 230 схема подключения. Подключить счетчик Меркурий 230 трехфазный. Схема подключения трёхфазного счётчика Меркурий.

Меркурий 230 трехфазный схема подключения. Схема включения трехфазного счетчика Меркурий 230. Схема включения счетчика электроэнергии Меркурий 230. Схема подключения электросчетчика Меркурий 231. Схема подключения счётчика Меркурий 230 Art.

Меркурий 230 трехфазный схема подключения. Схема подключения 3х фазного счетчика. Схема включения трехфазного счетчика прямого включения. Схема включения 3х фазного счетчика прямого включения. Трехфазный счетчик схема подключения напрямую.

Меркурий 230 трехфазный схема подключения. Схема включения трехфазного счетчика Меркурий 230. Схема включения счетчика электроэнергии Меркурий 230. Схема подключения счётчика электроэнергии Меркурий 234. Схема подключения трёхфазного счётчика Меркурий.

Меркурий 230 трехфазный схема подключения. Трёхфазный счётчик Меркурий 230 схема подключения. Схема подключения счетчика Меркурий 230 с трансформаторами тока. Счетчик Меркурий 230 через трансформаторы тока. Схема подключения счетчика Меркурий 230 через трансформаторы.

Меркурий 230 трехфазный схема подключения. Схема трехфазного счетчика Меркурий 230. Клеммная колодка счетчика Меркурий 230. Подключение трёхфазного счётчика Меркурий 230. Схема подключения трёхфазного счётчика Меркурий 230 ам-03.

Меркурий 230 трехфазный схема подключения. Схема включения счетчика электроэнергии Меркурий 230. Трёхфазный счётчик Меркурий 230 схема подключения. Схема подключения счётчика Меркурий 230 через трансформаторы тока.

Меркурий 230 трехфазный схема подключения. Схема соединения счетчика Меркурий 230. Трёхфазный счётчик Меркурий 230 схема подключения. Схема включения счетчика Меркурий 230 через трансформаторы тока. Счётчик Меркурий 230 ам-03 схема подключения.

Меркурий 230 трехфазный схема подключения. Схема подключения трехфазного счетчика через трансформаторы тока. Схема подключения счетчика Меркурий 3 фазы. Схема косвенного подключения трехфазного счетчика. Схема подключения трансформаторов тока к трехфазному счетчику.

Меркурий 230 трехфазный схема подключения. Схема подключения счётчика на 380 в через трансформаторы. Схема подключения электросчетчика 3х фазного с трансформаторами тока. Схема трехфазного счетчика Меркурий. Схема подключения трансформаторов тока к трехфазному счетчику.

Меркурий 230 трехфазный схема подключения. Схема подключения счетчика Меркурий 230. Схема подключения счётчика электроэнергии Меркурий 230. Счетчик Меркурий прямого включения 380в схема подключения. Схема включения счетчика электроэнергии Меркурий 230.

Меркурий 230 трехфазный схема подключения. Схема подключения Меркурий 234 через трансформаторы тока. Схема подключения счётчика электроэнергии Меркурий 230. Схема счетчика электроэнергии Меркурий 230. Схема подключения счетчика Меркурий 230 с трансформаторами тока.

Меркурий 230 трехфазный схема подключения. Трёхфазный счётчик Меркурий 230 схема подключения. Схема трехфазного счетчика Меркурий 230. Схема подключения счетчика Меркурий 230 через трансформаторы. Схема подключения счётчика Меркурий 230 через трансформаторы тока.

Меркурий 230 трехфазный схема подключения. 7 Проводная схема подключения трехфазного электросчетчика. Схема подключения Эл счётчика с трансформаторами тока. 3х фазный счетчик принципиальная схема подключения. Схема подключения 3х фазного счетчика косвенного включения.

Меркурий 230 трехфазный схема подключения. Схема косвенного включения счетчика. Схема включения счетчика электроэнергии Меркурий 230. Схема непрямого включения трехфазного счетчика. Схема подключения 3 фазного счетчика косвенного включения.

Меркурий 230 трехфазный схема подключения. Схема подключения счётчика Меркурий 230 через трансформаторы тока. Схема подключения счетчика Меркурий 230 с трансформаторами тока. Схема подключения трансформаторного счетчика Меркурий 230. Схема подключения Меркурия 230 через трансформаторы тока.

Меркурий 230 трехфазный схема подключения. Схема включения счетчика электроэнергии Меркурий 230. Схема подключения электросчетчика 380в. Схема подключения трёхфазного счётчика Меркурий. Схема подключения счётчика электроэнергии трехфазного Меркурий.

Меркурий 230 трехфазный схема подключения

Меркурий 230 трехфазный схема подключения. Схема подключения трёхфазного счётчика Меркурий 231. Схема подключения счетчика Меркурий 231. Схема подключения электросчетчика Меркурий 231 трехфазный. Схема подключения счётчика электроэнергии Меркурий 231.

Меркурий 230 трехфазный схема подключения. Схема подключения счетчик Меркурий 230 Art 02. Схема подключения счетчика Меркурий 230. Схема подключения счетчика Меркурий 230 ам-02. Схема подключения счётчика Меркурий 230 Art.

Меркурий 230 трехфазный схема подключения. Схема подключения трансформаторного счетчика Меркурий 230. Схема подключения счётчика Меркурий 230 через трансформаторы тока. Схема подключения счётчика Меркурий 234 через трансформаторы тока. Схема расключения счетчика Меркурий 230 через трансформаторы тока.

  • Вперед Схема москвы с расчетом времени в пути
  • Назад Картинка бубен музыкальный инструмент

Новые страницы

Анализ стиха мужество

Что такое реле зарядки аккумулятора

Дизайн ванной в египетском стиле

Договор субаренды нежилого помещения образец скачать бесплатно

Фитнес дети гимнастика

Гдз по математике 5 класс годер

Гдз русский язык 6 класс упражнение 549

Jfp

Как называется рисунок в рисунке

Карта районов тулы с границами районов

Картинки туган конен белэн апам

Меркурий 230 трехфазный схема подключения

Модернизация китайской магнитолы

Монолог лермонтов анализ стихотворения

Образец loi на русском языке

Обществознание тематический тренинг 2023

Остроугольный тупоугольный прямоугольный треугольник

Плыть по воде

Подготовьте сообщение о старообрядцах 17 века отразив следующие моменты

Принципиальной электрической схемы питания

Разболтовка дисков фольксваген

Русский язык четвертый класс вторая часть страница 87 упражнение 178

Самая короткая песня в мире

Схема электрооборудования приора хэтчбек

Скалли милано и милана

Скрип калина

Спас угол музей салтыкова щедрина

Стучит форсунка на камазе

Услуги перевозки наливных грузов

Задача по алгебре 7 класс

cdn.zecar.ru