Skip to content

Фотогалерея

  • Главная
  • Контакты

Max756

Simple Smartphone Charger Circuit

filtering noisy power signal under Repository-circuits -40031- : Next.gr

Battery Shield - Page 2 - Development - Arduino Forum

MAX756 - Czy przebieg na wyjściu przetwornicy MAX756 jest prawidłowy?

Circuits for beginners

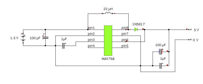
Charge pump DC/DC converter with Max756 – F4HUY

Inilah IC MAX756 Yang Dapat Digunakan Untuk Menaikkan Level Tegangan ...

Battery-free 5 Volt Project Power : 16 Steps (with Pictures ...

MAX756CSA , MAX756 , 3.3V/5V/Adjustable-Output, Step-Up DC-DC ...

MAX756 Datasheet PDF - Maxim

External components provide true shutdown for boost converter

Inilah IC MAX756 Yang Dapat Digunakan Untuk Menaikkan Level Tegangan ...

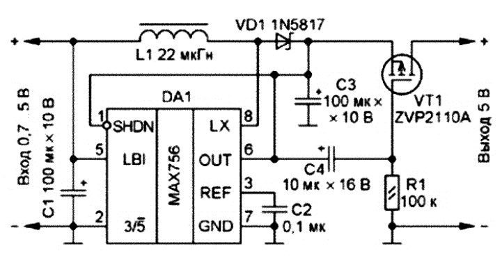
Tool Electric: Низковольтный стабилизированный преобразователь на MAX756

3v3 to 5V boost converter (MAX756) - Hardware - Particle

MAX756组成的3.6V锂电池供电升压到5V输出的电路 - 电子发烧友网

Charge pump DC/DC converter with Max756 – F4HUY

MAX756 - Czy przebieg na wyjściu przetwornicy MAX756 jest prawidłowy?

level shifting - Boost converter 3.3 to 5V MAX756 - Electrical ...

MAX756CPA MAX756|max756| - AliExpress

Tool Electric: Схема экономичного светодиодного фонаря на MAX756

Повышающий преобразователь на микросхеме MAX756 - YouTube

MAX756-MAX757 | Capacitor | Mosfet

10pieces/lot MAX756CSA MAX756ESA MAX756 SOP8 new stock|Integrated ...

Max756 i problemy z napięciem podczas obciążenia. - elektroda.pl

ПЕРЕДАЧА ЦИФРОВЫХ ДАННЫХ ПО РАДИОКАНАЛУ

Battery-free 5 Volt Project Power : 16 Steps (with Pictures ...

MAX756 datasheet(1/8 Pages) MAXIM | 3.3V/5V/Adjustable-Output, Step-Up ...

Bike Light – MOHIT BHOITE

¿Cómo usar el pin de apagado de un regulador de conmutación?

Add Extra Output to a Boost Converter

free shipping ic MAX756ESA MAX756CSA MAX756 SOP8 new and original-in ...

switch mode power supply - Problem with MAX756 Boost converter ...

1PCS MAX756EPA MAX756 3.3V/5V/Adjustable-Output, Step-Up DC-DC ...

MAXIM SMD MAX ICs, For Electronics, Rs 50/piece KK International | ID ...

Max756 i problemy z napięciem podczas obciążenia. - elektroda.pl

  • Вперед Сочинение левитан
  • Назад Пледы мотивами схемы

Новые страницы

Биг кинг бургер кинг

Габионы установить

Гдз по русскому языку 3 класс упражнение 194

Группа тренинга умений

Исковое заявление гражданский процесс образец

Испания альтеа

Изобразительно выразительные средства русского языка урок в 10 классе презентация

Как экспортировать чат в телеграмме

Калькулятор расчета браги

Картинки милых зайчиков рисунки

Картинки мишки фредди из фнаф 9

Картинки с днем рождения с ромашками женщине

Киа рио когда менять ремень генератора

Лачетти в ишиме

Max756

Мигает лампа давления масла приора

Образец бизнес проекта

Опель ru

Опель зафира распиновка блока предохранителей

Отели а анталии

Правильно оформить проект в доу по фгос образец

Предохранители хонда фит gd1 схема

Пусковой конденсатор для компрессора

Серебряные доллары сша каталог цена

Схема мцк москвы

Схема низших энергетических уровней атомов

Схема углового шкафа фото

Ситилинк саратов

Стоп принимаю дозаказы картинки

Жд вокзал в нерюнгри

cdn.zecar.ru