Skip to content

Фотогалерея

  • Главная
  • Контакты

Мануал субару импреза

Мануал Субару Импреза 2000-2007 год — Сообщество «Subaru Клуб» на DRIVE2

Мануал субару импреза 2008

Мануал субару импреза 2008

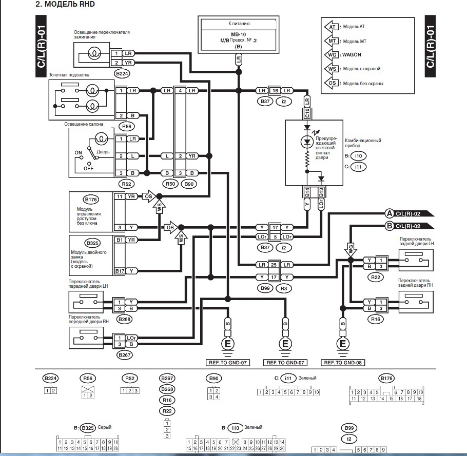
Схема проводки Субару Импреза 2008 (много фото) - avtozahod.ru

Daikin FXDQ32PBVE6 Сервис мануал онлайн [249/458] 544106

Daikin RXY18MYLE Сервис мануал онлайн [151/346] 546555

Вариатор субару tr690 мануал по ремонту - фото

Распиновка предохранителей субару импреза - Электротехника и электроника

Субару Импреза!Топ крутой музыки в твою тачку!Субару импреза тюнинг ...

Daikin EWWD240MBY Сервис мануал онлайн [289/452] 523830

Вариатор субару tr690 мануал по ремонту - фото

Daikin FTKS25DVMA Сервис мануал онлайн [338/456] 600271

Форестер 2022 Года Новая Модель Фото Цена – Telegraph

Daikin FBQ71BVL Сервис мануал онлайн [362/456] 601087

🤙ТАКОЕ ВПЕРВЫЕ🤙 МЕРС W211 / СУБАРУ ИМПРЕЗА / БМВ X5 / ТАУРЕГ / РЭНЖ ...

Daikin ERAP110MBYNN Сервис мануал онлайн [255/452] 523775

Мануал на вариатор субару - RukovodstvoRus.ru - инструкции пользования ...

Загорелся Субару - YouTube

Субару Форестер SH | Как выбрать идеальный вариант - YouTube

Что означает импреза у субару - 95 фото

Daikin RXY24MYLE Сервис мануал онлайн [253/346] 546780

Трапеция дворников Субару Импреза 3 | Festima.Ru – частные объявления

капот в стиле субару импреза — DRIVE2

Тормозные трубки медь или сталь

Где находится реле бензонасоса субару импреза - 90 фото

МАНУАЛ ПО ТОВАРКЕ — Teletype

Субару Форестер Новый Кузов Фото – Telegraph

Купить б/у Subaru Impreza III 1.5 MT (107 л.с.) 4WD бензин механика в ...

Субару импреза wrx sti фото тюнинг

Субару Форестер Новая Модель Фото Цена – Telegraph

Субару импреза 2019 характеристики

Где находится реле бензонасоса субару импреза - 90 фото

Мануал consum – Telegraph

ВСЕ МОМЕНТЫ с СУБАРЯМИ!!! ЧТО БУДЕТ ДАЛЬШЕ с ПЕРВЫМ СУБАРУ? - YouTube

  • Вперед Гдз по математике 1067
  • Назад С днем рождения галюсик картинки красивые

Новые страницы

Английский язык учебник 5 класс ваулина гдз ответы с переводом

Чем отличается физическая карта от политической карты мира

Что значит занятие спортом

Деревья растущие в китае

Эвакуатор полежаевская

Фитнес 25

Гдз по алгебре макарычев углубленный уровень 8

Извинить переходный или непереходный

Как писать доверенность от руки образец

Калькулятор силы тока

Картинки аниме девочка в полный рост

Kia rio цепь или ремень грм

Конспект учебно тренировочного занятия по волейболу

Квартиры в замосточье

Магнит пнг картинка

Мануал субару импреза

Маржинального

Правописание суффиксов онк енк в существительных

Приора универсал грузоподъемность

Просклонять числительное полтора

Рабочий тетрадь по русскому языку 1 класс 1 часть ответы

Размеры таблицы на чертеже а4

Росбанк официальный сайт телефон

Русский язык желтовская 3 класс учебник 2 часть

Схема воды в квартире

Шкаф учета тепловой энергии

Штукатурка забора

Спортмастер режим работы 1 января

Станислав гроф книги

Выписка из егрн на земельный участок образец

cdn.zecar.ru