Skip to content

Фотогалерея

  • Главная
  • Контакты

Магнитола kenwood инструкция

Магнитола kenwood ddx 6029 инструкция - 93 фото

Магнитола kenwood ddx 6029 инструкция - 93 фото

Магнитола kenwood kmm 157 инструкция - 91 фото

Автомагнитола Kenwood KDC-6051U: характеристики, инструкция, настройка ...

Kenwood Авто Магнитола Инструкция - developerportal

Ремонт магнитолы KENWOOD KDC-5751SD (горит PROTECT, энкодер) - Путь к ...

Магнитола Кенвуд | Festima.Ru - Мониторинг объявлений

Магнитола Kenwood Mdv-X701, 2 DIN — 178x100 мм, б/у, в наличии. Цена ...

Магнитола Kenwood новая оригинальная

Cremation Caskets > Kenwood | Welcome to Falco Caruso & Leonard ...

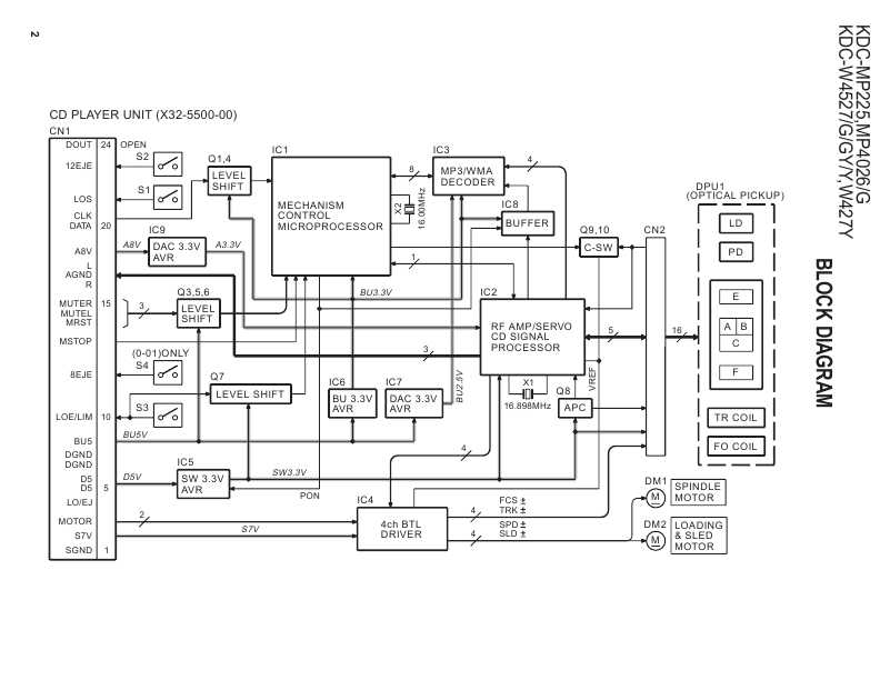
Инструкция По Эксплуатации Магнитола Kenwood W434y - interphone

Магнитола Kenwood HDX-700, 1 DIN — 178x50 мм, б/у, в наличии. Цена: 2 ...

Магнитола Kenwood | Festima.Ru - Мониторинг объявлений

Магнитола Kenwood, 1,5 DIN — 178x75 мм, б/у, в наличии. Цена: 450₽ во ...

Kenwood Авто Магнитола Инструкция - virginiaservic

Kenwood Авто Магнитола Инструкция - developerportal

Купить магнитола Kenwood RX-D530 - Сан Райз Автозапчасти

Инструкция По Эксплуатации Магнитола Kenwood W434y - interphone

Купить магнитола Kenwood RX-D530 - Сан Райз Автозапчасти

Kenwood kmm 357sd инструкция магнитола - 81 фото

Kenwood Khc29 | ubicaciondepersonas.cdmx.gob.mx

Kenwood TH-D75E

Kenwood Авто Магнитола Инструкция - virginiaservic

Kenwood инструкция к магнитоле | Festima.Ru – частные объявления

Kenwood Авто Магнитола Инструкция - developerportal

ЛУЧШАЯ МАГНИТОЛА для автозвука? PROLOGY CDP-8.1 KRAKEN - YouTube

Распиновка магнитолы Кенвуд (Kenwood): как настроить, инструкция по ...

KENWOOD FDP22 Food Processor Instructions

Инструкция По Эксплуатации Магнитола Kenwood W434y - interphone

Kenwood kmm 357sd инструкция магнитола - 81 фото

Incar CHR-4655 M5 Инструкция по установке онлайн

KENWOOD FDP22 Food Processor Instructions

Магнитола Wide Media KS-MFB-QR T 9" 3/32Gb - Интернет магазин автозвука ...

Protect на магнитоле kenwood что делать: магнитола kenwood пишет ...

Ошибки системы магнитолы - Умная инструкция Элемент-5

  • Вперед Выпишите в левый столбик словосочетания в которых зависимое слово
  • Назад Установка ebuild gentoo

Новые страницы

Автомир мазда на дмитровском шоссе 98

Бургер кинг барнаул меню и цены

Форд сиерра хэтчбек фото

График пожарных тренировок

Грундфос скала 2 3 45

Иск о взыскании морального вреда образец

Как снять поддон картера

Какой уровень организации живого изображен на рисунке огэ

Карта highway для beamng drive

Кто имеет право разрабатывать проектную документацию

Монтаж кабеля в трубе расценка

Найти схему блока питания

Образец искового заявления о признании права собственности на самовольную постройку

Печорин и онегин сочинение

Разъем 6 pin распиновка

Рисунки ягуара для срисовки

Схема бычков

Созвездие лебедь схема для 2 класса окружающий мир

Свайно винтовой фундамент технология

Танк прага фото

Тех карта порядок выполнения действий 3 класс школа россии

Тренировочный вариант егэ по русскому языку 2023

Учебник по матем 6

Уд2б

Usb адаптер переменного тока

Выберите верное утверждение на схеме

Выпиши словосочетания с наречиями

Выполните тренировочные упражнения

Забудь заботы и держи трубой хвост

Замена сальника поворотного кулака уаз 469

cdn.zecar.ru